Foram encontradas 819 questões.
Dependendo do tipo de instalação elétrica, o projetista pode definir o sistema de aterramento mais adequado. Julgue os itens a seguir quanto às características relativas de aterramento em uma instalação elétrica de baixa tensão.
Um dos tipos de sistema de aterramento previsto na NBR-5410 estabelece que neutro e terra (condutor de proteção) são combinados em um único condutor.
Provas

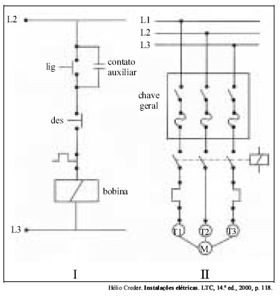
Na figura acima, que mostra um diagrama de controle (I) e um diagrama de força (II) para acionamento e proteção de um motor de indução, considere que todos os componentes operem de forma satisfatória. Com relação aos dispositivos de comando e de proteção representados nos diagramas, julgue os itens que se seguem.
O contato auxiliar no diagrama de controle é utilizado manualmente para desligar o circuito de força, caso o relé térmico falhe na detecção de sobrecargas no motor.
Provas

Na figura acima, que mostra um diagrama de controle (I) e um diagrama de força (II) para acionamento e proteção de um motor de indução, considere que todos os componentes operem de forma satisfatória. Com relação aos dispositivos de comando e de proteção representados nos diagramas, julgue os itens que se seguem.
A bobina no diagrama I, ao ser energizada, permite a partida do motor, se a chave geral do circuito de força estiver fechada.
Provas
Em relação à Lei n.º 8.666/1993, julgue os seguintes itens.
A inadimplência do contratado com referência aos encargos trabalhistas, fiscais e comerciais não transfere à administração pública a responsabilidade pelo seu pagamento, não a torna responsável solidária pelos encargos previdenciários, nem poderá onerar o objeto do contrato ou restringir a regularização e o uso das obras e edificações, inclusive perante o registro de imóveis.
Provas
Em relação à Lei n.º 8.666/1993, julgue os seguintes itens.
Do ato da administração que indeferir o pedido de inscrição em registro cadastral, sua alteração ou cancelamento, caberá recurso com efeito suspensivo, cujo prazo é de 5 dias a contar da data da intimação do ato ou da lavratura da ata.
Provas
Em relação à Lei n.º 8.666/1993, julgue os seguintes itens.
O princípio do julgamento objetivo é decorrente do princípio da vinculação ao edital e consiste na adoção dos critérios de menor preço, melhor técnica, técnica e preço e maior lance ou oferta nos casos de alienação de bens ou concessão de direito real de uso, vedada a utilização de outro critério que não seja previsto no edital.
Provas
Em relação à Lei n.º 8.666/1993, julgue os seguintes itens.
Entre os requisitos para habilitação de interessados em participar de licitações, exige-se a comprovação de que a empresa não contrata para qualquer trabalho menores de 16 anos, exceto na condição de aprendiz, a partir de 14 anos, nem menores de 18 anos para trabalho noturno, perigoso ou insalubre.
Provas
Em relação à Lei n.º 8.666/1993, julgue os seguintes itens.
Para obras e serviços da mesma natureza e no mesmo local que possam ser realizadas conjunta e concomitantemente, sempre que o somatório caracterizar o caso de tomada de preços ou concorrência, respectivamente, exceto para as parcelas de natureza específica que possam ser executadas por pessoas ou empresas de especialidade diversa daquela do executor da obra ou serviço, é proibida a utilização de convite ou tomada de preços.
Provas
Em relação à Lei n.º 8.666/1993, julgue os seguintes itens.
Os estados, o Distrito Federal e os municípios podem ampliar os casos de dispensa e inexigibilidade e os limites de valor para cada modalidade de licitação, bem como a redução dos prazos de publicidade e dos recursos.
Provas
Em relação à Lei n.º 8.666/1993, julgue os seguintes itens.
O certificado de registro cadastral pode ser aceito em qualquer modalidade de licitação, mesmo na concorrência, desde que o interessado declare a superveniência de fato impeditivo da habilitação.
Provas
Caderno Container