Foram encontradas 50 questões.

A figura acima apresenta o diagrama de um trocador de calor e sua correspondente malha de controle de temperatura. A associação correta entre os números dos instrumentos indicados na malha de controle e as letras da lista de identificação funcional, segundo a Norma ISA S 5.1, é:
Provas
Devido à compressibilidade do fluido confinado na câmara inferior do êmbolo de um macaco hidráulico, ocorre a oscilação da carga sustentada pelo mesmo. Suponha que o êmbolo tenha massa desprezível, que o atrito e o vazamento também sejam desprezíveis e que a câmara superior do êmbolo esteja aberta à atmosfera.
Considere:
- área inferior do êmbolo: 2 x 10-3 m2
- volume do fluido confinado: 2 x 10-4 m3
- massa da carga: 1.000 kg - módulo de compressibilidade efetiva do fluido: 20 x 108 N/m2
O valor da frequência de oscilação da carga, em rad/s, é:
Provas
O Protocolo de Acesso ao Meio para a comunicação entre estações ativas da rede, numa arquitetura multi-mestre PROFIBUS, é do tipo
Provas

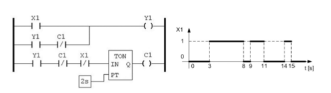
No programa LADDER da figura acima, X1, Y1 e C1 são variáveis booleanas e TON é um temporizador, com atraso no acionamento e com o tempo especificado em segundos. O gráfico apresenta a forma de onda da variável X1. Com base no intervalo do gráfico e considerando o temporizador inicialmente zerado, qual o tempo total, em segundos, em que a variável Y1 assume o valor lógico 1?
Provas
No sistema de endereçamento do IPv4, a máscara de subrede permite a separação do endereço de rede ou subrede da identificação do host. Qual o número de hosts que uma subrede que opera com uma máscara igual a 255.255.255.192 poderá suportar?
Provas
Sobre o padrão RS-232, analise as afirmações a seguir.
I - O pino RTS recebe o fluxo de bits de informações.
II - O pino CTS transmite o fluxo de bits de informações.
III - O estado lógico um é definido por uma tensão negativa e o estado lógico zero por uma tensão positiva.
IV - Dispositivos RS-232 podem ser classificados em DTE e DCE.
Está(ão) correta(s) APENAS a(s) afirmação(ões)
Provas

A figura acima apresenta uma representação simplificada de uma rede de dados do tipo VSAT (Very Small Aperture Terminals), operando através de um satélite geoestacionário em uma topologia em estrela. Sobre a configuração de rede VSAT apresentada, é INCORRETO afirmar que
Provas
Que sistema tem como função concentrar e comprimir grandes massas de dados, transformando-os em informação para a supervisão e o controle de processos industriais?
Provas

Encontram-se acima símbolos dos acionamentos de uma válvula direcional e possíveis descrições. A relação correta entre os símbolos e suas descrições é:
Provas
Filial_A
|
Nome |
Seção |
Sexo |
|
André |
Diretoria | M |
|
Cláudia |
Diretoria | F |
|
Fábio |
Relações Públicas | M |
|
João |
Relações Públicas | M |
|
José |
Secretaria | M |
|
Maria |
Secretaria | F |
Filial_B
|
Nome |
Seção | Sexo |
|
Gilberto |
Almoxarifado | M |
| Jorge | Almoxarifado | M |
| José | Secretaria | M |
| Maria | Secretaria | F |
Considere as operações Projeção (\( \pi \)), Seleção (\( \sigma \)) e Diferença ( - ), todas da álgebra relacional, executadas sobre as tabelas Filial_A e Filial_B apresentadas acima.
O resultado da operação combinada
\( \pi \)Nome,Seção(\( \sigma \)sexo = “M”(Filial_A - Filial_B)) é
Provas
Caderno Container