Foram encontradas 50 questões.

A figura acima apresenta um circuito elétrico com fontes de corrente contínua. O capacitor encontra-se operando em regime permanente. A ddp, em volts, entre os terminais X e Y do capacitor é, aproximadamente,
Provas

No circuito da figura acima, a tensão do Circuito Equivalente de Thevenin, dada em volts e calculada entre os pontos X e Y, é:
Provas

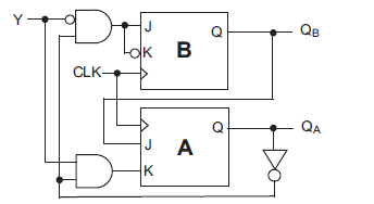
Quando o circuito ilustrado na figura acima estiver no estado QBQA = 00, com Y = 1, os flip-flops B e A executarão, respectivamente, as operações de
Provas

A figura acima ilustra o circuito digital que relaciona o sinal F com os sinais binários de entrada X, Y e Z. De acordo com o circuito, a expressão booleana mais simplificada de F em função de X, Y e Z é
Provas

No circuito da figura acima, o Diodo Zener é considerado ideal e opera, em sua região ativa, com tensão nominal de 16 V.
Qual o valor do resistor R, em \( k \Omega \), para que a corrente no Zener seja de 2 mA?
Provas
Provas
Provas
Provas

Um feirante utiliza uma balança de dois pratos para fazer as suas vendas. Entretanto, ele possui apenas um peso de 1 kg, um peso de 3 kg e um peso de 5 kg. O feirante pode usar um ou mais pesos em cada pesagem. Neste último caso, ele pode colocar os pesos em um único prato ou distribuí-los pelos dois pratos. Quantos valores inteiros positivos pode ter a massa de uma mercadoria a ser pesada, para que o feirante consiga determiná-la com uma única pesagem?
Provas
- Interpretação de texto | Reading comprehension
- Gramática - Língua InglesaOrações condicionais | Conditional Clauses


Provas
Caderno Container