Foram encontradas 60 questões.
Determine o diâmetro do eletroduto de PVC para o trecho entre as caixas de passagem (CP) 1 e 2 baseado na tabela de eletrodutos. Os condutores do circuito estão descritos com a seção nominal conforme tabela anexa.

Circuito 1: Cabo 2 x 2,5 mm2
Circuito 2: Cabo 3 x 6 mm2
Circuito 3: Cabo 2 x 1,5 mm2
Provas
Para o circuito da figura a seguir, considere Vdiodo de 0,7V. As correntes nos resistores R1 e R2 são, respectivamente:

Provas
Conforme norma NBR 5419 para o projeto de SPDA, determine a área da construção do prédio protegida, sabendo que a altura da haste do para-raio Franklin que atende uma residência que requer nível de proteção IV é de 5m. A estrutura total tem 28m de altura e está instalada no topo do prédio, conforme figura abaixo.

Provas
Com base na curva de tensão apresentada pelo osciloscópio e sabendo que o equipamento está configurado em 20 ms/div na escala de tempo e 5V/div na escala de amplitude do sinal, determine o valor do capacitor C.

Provas
Para o conversor DC-DC linear do circuito abaixo, determine a tensão de saída lida pelo voltímetro, sabendo que a tensão de referência do regulador é de 1,25V e que a corrente de polarização é de 100 µA. Considere o valor da tensão truncada com uma casa decimal. Os resistores têm tolerância de 1%.

Provas
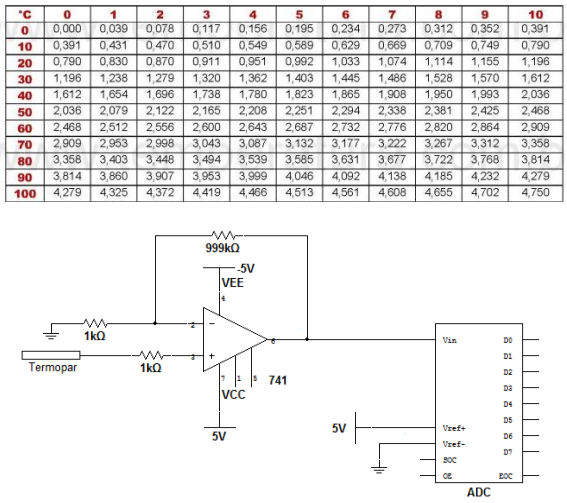
O circuito com AMPOP abaixo faz o condicionamento do sinal de um termopar. Com base na tabela de tensão em mV do termopar e no fato de que o circuito do amplificador está com o offset ajustado, determine o valor da temperatura percebida pelo termopar, sabendo que o conversor ADC encontrou nas saídas de D7 a D0 o valor de 00110011b.

Provas
Determine a expressão Booleana melhor simplificada para a saída S, a partir dos valores de entrada (ABCD, sendo A o mais significativo) da tabela verdade abaixo.

Provas
Determine a expressão Booleana que representa o circuito da figura a seguir.

Provas
Identifique o circuito equivalente somente com portas NOR para o circuito lógico a

Provas
Observe o gráfico abaixo, que apresenta o comportamento de disparo de um disjuntor termomagnético acionando cargas resistivas. Considere que o disjuntor foi projetado para atender uma corrente nominal de 15 A. Para uma corrente de sobrecarga de 30 A, determine o tempo de atuação do disjuntor.

Provas
Caderno Container