Foram encontradas 60 questões.

Provas

Considerando a palavra “pandemia”, retirada do texto, analise as assertivas a seguir:
I. A palavra apresenta o mesmo número de fonemas e de letras.
II. Há nela a presença de um ditongo crescente.
III. Trata-se de palavra proparoxítona, cuja sílaba tônica é “pan”.
Quais estão corretas?
Provas
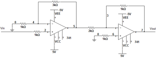
Para o circuito com AMPOP abaixo, determine o valor de Vout em relação ao sinal de entrada Vin.

Provas
A NR 33 prevê, no seu item 33.3.3.5, que os procedimentos de entrada em espaços confinados devem ser revistos quando ocorrerem algumas circunstâncias. Sobre elas, analise as assertivas a seguir e assinale V, se verdadeiras, ou F, se falsas.
( ) Entrada não autorizada num espaço confinado.
( ) Identificação de riscos não descritos na Permissão de Entrada e Trabalho.
( ) Acidente, incidente ou condição não prevista durante a entrada.
( ) Qualquer mudança na atividade desenvolvida ou na configuração do espaço confinado.
( ) Solicitação do SESMT ou da CIPA.
( ) Identificação de condição de trabalho mais segura.
A ordem correta de preenchimento dos parênteses, de cima para baixo, é:
Provas

Provas

Considerando o exposto pelo texto, analise as assertivas a seguir:
I. A arte melhora o poder de abstração dos indivíduos, sem, contudo, ter influência em áreas como as Ciências Biológicas e Tecnológicas.
II. Existem várias questões a serem pensadas quando se fala em “renovar a Educação” e não somente a preocupação com modelos de ensino em tempos de pandemia.
III. A arte e a cultura podem aumentar o capital de conhecimento do indivíduo.
Quais estão corretas?
Provas

Assinale a alternativa que apresenta a transcrição INCORRETA do trecho abaixo, retirado do texto.
“o modelo fordista de escola precisa mudar”
Provas

Provas

Provas
Provas
Caderno Container