Foram encontradas 100 questões.
Com base nas transformadas de Laplace, julgue o próximo item.
Considere-se o problema de valor inicial a seguir, em que x(t) é uma entrada do sistema.
\( { \begin{cases} y^{ \prime \prime} (t) + y^{ \prime} (t) + 4y(t) = x(t)\\\,\,\,\,\,\,\,\,\,\,\,\,y(0) = 0\\\,\,\,\,\,\,\,\,\,\,\,y^{ \prime} (0) = 0 \end{cases}} \)
Nesse problema, a função de transferência é igual a \(\dfrac{Y(s)}{X(s)} = \dfrac{1}{s^2 + 4}\), em que X(s) e Y(s) denotam, respectivamente, as transformadas de Laplace de x(t) e y(t).
Provas
Com base nas transformadas de Laplace, julgue o próximo item.
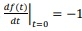
Se F(s) = L(f(t)) é a transformada de Laplace de uma função derivável f(t) que satisfaz
, então a transformada de
Laplace de
é igual a 2 ∙ F(s) − 2.
Provas
Com base nas transformadas de Laplace, julgue o próximo item.
Um sistema de controle que tem função de transferência igual a
tem resposta f(t) estável.
Provas
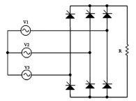
A respeito de dispositivos e circuitos de eletrônica de potência, julgue o item subsequente.
A seguir, é apresentado um circuito retificador trifásico de meia onda ligado a uma carga resistiva.

Provas
A respeito de dispositivos e circuitos de eletrônica de potência, julgue o item subsequente.
O tiristor de controle de fase é construído com duas junções pn.
Provas
A respeito de dispositivos e circuitos de eletrônica de potência, julgue o item subsequente.
Em um conversor Buck-Boost, a tensão de saída é controlada por uma chave ativa, o transistor, e uma chave passiva, o diodo.
Provas
A respeito de dispositivos e circuitos de eletrônica de potência, julgue o item subsequente.
Na associação em série de três diodos, cada um deles com tensão máxima reversa de -50 V, a tensão máxima reversa equivalente será de -75 V.
Provas
Em relação à geração, transmissão e distribuição de energia elétrica, julgue o item subsecutivo.
Entre os requisitos de um sistema de proteção, inclui-se a seletividade, que define zonas de cobertura de proteção para cada elemento de proteção.
Provas
Em relação à geração, transmissão e distribuição de energia elétrica, julgue o item subsecutivo.
Nas redes radiais, as linhas de transmissão formam anéis, o que permite mais de um caminho para o fluxo de energia.
Provas
Em relação à geração, transmissão e distribuição de energia elétrica, julgue o item subsecutivo.
Um dos problemas da elevação do nível de tensão para a transmissão de energia é o correspondente aumento de corrente.
Provas
Caderno Container