Foram encontradas 2.521 questões.

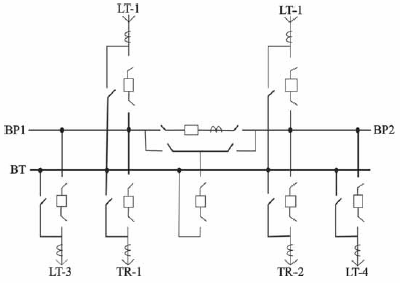
Sergio O. Frontin. Equipamentos de alta tensão: prospecção e
hierarquização de inovações tecnológicas. 1.ª ed. Brasília: Goya Ed. Ltda., 2013, p. 87.
A figura apresentada ilustra o diagrama unifilar do esquema de arranjo de uma subestação caracterizada como uma configuração em barra principal seccionada e barra de transferência. Considerando essas informações e a figura, julgue o item subsequente.
No diagrama apresentado não há simbologia indicativa dos locais na subestação onde são conectados os transformadores de potencial, necessários, por exemplo, para alimentar relés de proteção.
Provas
Questão presente nas seguintes provas
Os enrolamentos do primário de um transformador de potência trifásico ideal são conectados em estrela e os do secundário, ligados em triângulo. A tensão nominal de linha do enrolamento primário é igual a !$ 100 \sqrt{3} !$ V e a do secundário é igual a 200 V. Uma carga trifásica equilibrada é conectada ao secundário do transformador e funciona com tensão de linha equilibrada igual a 210 V.
Com base nessas informações, julgue o item a seguir.
A fim de suprir a carga conforme a tensão de funcionamento especificada, é necessário aplicar tensão fase-neutro no enrolamento primário do transformador igual a 105 V.
Provas
Questão presente nas seguintes provas
energias de compactação utilizadas em laboratório
| método | proctor | golpes por camada |
| A | normal | 12 |
| B | intermediário | 26 |
| C | modificado | 55 |
Na planilha orçamentária de determinada obra rodoviária, elaborada de acordo com o sistema de custos rodoviários do DNIT (SICRO), está previsto, no item de serviço de terraplenagem, que a execução de todas as camadas necessárias seria feita com grau de compactação igual a 100% do proctor normal. Durante a execução da obra, a fiscalização exigiu que algumas camadas fossem executadas com grau de compactação igual a 100% do proctor intermediário, para atender determinadas normas.
A partir dessas informações e da tabela precedente, que mostra as energias que podem ser utilizadas nos ensaios de compactação, de acordo com as normas técnicas vigentes, julgue o item a seguir.
O número de golpes por camada no ensaio de compactação de laboratório é igual ao número de passadas do rolo compressor em campo.
Provas
Questão presente nas seguintes provas
energias de compactação utilizadas em laboratório
| método | proctor | golpes por camada |
| A | normal | 12 |
| B | intermediário | 26 |
| C | modificado | 55 |
Na planilha orçamentária de determinada obra rodoviária, elaborada de acordo com o sistema de custos rodoviários do DNIT (SICRO), está previsto, no item de serviço de terraplenagem, que a execução de todas as camadas necessárias seria feita com grau de compactação igual a 100% do proctor normal. Durante a execução da obra, a fiscalização exigiu que algumas camadas fossem executadas com grau de compactação igual a 100% do proctor intermediário, para atender determinadas normas.
A partir dessas informações e da tabela precedente, que mostra as energias que podem ser utilizadas nos ensaios de compactação, de acordo com as normas técnicas vigentes, julgue o item a seguir.
Apenas se houver impacto financeiro significativo será necessário realizar aditivo contratual para incluir na planilha orçamentária a quantidade e o valor referentes ao serviço de terraplenagem com grau de compactação executado com proctor intermediário, não sendo necessária nenhuma alteração relativa ao proctor normal.
Provas
Questão presente nas seguintes provas
energias de compactação utilizadas em laboratório
| método | proctor | golpes por camada |
| A | normal | 12 |
| B | intermediário | 26 |
| C | modificado | 55 |
Na planilha orçamentária de determinada obra rodoviária, elaborada de acordo com o sistema de custos rodoviários do DNIT (SICRO), está previsto, no item de serviço de terraplenagem, que a execução de todas as camadas necessárias seria feita com grau de compactação igual a 100% do proctor normal. Durante a execução da obra, a fiscalização exigiu que algumas camadas fossem executadas com grau de compactação igual a 100% do proctor intermediário, para atender determinadas normas.
A partir dessas informações e da tabela precedente, que mostra as energias que podem ser utilizadas nos ensaios de compactação, de acordo com as normas técnicas vigentes, julgue o item a seguir.
O valor unitário do serviço executado com proctor intermediário será equivalente ao do serviço previsto na planilha com proctor normal, pois, embora enseje o aumento do número de passagens do rolo compressor, causa a diminuição do trabalho dos caminhões-tanques.
Provas
Questão presente nas seguintes provas
| código | descrição | unidade | coeficiente |
| 92779 | Armação de pilar ou viga de uma estrutura convencional de concreto armado em uma edificação térrea ou sobrado utilizando aço CA–50 de 12,5 mm – montagem. Af_12/2015 | Kg | |
| 88238 | Ajudante de armador com encargos complementares | h | 0,0114 |
| 88245 |
Armador com encargos complementares
|
h | 0,0698 |
| 92795 | Corte e dobra de aço CA–50, diâmetro de 12,5 mm, utilizado em estruturas diversas, exceto lajes. Af_12/2015 | Kg | 1 |
| 337 | Arame recozido 18 BWG, 1,25 mm (0,01 kg/m) | Kg | 0,025 |
| 40215 | Espaçador/distanciador em plástico (coletado caixa) | un | 0,367 |
Tabela I: ficha de composição de armação de pilar ou viga de
concreto armado
concreto armado
| código | descrição | unidade | coeficiente |
| 92795 | Corte e dobra de aço CA–50, diâmetro de 12,5 mm, utilizado em estruturas diversas, exceto lajes. Af_12/2015 | Kg | |
| 88238 | Ajudante de armador com encargos complementares | h | 0,0095 |
| 88245 | Armador com encargos complementares | h | 0,0673 |
| 31 | Aço CA–50, 12,5 mm, vergalhão | Kg | 1,11 |
Tabela II: composição auxiliar do serviço
A tabela I apresenta uma ficha de composição de armação de pilar ou viga de concreto armado, que consta do Sistema Nacional de Pesquisa de Custos e Índices da Construção Civil (SINAPI). A tabela II mostra uma composição auxiliar do referido serviço. Com base nessas informações, julgue o item que se segue.
O coeficiente da composição corte e dobra de aço na tabela I, código 92795, considera o consumo de aço, com sua respectiva perda, para executar 1 kg de corte e dobra de aço CA–50.
Provas
Questão presente nas seguintes provas
| código | descrição | unidade | coeficiente |
| 92779 | Armação de pilar ou viga de uma estrutura convencional de concreto armado em uma edificação térrea ou sobrado utilizando aço CA–50 de 12,5 mm – montagem. Af_12/2015 | Kg | |
| 88238 | Ajudante de armador com encargos complementares | h | 0,0114 |
| 88245 |
Armador com encargos complementares
|
h | 0,0698 |
| 92795 | Corte e dobra de aço CA–50, diâmetro de 12,5 mm, utilizado em estruturas diversas, exceto lajes. Af_12/2015 | Kg | 1 |
| 337 | Arame recozido 18 BWG, 1,25 mm (0,01 kg/m) | Kg | 0,025 |
| 40215 | Espaçador/distanciador em plástico (coletado caixa) | un | 0,367 |
Tabela I: ficha de composição de armação de pilar ou viga de
concreto armado
concreto armado
| código | descrição | unidade | coeficiente |
| 92795 | Corte e dobra de aço CA–50, diâmetro de 12,5 mm, utilizado em estruturas diversas, exceto lajes. Af_12/2015 | Kg | |
| 88238 | Ajudante de armador com encargos complementares | h | 0,0095 |
| 88245 | Armador com encargos complementares | h | 0,0673 |
| 31 | Aço CA–50, 12,5 mm, vergalhão | Kg | 1,11 |
Tabela II: composição auxiliar do serviço
A tabela I apresenta uma ficha de composição de armação de pilar ou viga de concreto armado, que consta do Sistema Nacional de Pesquisa de Custos e Índices da Construção Civil (SINAPI). A tabela II mostra uma composição auxiliar do referido serviço. Com base nessas informações, julgue o item que se segue.
O coeficiente da composição armador da tabela I, código 88245, representa a necessidade de horas de armador para executar 1 kg de corte e dobra de aço CA–50.
Provas
Questão presente nas seguintes provas
| código | descrição | unidade | coeficiente |
| 92779 | Armação de pilar ou viga de uma estrutura convencional de concreto armado em uma edificação térrea ou sobrado utilizando aço CA–50 de 12,5 mm – montagem. Af_12/2015 | Kg | |
| 88238 | Ajudante de armador com encargos complementares | h | 0,0114 |
| 88245 |
Armador com encargos complementares
|
h | 0,0698 |
| 92795 | Corte e dobra de aço CA–50, diâmetro de 12,5 mm, utilizado em estruturas diversas, exceto lajes. Af_12/2015 | Kg | 1 |
| 337 | Arame recozido 18 BWG, 1,25 mm (0,01 kg/m) | Kg | 0,025 |
| 40215 | Espaçador/distanciador em plástico (coletado caixa) | un | 0,367 |
Tabela I: ficha de composição de armação de pilar ou viga de
concreto armado
concreto armado
| código | descrição | unidade | coeficiente |
| 92795 | Corte e dobra de aço CA–50, diâmetro de 12,5 mm, utilizado em estruturas diversas, exceto lajes. Af_12/2015 | Kg | |
| 88238 | Ajudante de armador com encargos complementares | h | 0,0095 |
| 88245 | Armador com encargos complementares | h | 0,0673 |
| 31 | Aço CA–50, 12,5 mm, vergalhão | Kg | 1,11 |
Tabela II: composição auxiliar do serviço
A tabela I apresenta uma ficha de composição de armação de pilar ou viga de concreto armado, que consta do Sistema Nacional de Pesquisa de Custos e Índices da Construção Civil (SINAPI). A tabela II mostra uma composição auxiliar do referido serviço. Com base nessas informações, julgue o item que se segue.
A mão de obra para concretagem é considerada nos custos do serviço representado pela ficha de composição da tabela I.
Provas
Questão presente nas seguintes provas
| código | descrição | unidade | coeficiente |
| 92779 | Armação de pilar ou viga de uma estrutura convencional de concreto armado em uma edificação térrea ou sobrado utilizando aço CA–50 de 12,5 mm – montagem. Af_12/2015 | Kg | |
| 88238 | Ajudante de armador com encargos complementares | h | 0,0114 |
| 88245 |
Armador com encargos complementares
|
h | 0,0698 |
| 92795 | Corte e dobra de aço CA–50, diâmetro de 12,5 mm, utilizado em estruturas diversas, exceto lajes. Af_12/2015 | Kg | 1 |
| 337 | Arame recozido 18 BWG, 1,25 mm (0,01 kg/m) | Kg | 0,025 |
| 40215 | Espaçador/distanciador em plástico (coletado caixa) | un | 0,367 |
Tabela I: ficha de composição de armação de pilar ou viga de
concreto armado
concreto armado
| código | descrição | unidade | coeficiente |
| 92795 | Corte e dobra de aço CA–50, diâmetro de 12,5 mm, utilizado em estruturas diversas, exceto lajes. Af_12/2015 | Kg | |
| 88238 | Ajudante de armador com encargos complementares | h | 0,0095 |
| 88245 | Armador com encargos complementares | h | 0,0673 |
| 31 | Aço CA–50, 12,5 mm, vergalhão | Kg | 1,11 |
Tabela II: composição auxiliar do serviço
A tabela I apresenta uma ficha de composição de armação de pilar ou viga de concreto armado, que consta do Sistema Nacional de Pesquisa de Custos e Índices da Construção Civil (SINAPI). A tabela II mostra uma composição auxiliar do referido serviço. Com base nessas informações, julgue o item que se segue.
De acordo com os dados apresentados na composiçãoda tabela I, o consumo de espaçadores é de um a cada 0,367 m de armadura.
Provas
Questão presente nas seguintes provas
| discriminação | 2013 | 2015 | ||
| R$ milhões | % PIB | R$ milhões | % PIB | |
| I receita total | 1.178.983 | 22,2% | 1.247.789 | 21,0% |
| II transferência a estados e municípios | 183.395 | 3,4% | 204.684 | 3,4% |
| III receita líquida (I!II) | 995.588 | 18,8% | 1.043.105 | 17,6% |
| IV despesas | 918.595 | 17,3% | 1.158.700 | 19,5% |
| V fundo soberano do Brasil | 0 | 0,0% | 855 | 0,0% |
| VI primário governo central | 76.993 | 1,5% | -114.741 | -1,9% |
| VII ajuste metodológico 11/ | 858 | 0,0% | 3.888 | 0,0% |
| VIII discrepância estatística | -2.561 | 0,0% | -5.803 | -0,1% |
| IX resultado primário do governo central (VI + VII + VIII) 12/ | 75.290 | 1,5% | -116.656 | -2,0% |
| X juros nominais 12/ | -185.845 | -3,5% | -397.240 | -6,7% |
| XI resultado nominal do governo central (IX + X) 12/ | -110.555 | -2,0% | -513.896 | -8,7% |
Com base nos resultados primários do governo central nos anos de 2013 e 2015, conforme apresentado nessa tabela, cujos dados foram obtidos pelo Tesouro Nacional, julgue o item a seguir, referente a conceitos de contabilidade fiscal.
O resultado nominal negativo em 8,7% do PIB foi apurado pelo Tesouro Nacional a partir da metodologia de apuração conhecida como “acima da linha”.
Provas
Questão presente nas seguintes provas
Cadernos
Caderno Container