Foram encontradas 1.093 questões.
A figura a seguir apresenta o diagrama de fases para o sistema ferro-carbeto de ferro.

(Fonte: CALLISTER, W.D., Fundamentos da Ciência e Engenharia dos Materiais, 2ª ed., Ed. LTC)
Para uma liga com composição 99,6%p Fe – 0,40%p C a uma temperatura imediatamente abaixo da eutetoide, as frações das fases ferrita total e cementita valem aproximadamente, nessa ordem:
Provas
A figura a seguir apresenta o diagrama de transformação isotérmica para uma liga ferro-carbono com composição eutetoide.

(Fonte: CALLISTER, W.D., Fundamentos da Ciência e Engenharia dos Materiais, 2ª ed., Ed. LTC)
Uma pequena amostra desse aço foi mantida, inicialmente, a 780°C durante o tempo necessário para ser obtida uma estrutura austenítica completa e homogênea. Logo a seguir, essa estrutura foi submetida aos tratamentos tempo-temperatura definidos pela sequência ABCDE.
Após esses tratamentos, a microestrutura final dessa amostra é composta por
Provas
Os átomos dos metais se organizam em estruturas cristalinas, que se relacionam diretamente com suas propriedades. Dessa forma, observe atentamente as duas estruturas apresentadas na figura a seguir.

As estruturas (1) e (2) se aplicam, respectivamente, a(o):
Provas
Um motor elétrico trifásico consome 12kW e tem fator de potência igual a 0,6. Sabendo que esse motor é alimentado a uma tensão de 220V, as potências reativa e aparente desse motor valem, respectivamente,
Provas
A figura a seguir apresenta um circuito elétrico trifásico \( \Delta \) e o circuito equivalente na configuração Y.

Na configuração Y, as resistências R1, R2 e R3 valem, respectivamente,
Provas
Relacione os tipos de compressores alternativos apresentados na coluna da esquerda com suas características indicadas na coluna da direita.
1. Aberto
2. Semi-hermético
3. Hermético
( ) Carcaça totalmente blindada, onde o motor e conjunto de compressão estão encerrados em um só corpo impedindo o acesso interno. Reduz-se, portanto, o tamanho da carcaça e se elimina o problema de vazamento com o uso de um selo mecânico.
( ) O eixo de acionamento atravessa a carcaça, sendo, portanto, acionado por um motor exterior. Prevê-se um selo de vedação para evitar a fuga de gás refrigerante ou entrada de ar externo quando a pressão for menor que a atmosférica.
( ) A carcaça exterior aloja tanto o compressor propriamente dito quanto o motor de acionamento. Opera com compostos halogenados e o refrigerante entra em contato com o enrolamento do motor, resfriando-o.
Assinale a opção que indica a relação correta, na ordem apresentada.
Provas
Uma bomba se encontra instalada em um local 300 m acima do nível do mar (pressão atmosférica de 10 mca) com reservatório de sucção abaixo da bomba, a uma altura de 3,0 m. Sabendo que a pressão de vapor do fluido é de 0,5 mca (hv) e a perda de carga total na linha de sucção é de 1,0 (dprs).
Assim, o NPSH disponível para essa bomba vale
Provas
Um compressor de ar fornece 200m de carga utilizando um motor que consome 20000W.
Sabendo que a eficiência desse compressor é de 63% e considerando a massa específica do ar na entrada do compressor igual a 0,9kg/m3 e aceleração da gravidade de 10m/s2, a vazão de ar alimentada é de
Provas
As figuras a seguir apresentam dois ciclos termodinâmicos ideais, baseando-se em diagramas T-s.

(a)

(b)
Os ciclos (a) e (b) são utilizados para descrever o funcionamento de, respectivamente,
Provas
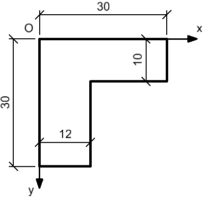
Observe a figura plana apresentada a seguir.

(Dimensões em mm)
O momento de inércia dessa figura em relação ao eixo x é de
Provas
Caderno Container