Foram encontradas 603 questões.
Os serviços executados em instalações elétricas desligadas (desenergizadas), mas com possibilidade de energização por qualquer meio ou razão, devem
Provas
Acerca de segurança em instalações elétricas, assinale a opção correta.
Provas
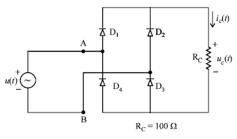
Considere que, no circuito elétrico ilustrado a seguir, uma fonte CA com tensão u(t)=100sen(Tt) V, alimenta os demais componentes. Suponha que todos os diodos são ideais.

Considerando as informações do circuito elétrico, julgue os itens a seguir.
I No ciclo em que a tensão da fonte é positiva, a corrente flui pelos diodos D1 e D3 .
II A corrente ic (t) e a tensão uc (t) apresentam um mesmo tipo de forma de onda (gráfico), diferindo em amplitude.
III O diodo D4 conduz durante 25% do ciclo da tensão da fonte.
IV A corrente que passa pelo diodo D2 , quando este está conduzindo, é igual à corrente que passa por D4 .
V A potência média na carga durante um ciclo da tensão da fonte é igual a zero.
A quantidade de itens certos é igual a
Provas
O circuito elétrico mostrado na figura I a seguir é composto por uma fonte CA e dois resistores. Um osciloscópio é utilizado para medir a tensão nos terminais do resistor de 10 kΩ. A forma de onda captada da tela do osciloscópio é mostrada na figura II. A chave seletora de ganho vertical do osciloscópio foi ajustada para 5 V/divisão, enquanto a chave seletora da base de tempo foi fixada em 1 ms/divisão.

Considerando as informações acima é correto afirmar que a corrente de pico no circuito (em mA) e a frequência da forma de onda (em Hz) são, respectivamente, de forma aproximada, iguais a
Provas
Um computador utiliza memórias, que por sua vez determinam a quantidade de informações que o computador pode armazenar. Nos diversos tipos de memórias, a capacidade de armazenamento é medida em
Provas
Determinado componente tem a função de integrar os vários compomentes de um computador. Nele encontram-se vários elementos, como clock, chipset, barramentos, BIOS etc.
O componente descrito é o(a)
Provas
Um técnico encarregado da manutenção de um grupo de motores de indução trifásicos de uma empresa decidiu instalar relés de proteção PTC nos motores para minimizar alguns problemas que vinham sendo detectados nas últimas inspeções. O relé em questão tem a finalidade de proteger o motor no qual foi instalado contra
Provas
O fusível do tipo NH possui elevada capacidade de interrupção, sendo projetado para algumas faixas de corrente e apropriados para uso industrial. Para substituir esse fusível com maior agilidade e segurança, é apropriado utilizar
Provas
Assinale a opção incorreta acerca de conservação de energia em sistemas de refrigeração.
Provas
Instalações de ar condicionado de grande porte, como é o caso de shopping-centers, consomem elevada parcela de energia elétrica durante determinados horários de funcionamento. Durante esse período, para evitar ultrapassar a demanda de energia elétrica contratada, recursos encontrados nos denominados sistemas de termoacumulação podem ser explorados. Esses sistemas utilizam, entre outros componentes, o denominado chiller, cuja função é
Provas
Caderno Container