Foram encontradas 1.262 questões.

Considerando a figura precedente, que apresenta o arranjo de uma subestação abaixadora de tensão, julgue o próximo item, a respeito dos equipamentos e do funcionamento de uma subestação.
Caso haja necessidade de manutenção de um disjuntor de alimentador, o fornecimento de energia será totalmente interrompido para os consumidores correspondentes.
Provas

Considerando a figura precedente, que apresenta o arranjo de uma subestação abaixadora de tensão, julgue o próximo item, a respeito dos equipamentos e do funcionamento de uma subestação.
Em um disjuntor, indicado pelas letras C e F no arranjo da subestação apresentada, caso a tensão de restabelecimento cresça mais rapidamente que a rigidez dielétrica dos contatos em separação, o disjuntor permanecerá aberto aguardando a ação de fechamento dos contatos para que haja fluxo de corrente.
Provas

Considerando a figura precedente, que apresenta o arranjo de uma subestação abaixadora de tensão, julgue o próximo item, a respeito dos equipamentos e do funcionamento de uma subestação.
Se um relé com potência de 20 VA/fase a 110 V é aplicado a um transformador de potencial (TP) com tensão secundária de 220 V, então o valor corrigido de potência será de 80 VA.
Provas

Considerando a figura precedente, que apresenta o arranjo de uma subestação abaixadora de tensão, julgue o próximo item, a respeito dos equipamentos e do funcionamento de uma subestação.
O equipamento identificado como B no arranjo apresentado é uma chave de aterramento, que é operada preferencialmente sobre carga.
Provas

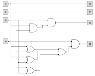
O circuito digital representado faz o controle de acionamento de uma central telefônica que possui quatro ramais. As entradas R1, R2, R3 e R4 significam que o respectivo ramal solicitou uma ligação à central. As saídas S1, S2, S3 e S4 indicam se a ligação foi completada pela central ou não. Considerando esse circuito e as informações apresentadas, julgue o item a seguir.
Considere que, para o circuito lógico combinacional que compreende as entradas R1, R2, R3 e R4 e a saída R4, se deseja implementar um circuito com a seguinte regra: o funcionamento do ramal R4 está condicionado ao não funcionamento dos ramais R1, R2 e R3 no ciclo de tempo anterior ao atual. Nesse caso, é necessário o uso de flip-flops do tipo RS ou JK no módulo de memória do circuito a ser implementado.
Provas

O circuito digital representado faz o controle de acionamento de uma central telefônica que possui quatro ramais. As entradas R1, R2, R3 e R4 significam que o respectivo ramal solicitou uma ligação à central. As saídas S1, S2, S3 e S4 indicam se a ligação foi completada pela central ou não. Considerando esse circuito e as informações apresentadas, julgue o item a seguir.
O circuito a seguir é equivalente ao circuito digital apresentado.

Provas

O circuito digital representado faz o controle de acionamento de uma central telefônica que possui quatro ramais. As entradas R1, R2, R3 e R4 significam que o respectivo ramal solicitou uma ligação à central. As saídas S1, S2, S3 e S4 indicam se a ligação foi completada pela central ou não. Considerando esse circuito e as informações apresentadas, julgue o item a seguir.
Para o circuito apresentado, apenas duas ligações podem ser completadas simultaneamente; os ramais R1 e R2 têm prioridade sobre o ramal R3; e o ramal R3 tem prioridade sobre o ramal R4, ao tentar realizar uma chamada.
Provas

O mecanismo de came mostrado na figura acima tem a função de elevar caixas de uma correia transportadora para outra, repetidamente. A sequência de movimentos do seguidor é:
• elevação: 50 mm em 1,2 s;
• permanência: 0,4 s;
• descida: 25 mm em 0,9 s;
• permanência: 0,6 s;
• descida: 25 mm em 0,9 s.
A partir dessas informações, julgue o próximo item.
No mecanismo em tela, a velocidade de rotação do came é igual a 15 rpm.
Provas
Disciplina: Engenharia Aeronáutica e Espacial
Banca: CESPE / CEBRASPE
Orgão: TELEBRAS

Um foguete é lançado da superfície da Terra em um processo de três estágios, conforme descritos a seguir e esquematicamente ilustrados na figura anterior.
• Estágio 1 – O foguete é acelerado uniformemente até o ponto A, de altura hA, com uma aceleração !$ \vec{a} !$, cujo módulo é igual ao valor da aceleração da gravidade g na superfície da Terra.
• Estágio 2 – O foguete mantém-se em movimento retilíneo uniforme vertical ascendente até o ponto B, de altura hB.
• Estágio 3 – O foguete faz uma curva circular de raio RC até o ponto C, de tal modo que sua direção de movimento sofra uma alteração de 90 graus. O módulo de sua velocidade permanece constante e igual ao módulo da velocidade do foguete no estágio 2.
velocidade do foguete nos estágios 2 e 3 é representada por !$ \vec{v} !$. Nos três estágios, atuam sempre sobre o foguete a sua força de impulsão !$ \vec{F} !$ e a força !$ \vec{P} !$, devido à atração gravitacional da Terra. No estágio 1, além dessas forças, atua, também, uma força de resistência do ar !$ \vec{R} !$, que sempre aponta na direção contrária à direção do movimento. Depois do estágio 3, o foguete fica livre e sob a ação apenas da força gravitacional da Terra. Nessa fase, a posição do foguete pode ser descrita a partir de sua distância !$ r !$ até o centro da Terra e o ângulo polar !$ \theta !$ entre a direção da linha radial que liga o centro da Terra até o foguete, e a direção do foguete ao final do estágio 3. As massas da Terra e do foguete são, respectivamente, representadas por mT e mf. A massa da Terra está distribuída, uniformemente, em uma esfera de raio R. As distâncias indicadas nos estágios 1, 2 e 3, em função do raio da Terra R, são, respectivamente, hA = 0,02 R, hB = 5 R e RC = R.
Acerca dessa situação hipotética e considerando-se que a massa do foguete permanece constante ao longo de seu movimento, que a aceleração da gravidade g valha 10 m/s2 e que o raio da Terra R seja igual a 6.500 km, julgue o item subsecutivo.
A conservação do momento angular implica que a velocidade angular !$ \omega = |\theta| !$ seja dada por !$ \omega = \dfrac{7R}{r^2}|\vec{v}| !$, quando o foguete sai do estágio 3.
Provas
Disciplina: Engenharia Aeronáutica e Espacial
Banca: CESPE / CEBRASPE
Orgão: TELEBRAS

Um foguete é lançado da superfície da Terra em um processo de três estágios, conforme descritos a seguir e esquematicamente ilustrados na figura anterior.
• Estágio 1 – O foguete é acelerado uniformemente até o ponto A, de altura hA, com uma aceleração !$ \vec{a} !$, cujo módulo é igual ao valor da aceleração da gravidade g na superfície da Terra.
• Estágio 2 – O foguete mantém-se em movimento retilíneo uniforme vertical ascendente até o ponto B, de altura hB.
• Estágio 3 – O foguete faz uma curva circular de raio RC até o ponto C, de tal modo que sua direção de movimento sofra uma alteração de 90 graus. O módulo de sua velocidade permanece constante e igual ao módulo da velocidade do foguete no estágio 2.
velocidade do foguete nos estágios 2 e 3 é representada por !$ \vec{v} !$. Nos três estágios, atuam sempre sobre o foguete a sua força de impulsão !$ \vec{F} !$ e a força !$ \vec{P} !$, devido à atração gravitacional da Terra. No estágio 1, além dessas forças, atua, também, uma força de resistência do ar !$ \vec{R} !$, que sempre aponta na direção contrária à direção do movimento. Depois do estágio 3, o foguete fica livre e sob a ação apenas da força gravitacional da Terra. Nessa fase, a posição do foguete pode ser descrita a partir de sua distância !$ r !$ até o centro da Terra e o ângulo polar !$ \theta !$ entre a direção da linha radial que liga o centro da Terra até o foguete, e a direção do foguete ao final do estágio 3. As massas da Terra e do foguete são, respectivamente, representadas por mT e mf. A massa da Terra está distribuída, uniformemente, em uma esfera de raio R. As distâncias indicadas nos estágios 1, 2 e 3, em função do raio da Terra R, são, respectivamente, hA = 0,02 R, hB = 5 R e RC = R.
Acerca dessa situação hipotética e considerando-se que a massa do foguete permanece constante ao longo de seu movimento, que a aceleração da gravidade g valha 10 m/s2 e que o raio da Terra R seja igual a 6.500 km, julgue o item subsecutivo.
A condição para que o foguete escape de uma órbita fechada em torno da Terra e se afaste indefinidamente dela é dada por !$ |vec{a}| \ge \dfrac{50}{\sqrt{50}}g !$
Provas
Caderno Container