Foram encontradas 50 questões.
O custo direto, acrescido do BDI, forma o preço de venda de uma obra. Considerando essa informação, assinale a alternativa que apresenta tributo que não está inserido no BDI.
Provas
Uma obra possui a seguinte composição orçamentária:
- custo direto (CD): R$ 350.000,00;
- custo indireto (CI): R$ 30.000,00;
- custos acessórios (CA):
a) administração central: 2% sobre CD mais CI; e
b) custo financeiro: 2% sobre CD mais CI;
- tributos: 6%; e
- lucro: 10% sobre o valor do contrato.
Considerando essa situação hipotética, assinale a alternativa que apresenta o valor do BDI (benefício e despesas indiretas) da obra.
Provas
Antes da elaboração de um projeto de grande magnitude, há a necessidade de se realizar estudos de viabilidade técnico-econômica. Pelas características das ações, seus impactos afetam de forma significativa os meios físicos, biológicos e antrópicos. Com relação a esse assunto, é correto afirmar que
Provas
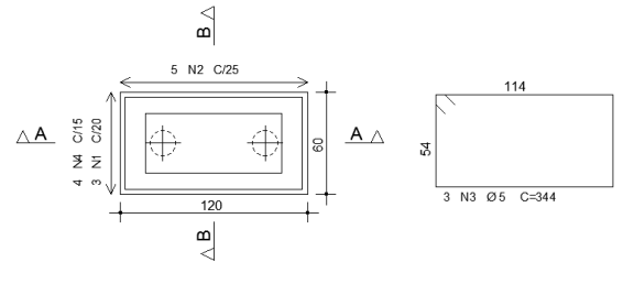
Figura para as questões 23 e 24.



Com base na figura, considerando que o lastro de concreto abaixo do bloco dispense o uso de formas na base e que as formas não sejam reaproveitadas, assinale a alternativa que apresenta o total de formas a serem utilizadas na concretagem dos blocos da obra.
Provas
Figura para as questões 23 e 24.



A figura acima mostra o detalhe de um projeto de fundação de um edifício. Supondo que haja dez blocos de fundação semelhantes ao mostrado na figura e que, com exceção das bitolas, todas as medidas estejam em centímetros, desconsiderando as perdas, assinale a alternativa que apresenta o valor da armadura de aço 5.0 (CA-60) para todos os blocos.
Provas
- Gerenciamento, Planejamento e Controle de ObrasMétodo do Caminho Crítico
- Gerenciamento, Planejamento e Controle de ObrasOrçamento
Atividade | Atividade precedente | Duração (dias) |
A | - | 4 |
B | A | 4 |
C | - | 11 |
D | - | 5 |
E | D | 3 |
F | D | 6 |
G | F | 5 |
H | E;G | 9 |
I | B | 10 |
J | C;H;I | 2 |
Uma determinada obra tem suas atividades dispostas conforme o quadro acima, que indica a duração de cada uma delas e as respectivas atividades precedentes.
Com base nesse caso hipotético e no quadro apresentado, a duração mínima dessa obra equivale a
Provas
Serviços | R$ Total | % | 1º mês | 2º mês | 3º mês | 4º mês | ||||
R$ | % | R$ | % | R$ | % | R$ | % | |||
Terraplanagem | R$ 60.000,00 | 12,0 | R$ 40.000,00 | 66,7 | R$ 20.000,00 | X | ||||
Fundações | R$ 18.000,00 | 3,6 | R$ 10.000,00 | 55,6 | R$ 8.000,00 | 44,4 | ||||
Estruturas de concreto | R$ 75.000,00 | 15,0 | R$ 60.000,00 | 80,0 | R$ 15.000,00 | 20,0 | ||||
Alvenaria | Y | 4,8 | R$ 12.000,00 | 50,0 | ||||||
Instalações Elétricas | R$ 96.000,00 | 19,2 | R$ 25.000,00 | 26,0 | Z | 26,0 | ||||
Instalações Hidrossanitárias | R$ 86.000,00 | 17,2 | ||||||||
Revestimentos | R$ 125.000,00 | 25,0 | ||||||||
Vidros | R$ 3.000,00 | 0,6 | ||||||||
Pintura | R$ 14.000,00 | 2,8 | ||||||||
Total mensal | 0,0 | R$ 40.000,00 | 8,0 | R$ 30.000,00 | 6,0 | R$ 93.000,00 | 18,6 | R$ 52.000,00 | 10,4 | |
Geral Acumulado | R$ 40.000,00 | 8,0 | R$ 70.000,00 | 14,0 | R$ 163.000,00 | 32,5 | R$ 215.000,00 | 42,9 | ||
A figura acima ilustra o trecho do cronograma físico-financeiro de uma determinada obra com valores arredondados. Analisando essa tabela, assinale a alternativa que apresenta os valores aproximados de X, Y e Z, respectivamente.
Provas

A figura acima mostra a tela de autenticação (login) do Windows 8. O botão
localizado no canto inferior esquerdo da tela, é destinado a
Provas
Um anagrama de determinada palavra é uma “palavra” — que pode ou não ter significado — formada pelas mesmas letras da palavra dada inicialmente. Assim, a quantidade de anagramas que se pode formar com a palavra TERRACAP, de modo que as quatro primeiras letras sejam os anagramas de RRAA — as letras repetidas da palavra dada — é
Provas
Considere-se que determinada categoria profissional tenha conseguido da classe patronal uma gratificação de produtividade a ser paga mensalmente, mas que decresceria, anualmente, até que houvesse mudanças na política econômica do país e a empresa voltasse a crescer. No primeiro ano, o valor do abono correspondia a !$ \dfrac{2}{5} !$ da renumeração da categoria profissional. No segundo ano, o abono seria de !$ \dfrac{2}{5} !$ do valor do abono do ano anterior e assim sucessivamente. Se, no terceiro ano, o valor do abono foi de R$ 600,00, então a remuneração dessa categoria profissional era
Provas
Caderno Container