Foram encontradas 1.387 questões.
A respeito da proteção de barramentos de baixa tensão domiciliares, julgue os próximos itens.
O uso de dispositivo diferencial-residual (DR) em uma instalação elétrica dispensa o uso de condutor de proteção.
Provas
As subestações em alta e extra-alta tensões precisam ser protegidas nos pontos de entrada e saída de linha, principalmente, contra surtos atmosféricos. Os pára-raios são equipamentos fundamentais nessas situações. Com relação a esse assunto, julgue os itens subseqüentes.
Os pára-raios são pouco eficientes para a proteção de subestações com arranjo em anel. Isso ocorre porque, nesse tipo de arranjo, a área da subestação é muito maior comparativamente ao de uma subestação com arranjo do tipo barra simples.
Provas
As subestações em alta e extra-alta tensões precisam ser protegidas nos pontos de entrada e saída de linha, principalmente, contra surtos atmosféricos. Os pára-raios são equipamentos fundamentais nessas situações. Com relação a esse assunto, julgue os itens subseqüentes.
Por protegerem equipamentos de grande porte, os pára-raios são bastante caros em comparação aos equipamentos que protegem.
Provas
As subestações em alta e extra-alta tensões precisam ser protegidas nos pontos de entrada e saída de linha, principalmente, contra surtos atmosféricos. Os pára-raios são equipamentos fundamentais nessas situações. Com relação a esse assunto, julgue os itens subseqüentes.
Os pára-raios atuam como limitadores de tensão, impedindo que valores acima de um valor preestabelecido possam alcançar os equipamentos protegidos por eles.
Provas
A respeito de transformadores de potencial (TP) e de transformadores de corrente (TC), julgue os seguintes itens.
Em qualquer situação, haverá prejuízo no desempenho, na vida útil e no nível de isolação de um TC, se ele operar carregado plenamente até o limite térmico.
Provas
A respeito de transformadores de potencial (TP) e de transformadores de corrente (TC), julgue os seguintes itens.
Os instrumentos alimentados por TP têm altíssima impedância e baixa corrente de entrada.
Provas
A respeito de transformadores de potencial (TP) e de transformadores de corrente (TC), julgue os seguintes itens.
O erro de transformação, definido pela classe de exatidão, é o fator que limita a máxima potência em um TP.
Provas

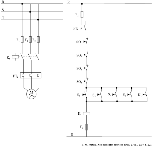
A figura acima mostra o esquema dos circuitos de comando e de força para acionamento de um motor de indução trifásico. Considerando que todos os componentes estejam corretamente dimensionados e instalados no circuito, julgue os itens seguintes.
O motor pode ser comandado de mais de um ponto, dependendo do botão a ser pressionado.
Provas

A figura acima mostra o esquema dos circuitos de comando e de força para acionamento de um motor de indução trifásico. Considerando que todos os componentes estejam corretamente dimensionados e instalados no circuito, julgue os itens seguintes.
Se, após longo tempo de funcionamento, o motor desligar-se, repentinamente, em razão de sobrecarga ocasionada por carga mecânica além da permitida para o funcionamento normal do motor, será correto inferir que, muito provavelmente, todos os fusíveis no circuito de força atuaram.
Provas

A figura acima mostra o esquema dos circuitos de comando e de força para acionamento de um motor de indução trifásico. Considerando que todos os componentes estejam corretamente dimensionados e instalados no circuito, julgue os itens seguintes.
O circuito de comando permite a reversão do sentido de rotação do motor, mesmo após o motor ser acionado.
Provas
Caderno Container