Foram encontradas 1.387 questões.

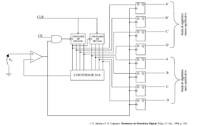
Considerando o circuito esquematizado na figura acima, que efetua conversão análogo-digital, no qual a tensão de entrada VE varia de 0 a 9,9 V, julgue os itens subseqüentes.
Se, na saída do contador, o algarismo mais significativo for representado pelo número binário 0111 e o menos significativo, por 0100, a entrada analógica VE correspondente será igual a 4,7 V.
Provas

Considerando o circuito esquematizado na figura acima, que efetua conversão análogo-digital, no qual a tensão de entrada VE varia de 0 a 9,9 V, julgue os itens subseqüentes.
Para aumentar a precisão dos algarismos, pode-se alterar o circuito inserindo-se mais contadores de década, sendo necessário também aumentar o número de flip-flops de saída.
Provas

Considerando o circuito esquematizado na figura acima, que efetua conversão análogo-digital, no qual a tensão de entrada VE varia de 0 a 9,9 V, julgue os itens subseqüentes.
Caso a tensão de entrada VE seja igual a 1,5 V, o contador irá parar a contagem no estado 15.
Provas

Considerando o circuito esquematizado na figura acima, que efetua conversão análogo-digital, no qual a tensão de entrada VE varia de 0 a 9,9 V, julgue os itens subseqüentes.
Os contadores de décadas no circuito mostrado permitem uma contagem de estado de 0 a 9910- .
Provas
Acerca dos motores de indução trifásicos, julgue os itens a seguir.
No ensaio de rotor bloqueado, há corrente nominal circulando nos enrolamentos do estator da máquina.
Provas
Acerca dos motores de indução trifásicos, julgue os itens a seguir.
O escorregamento é nulo no instante da partida do motor.
Provas
Julgue os itens subseqüentes, relativos a máquinas síncronas trifásicas.
Se um gerador síncrono possui 8 pólos e opera em uma velocidade de 900 rpm, então a freqüência da tensão gerada é igual a 60 Hz.
Provas
Julgue os itens subseqüentes, relativos a máquinas síncronas trifásicas.
O motor síncrono, quando opera sobreexcitado, apresenta fator de potência indutivo.
Provas
Julgue os itens subseqüentes, relativos a máquinas síncronas trifásicas.
As máquinas síncronas podem ser de pólos salientes ou nãosalientes. As de pólos salientes operam em baixa velocidade, enquanto as de pólos não-salientes, em alta velocidade.
Provas
Considere que três transformadores monofásicos de 50 kVA, 2.300 / 230 V e 60 Hz sejam conectados para formar um banco trifásico de 4.000 / 230 V, que alimenta uma carga trifásica de 120 kVA e 230 V, com fator de potência 0,85 indutivo. Com relação a essa situação, julgue o item a seguir.
Nessas condições, a corrente de linha que flui para a carga é inferior a 250 A.
Provas
Caderno Container