Foram encontradas 532 questões.

Três motores trifásicos (M) são alimentados a partir de um barramento cuja tensão é de 200 V eficazes entre fases, conforme mostrado na figura acima. A potência mecânica (P), o fator de potência (cos \( φ \)) e o rendimento (\( \eta \)) de cada motor são indicados na figura. Suponha que os motores não partem simultaneamente e que o fator de demanda seja unitário. Desconsiderando a queda de tensão, qual deve ser a capacidade mínima de corrente, em A, do alimentador indicado na figura?
Provas

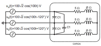
Considerando que o sistema trifásico acima esteja equilibrado, é correto afirmar que as potências complexas em cada uma das impedâncias que compõem a carga trifásica possuem módulos
Provas

Considere o circuito trifásico mostrado na figura acima. Para que o fator de potência da carga seja unitário, o valor, em mF, da capacitância C1 deve ser
Provas

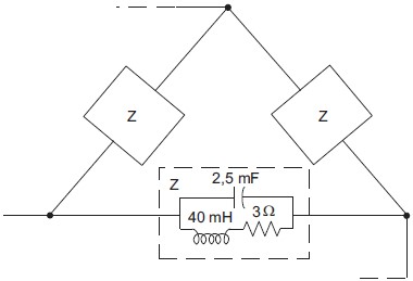
A figura acima apresenta uma carga trifásica equilibrada ligada em triângulo, onde Z representa a impedância em cada ramo do triângulo. Considere que esta carga esteja ligada a uma fonte trifásica senoidal com freqüência \( ω \) = 100 rad/s. O fator de potência apresentado por esta carga é
Provas

A figura acima apresenta um circuito alimentado por duas fontes de tensão em corrente contínua. Os valores das resistências estão em ohms. Considere que o circuito esteja funcionando em regime permanente, com a chave S fechada.
Em determinado instante, a chave S é aberta. O módulo da corrente IC, em ampères, imediatamente após a abertura da chave S, é
Provas

A figura acima apresenta um circuito alimentado por duas fontes de tensão em corrente contínua. Os valores das resistências estão em ohms. Considere que o circuito esteja funcionando em regime permanente, com a chave S fechada.
A corrente IR, em ampères, indicada na figura, que atravessa o resistor de 3 ohms é
Provas

No circuito da figura acima, considere Z uma impedância. Para que a tensão no ponto X do circuito seja 5 V \( \angle \) 0°, o valor da impedância Z, em ohms, será:
Provas

Considere o circuito e os valores dos componentes mostrados na figura acima. A chave S é fechada no tempo t=0 e o capacitor se encontra inicialmente descarregado. A expressão matemática da tensão vc(t), em volts, sobre o capacitor, para t \( \ge \) 0, é
Provas
Usando-se a opção Executar do menu Iniciar para acessar o Registro do Windows XP, deve-se digitar o nome do programa
Provas
As melhorias da barra de tarefas do Windows XP incluem, entre outros, dois recursos principais que são:
Provas
Caderno Container