Foram encontradas 532 questões.
Um sinal de voz foi gerado a partir de uma conversação telefônica de 2 horas de duração. Este sinal foi digitalizado e armazenado em um arquivo de áudio cujo formato usa, como parâmetros de digitalização, uma taxa de 16 bits/amostra e uma freqüência de amostragem de 40 kHz. A dimensão do arquivo, em megabytes, é:
Provas
Seja um transformador de \( 33\sqrt{3} \)MVA, 33 kV/11 kV, conectado em \( Δ \)/Y, com proteção de sobrecorrente no lado de baixa tensão, conforme mostrado na figura abaixo.

Considere as relações de transformação dos TC mostradas na figura. Quando o carregamento do transformador for igual a 120% da potência nominal, o valor da corrente ir do relé, em A, será:
(Dado: \( \sqrt{3} \) \( \cong \) 1,73 )
Provas

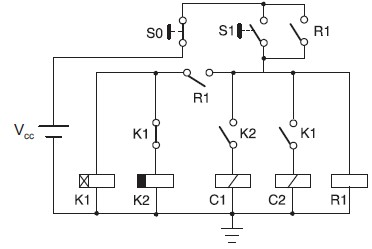
A figura apresenta o circuito de controle para o acionamento de duas máquinas trifásicas em uma instalação fabril, comandadas por intermédio dos contatores C1 e C2. As chaves S0 e S1 são do tipo sem retenção. A ação de acionar uma chave significa apertá-la e, em seguida, deixá-la retornar à sua posição inicial. O relé K1 é do tipo com retardo na ligação, programado para 2 minutos, enquanto o relé K2 é do tipo com retardo no desligamento, programado para 20 minutos. Considere que a última ação do operador ao final de cada expediente seja o acionamento da chave S0.
Ao iniciar o expediente do dia 02/09, o operador acionou a chave S1 às 8h e a chave S0, 15 minutos depois. De acordo com o circuito e em condições normais de funcionamento, é correto afirmar que
Provas

A figura apresenta o circuito de controle para o acionamento de duas máquinas trifásicas em uma instalação fabril, comandadas por intermédio dos contatores C1 e C2. As chaves S0 e S1 são do tipo sem retenção. A ação de acionar uma chave significa apertá-la e, em seguida, deixá-la retornar à sua posição inicial. O relé K1 é do tipo com retardo na ligação, programado para 2 minutos, enquanto o relé K2 é do tipo com retardo no desligamento, programado para 20 minutos. Considere que a última ação do operador ao final de cada expediente seja o acionamento da chave S0.
Após iniciar o expediente do dia 01/09, o operador acionou a chave S1 às 8h. Com relação ao funcionamento normal do circuito e não ocorrendo novas interferências do operador, a máquina comandada por
Provas
Atualmente existe uma preocupação constante em utilizar a energia elétrica de forma mais eficiente. Sob o ponto de vista do consumidor, diversas medidas podem ser adotadas de modo a diminuir os gastos decorrentes da utilização de energia. Atuando-se no fator de carga de uma instalação, de modo a elevá-lo próximo à unidade, é possível
I - diminuir a demanda de potência da instalação;
II - diminuir o consumo de energia elétrica;
III - elevar o fator de potência.
É(São) correta(s) APENAS a(s) possibilidade(s)
Provas

A figura mostra a resposta ao degrau unitário de uma planta linear monovariável. Considere que o modelo desta planta possa ser aproximado por uma função de transferência de segunda ordem. Entre as funções de transferência apresentadas, aquela que melhor representa o modelo da planta é
Provas

Considere o sistema trifásico mostrado na figura acima, onde Zp e Zm são, respectivamente, as impedâncias próprias e mútuas entre os elementos. A impedância de seqüência zero do circuito mostrado na figura é
Provas

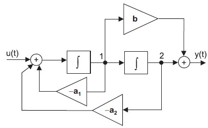
O diagrama da figura acima apresenta um sistema com dois integradores ideais, sendo os blocos com as grandezas a1, a2 e b, amplificadores com ganhos constantes.
Considere que x1(t) é o sinal no ponto 1, que x2(t) é o sinal no ponto 2 do diagrama e que \( X(t)=\begin{bmatrix} x_1(t)\\x_2(t) \end{bmatrix} \) é o vetor de estados. A matriz da dinâmica A e o vetor de saída C, da representação em espaço de estado deste sistema, respectivamente, são:
Provas

O diagrama da figura acima apresenta um sistema com dois integradores ideais, sendo os blocos com as grandezas a1, a2 e b, amplificadores com ganhos constantes.
A função de transferência \( \dfrac{Y(s)}{U(s)} \) que relaciona a saída à entrada é
Provas

A curva de tensão periódica mostrada na figura é aplicada sobre uma carga resistiva de 100 \( Ω \). A potência média, em W, dissipada nesta carga é
Provas
Caderno Container