Foram encontradas 1.320 questões.

A figura acima mostra um transformador ideal alimentando uma carga cuja impedância é Z2 . A relação de transformação normalizada do transformador é 1:n, conforme indicado na figura.
A impedância equivalente, vista do lado da fonte, em função da impedância Z2 e da relação de transformação, é
Provas
Questão presente nas seguintes provas

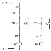
A figura acima mostra o esquema de acionamento de um motor de indução que permite fazer a reversão de rotação desse motor manualmente.
Para que esse esquema funcione, conforme descrito acima, o diagrama do circuito de controle é
Provas
Questão presente nas seguintes provas
- EletrotécnicaCircuitos Elétricos em Eletricidade
- EletrotécnicaCircuitos de Corrente Contínua e de Corrente Alternada

No circuito da figura acima, a leitura feita pelo voltímetro é zero.
De acordo com as informações apresentadas, o valor, em ohms, da resistência Rx é
Provas
Questão presente nas seguintes provas
- EletrotécnicaCircuitos Elétricos em Eletricidade
- EletrotécnicaCircuitos de Corrente Contínua e de Corrente Alternada

Partindo do circuito em repouso, qual a quantidade mínima de acionamentos do botão de impulso B1 necessária para que o circuito se encontre no seu estado final?
Provas
Questão presente nas seguintes provas
- EletrotécnicaCircuitos Elétricos em Eletricidade
- EletrotécnicaCircuitos de Corrente Contínua e de Corrente Alternada

Provas
Questão presente nas seguintes provas
- EletrotécnicaCircuitos Elétricos em Eletricidade
- EletrotécnicaCircuitos de Corrente Contínua e de Corrente Alternada

Uma fonte de tensão monofásica senoidal (Fonte CA), com valor de pico de 200 V e frequência de 60 Hz, está ligada em série com uma fonte de tensão contínua (Fonte CC), com valor de 50 V. As duas fontes alimentam uma carga puramente resistiva, conforme apresentado na figura acima.
Qual o valor eficaz da tensão, em volts, na carga resistiva?
Provas
Questão presente nas seguintes provas

Duas cargas elétricas estão posicionadas a uma certa distância uma da outra, conforme mostra a figura acima. Num ponto intermediário P, é colocada uma carga de prova positiva.
Qual o valor da carga Q, em µC, para que a resultante das forças em P seja nula?
Provas
Questão presente nas seguintes provas
- EletrotécnicaCircuitos Elétricos em Eletricidade
- EletrotécnicaCircuitos de Corrente Contínua e de Corrente Alternada

O circuito elétrico da figura acima é formado por uma fonte de tensão alternada que alimenta duas impedâncias, cujos valores são dados no circuito.
O valor do fasor de tensão V1 , em volts, medido sobre o resistor de 20 ohms, é
Provas
Questão presente nas seguintes provas
- EletrotécnicaCircuitos Elétricos em Eletricidade
- EletrotécnicaCircuitos de Corrente Contínua e de Corrente Alternada

Considere o circuito resistivo da figura acima, alimentado por duas fontes de tensão contínuas. Com base nos valores da figura, qual a tensão, em V, no nó marcado pela letra X?
Provas
Questão presente nas seguintes provas
A NR 10 estabelece zonas de trabalho específicas nas instalações elétricas, determinando a permissão de acesso de acordo com a faixa de tensão nominal da instalação elétrica e a proximidade do ponto de instalação energizado.
Segundo essa norma, como é denominada a zona cuja aproximação só é permitida a profissionais autorizados e com a adoção de técnicas e instrumentos apropriados de trabalho?
Segundo essa norma, como é denominada a zona cuja aproximação só é permitida a profissionais autorizados e com a adoção de técnicas e instrumentos apropriados de trabalho?
Provas
Questão presente nas seguintes provas
Cadernos
Caderno Container