Foram encontradas 70 questões.
A Lei nº
10.336, de 19 de dezembro de 2001, instituiu a
Contribuição de Intervenção no Domínio Econômico incidente sobre a importação e a comercialização de petróleo
e seus derivados, gás natural e seus derivados e álcool
etílico combustível (Cide-Combustíveis).
Uma pessoa jurídica autorizada pela ANP efetuou a importação de 1.000.000 litros de gasolina.
No que concerne à incidência da Cide na operação, constata-se que a
No que concerne à incidência da Cide na operação, constata-se que a
Provas
Questão presente nas seguintes provas
Andar descalço sobre o calçadão de Copacabana em um
dia ensolarado é uma tarefa difícil. O chão é composto
por pedras portuguesas que ficam muito quentes sob a
intensa radiação solar. Felizmente, o calçadão foi construído intercalando pedras brancas e pretas, como mostra
a Figura. Dessa forma, as pedras brancas ficam menos
quentes do que as pretas e é então possível caminhar
sobre elas.
As pedras pretas ficam mais quentes do que as brancas porque
As pedras pretas ficam mais quentes do que as brancas porque
Provas
Questão presente nas seguintes provas
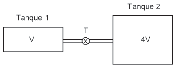
Dois tanques fechados de volumes V e 4V estão conectados por meio de um tubo de volume desprezível provido de uma
válvula T, inicialmente fechada, como mostra a Figura abaixo.
Inicialmente, o tanque 1 contém 1,40 mol de ar a 1,50 atm, o tanque 2 contém 0,700 mol de ar, e todo o sistema está em equilíbrio térmico com a vizinhança. Considere o ar um gás ideal. A válvula então é aberta. Após um tempo, o sistema atinge novamente a temperatura inicial.
Nessa situação final, a pressão no tanque 1, em atm, será, aproximadamente, de
Inicialmente, o tanque 1 contém 1,40 mol de ar a 1,50 atm, o tanque 2 contém 0,700 mol de ar, e todo o sistema está em equilíbrio térmico com a vizinhança. Considere o ar um gás ideal. A válvula então é aberta. Após um tempo, o sistema atinge novamente a temperatura inicial.
Nessa situação final, a pressão no tanque 1, em atm, será, aproximadamente, de
Provas
Questão presente nas seguintes provas
Em um laboratório, uma determinada quantidade de gás
hélio é colocada em um tanque provido de sensores de
volume, temperatura e pressão. Por meio de um êmbolo, o volume do gás hélio, considerado ideal, pode ser alterado sem que haja vazamentos. A temperatura do gás
também pode ser ajustada. O sistema foi ajustado para
quatro estados de equilíbrio termodinâmico, e os resultados das medições de pressão e volume foram registrados
no gráfico mostrado na Figura abaixo.
A razão T1/T3 entre as temperaturas dos estados 1 e 3 é, aproximadamente,
A razão T1/T3 entre as temperaturas dos estados 1 e 3 é, aproximadamente,
Provas
Questão presente nas seguintes provas
Em um experimento, é fornecido calor a uma substância, inicialmente no estado sólido, que promove seu aquecimento e
mudança de estado físico. O calor de vaporização da substância vale 200 cal.g-1. O gráfico do calor recebido em função
da temperatura da substância é mostrado na Figura abaixo.

O calor específico dessa substância no estado líquido, em cal.g-1.°C-1, é, aproximadamente,

O calor específico dessa substância no estado líquido, em cal.g-1.°C-1, é, aproximadamente,
Provas
Questão presente nas seguintes provas
Considere o texto a seguir:
Estimativas do hiato do produto (isto é, a diferença entre o PIB corrente e o PIB potencial) para a economia brasileira apontam para -7% a -8% e com um fechamento lento, somente no começo da próxima década. Além disso, as projeções de mercado apontam para inflação abaixo da meta até dezembro de 2019.
REZENDE, F. Qual o futuro dos juros? Valor Econômico, São Paulo, 3, 4, 5 mar. 2018.
Se as estimativas e projeções mencionadas no texto estiverem corretas, supondo tudo o mais constante, um banco central cuja política monetária se baseie estritamente numa regra de Taylor, em que são conferidos pesos iguais aos objetivos de atingir a meta de inflação e o produto potencial, deveria
Estimativas do hiato do produto (isto é, a diferença entre o PIB corrente e o PIB potencial) para a economia brasileira apontam para -7% a -8% e com um fechamento lento, somente no começo da próxima década. Além disso, as projeções de mercado apontam para inflação abaixo da meta até dezembro de 2019.
REZENDE, F. Qual o futuro dos juros? Valor Econômico, São Paulo, 3, 4, 5 mar. 2018.
Se as estimativas e projeções mencionadas no texto estiverem corretas, supondo tudo o mais constante, um banco central cuja política monetária se baseie estritamente numa regra de Taylor, em que são conferidos pesos iguais aos objetivos de atingir a meta de inflação e o produto potencial, deveria
Provas
Questão presente nas seguintes provas
Admita que, após decidir aumentar em 10% os preços
unitários de determinada mercadoria, uma empresa se
defronte com uma queda de 15% na quantidade vendida.
Nesse caso, relativamente aos preços, os dados sugerem que a referida mercadoria possui demanda
Nesse caso, relativamente aos preços, os dados sugerem que a referida mercadoria possui demanda
Provas
Questão presente nas seguintes provas
A Tabela abaixo discrimina os resultados do produto interno bruto (PIB) brasileiro em 2001 e 2002, de acordo com o
Instituto Brasileiro de Geografia e Estatística (IBGE):

IBGE. Disponível em: <https://ww2.ibge.gov.br/home/estatistica/ economia/contasnacionais/2013/defaulttab_retropoladas_xls. shtm>. Acesso em: 4 mar. 2018.
De acordo com os dados informados, a economia brasileira experimentou, em 2002,

IBGE. Disponível em: <https://ww2.ibge.gov.br/home/estatistica/ economia/contasnacionais/2013/defaulttab_retropoladas_xls. shtm>. Acesso em: 4 mar. 2018.
De acordo com os dados informados, a economia brasileira experimentou, em 2002,
Provas
Questão presente nas seguintes provas
Em 2017, após atravessar, no biênio anterior, um dos processos recessivos mais longos e intensos de sua história, a economia brasileira registrou expansão de 1% em
seu produto interno bruto real. A tabela abaixo registra as
variações percentuais do PIB real em 2017, segundo os
componentes da demanda agregada.

IBGE. Contas Nacionais Trimestrais: Indicadores de Volume e Valores Correntes, Outubro-Dezembro, 2017, Gráfico II.4, p.17. Disponível em: <https://agenciadenoticias.ibge. gov.br/media/com_mediaibge/arquivos/5452d8356484c9bf1 15862b4f64d9079.pdf>. Acesso em: 4 mar. 2018.
De acordo com os valores informados, a recuperação em curso da economia brasileira pode ser atribuída principalmente ao (à):

IBGE. Contas Nacionais Trimestrais: Indicadores de Volume e Valores Correntes, Outubro-Dezembro, 2017, Gráfico II.4, p.17. Disponível em: <https://agenciadenoticias.ibge. gov.br/media/com_mediaibge/arquivos/5452d8356484c9bf1 15862b4f64d9079.pdf>. Acesso em: 4 mar. 2018.
De acordo com os valores informados, a recuperação em curso da economia brasileira pode ser atribuída principalmente ao (à):
Provas
Questão presente nas seguintes provas
Uma certa distribuidora comercializa as gasolinas comum
e premium com índices antidetonantes (IAD) mínimos de
87 e 91, respectivamente, e um tipo de gasolina de alto
desempenho, com IAD médio de 97 unidades.
O IAD está relacionado à(ao)
O IAD está relacionado à(ao)
Provas
Questão presente nas seguintes provas
Cadernos
Caderno Container