Foram encontradas 1.700 questões.
Disciplina: Engenharia Ambiental e Sanitária
Banca: CESGRANRIO
Orgão: Transpetro
Um topógrafo, estacionado no ponto A, utilizou um teodolito analítico para realizar uma visada horizontal (perpendicular), conforme a mira abaixo, localizada no ponto B. A leitura do fio superior na mira foi igual a 2,591 m, e a do fio inferior foi igual a 2,443 m e, ainda, a leitura do fio médio foi de 2,517 m.

Qual a distância horizontal, em m, entre o ponto A e o ponto B?
Dado
No caso de uma visada horizontal, o cos² α é igual a 1.
Provas
Provas
- EletrotécnicaCircuitos de Corrente Contínua em Eletrotécnica
- EletrotécnicaCircuitos Elétricos em Eletrotécnica
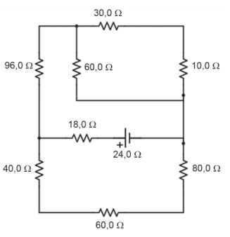
A tensão em V sobre o resistor de 18,0 Ω valeProvas
Dentre as representações utilizadas em eletricidade, o símbolo abaixo corresponde a um

Provas
- EletrotécnicaCircuitos de Corrente Contínua em Eletrotécnica
- EletrotécnicaCircuitos Elétricos em Eletrotécnica
A Lei de Coulomb é dada pela seguinte expressão:
![]()
onde, F é a força elétrica, q1 e q2 são as cargas elétricas, r é a distância entre as cargas e ε é a permissividade elétrica.
A unidade da permissividade elétrica no Sistema Interna
Provas
Provas
Essa estrutura é um tipo de muro de arrimo, denominadoProvas
- Sistemas e Processos Construtivos
- Materiais de construção em Edificações
- Estudos Preliminares
- Planejamento
Provas
Provas
Provas
Caderno Container