Foram encontradas 343 questões.
Respondida
Com relação a uma rede PERT, é correto afirmar que o comprimento de um caminho da rede é a
Respondida
A fiscalização das obras e o acompanhamento da aplicação dos recursos é uma das tarefas mais corriqueiras na atividade profissional do engenheiro civil. Acerca desse tema, assinale a opção correta.
Respondida
Em um serviço de impermeabilização, empregou-se membrana de asfalto frio, moldada no local, com véu de poliéster de
Nessa situação, a quantidade típica mais adequada de emulsão asfáltica, em
a ser utilizada no serviço é
Respondida
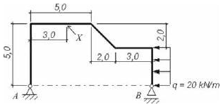
No pórtico rígido, plano e com peso desprezível apresentado na figura acima, submetido ao carregamento uniformemente distribuído indicado, as dimensões são dadas em metros.
No que concerne aos carregamentos transferidos aos apoios do pórtico, assinale a opção correta.
Respondida
No pórtico rígido, plano e com peso desprezível apresentado na figura acima, submetido ao carregamento uniformemente distribuído indicado, as dimensões são dadas em metros.
Para as condições apresentadas na figura, é correto afirmar que o módulo M do momento fletor no ponto X, em kNm, é
Respondida
O desenho acima ilustra um circuito de aterramento de uma instalação elétrica. O símbolo indicado por A identifica
Respondida
A caixa neutralizadora, um dos componentes de instalações prediais de esgotos sanitários,
Respondida
Com relação a serviços de pintura, tintas, vernizes e resinas, assinale a opção correta.
Respondida
Com relação à receita pública, suas características, sua contabilização e evidenciação, assinale a opção correta.
A
Durante a execução do orçamento público, há o registro da receita orçamentária em algumas transações, mesmo não havendo ingressos efetivos, devido à necessidade de autorização legislativa para sua realização. Transações como aquisições financiadas de bens e arrendamento mercantil financeiro são registradas como receita orçamentária e despesa orçamentária, pois são consideradas operação de crédito, segundo a Lei de Responsabilidade Fiscal (LRF).
B
As receitas extraorçamentárias são ingressos provenientes do pagamento das despesas realizadas na modalidade de aplicação 91 - Aplicação direta decorrente de operação entre órgãos, fundos e entidades integrantes do orçamento fiscal e o da seguridade social. Dessa forma, durante o processo de consolidação das contas públicas, é necessário conciliar as contas porque essas despesas e receitas não são identificadas automaticamente e podem proporcionar duplas contagens decorrentes de sua inclusão no orçamento.
C
Destinação de recursos é o processo pelo qual os recursos públicos, desde a previsão da receita até sua efetiva utilização, são correlacionados a uma aplicação. Um exemplo de destinação é aquela derivada de convênios e contratos de empréstimos, caracterizada como destinação ordinária porque permite a alocação livre entre a origem e a aplicação de recursos para atender a quaisquer finalidades.
D
No ativo compensado, constam as contas de controle da realização da receita e as da fixação da despesa. No passivo compensado, estão as contas de controle da previsão da receita e da execução de despesa. Assim, é possível saber, a qualquer momento, o quanto do total orçado já foi realizado por destinação de recursos, independentemente do detalhamento das contas por destinação de recursos.
E
São reconhecidos como receita orçamentária os recursos financeiros oriundos do superavit financeiro, que é a diferença positiva entre o ativo financeiro e o passivo financeiro, conjugando-se, ainda, os saldos dos créditos adicionais transferidos e as operações de créditos a eles vinculadas.
Respondida
A respeito de despesa pública, suas características, sua contabilização e evidenciação, assinale a opção correta.
A
Geralmente, a despesa efetiva coincide com a despesa de capital. Entretanto, há despesa de capital que não é efetiva, como, por exemplo, as transferências de capital que causam decréscimo patrimonial.
B
Toda unidade orçamentária tem uma estrutura administrativa correspondente, o que pode ser exemplificado por alguns fundos especiais e pela unidade orçamentária denominada transferências a estados, Distrito Federal e municípios.
C
Embora a despesa orçamentária corrente geralmente coincida com a despesa orçamentária efetiva, há despesa orçamentária corrente não efetiva, como a despesa com a aquisição de materiais para estoque e a despesa com adiantamentos. Essas são despesas correntes e, entretanto, representam um fato permutativo.
D
Um exemplo de despesa orçamentária de capital que não é efetiva é a transferência de capital que causa decréscimo patrimonial.
E
A centralização compartilhada de créditos orçamentários, equivalente em significado à transferência e à transposição por modificar o valor da programação ou de suas dotações orçamentárias (créditos adicionais), ocorre quando for efetuada movimentação de parte do orçamento, mantidas a classificação institucional, a funcional, a programática e a econômica, para que outras unidades administrativas possam executar a despesa orçamentária.