Foram encontradas 516 questões.
A punição que deverá ser aplicada ao servidor público, se ficar constatada a inassiduidade habitual, é:
Provas
Questão presente nas seguintes provas
A denominação atual de lesões de classe V com forma de cunha e margens bem definidas causadas por contato oclusal deflexivo é:
Provas
Questão presente nas seguintes provas
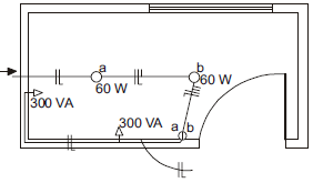
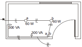
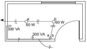
São mostrados abaixo diagramas de iluminação referentes a um quarto residencial. O diagrama que apresenta as ligações corretas é:

Símbolos e convenções:
Provas
Questão presente nas seguintes provas
Quanto aos órgãos da Justiça Eleitoral, é correto afirmar que:
Provas
Questão presente nas seguintes provas
Analise as seguintes definições de diagramas para representações de projetos de instalações elétricas:
I - Diagrama Unifilar - apresenta as partes principais de um sistema elétrico e identifica o número de condutores e seus trajetos, por um único traço C.
II - Diagrama Funcional - apresenta todo o sistema elétrico em seus detalhes e representa todos os condutores, não informa a posição entre os componentes do circuito.
III - Diagrama Multifilar - apresenta todo o sistema elétrico e permite interpretar a seqüência funcional dos circuitos, não caracterizando a posição física dos componentes da instalação.
IV - Diagrama de Distribuição - apresenta todo o sistema elétrico, em funcionamento, com a localização dos elementos na planta, seu trajeto e número de fios por circuito e os dispositivos existentes.
As definições corretas são somente:
Provas
Questão presente nas seguintes provas
Homem, 85 anos hipertenso em uso prolongado de hidroclorotiazida 50 mg/dia, com fratura de colo de fêmur à direita, é operado. Utilizando cetoprofeno 100 mg/dia, apresenta, no sexto dia de pós- operatório, hiponatremia, diurese, preservada, isostenúria e elevação de creatinina sérica. O diagnóstico clínico é:
Provas
Questão presente nas seguintes provas
Paciente apresenta amplo processo infeccioso na região do dente 13. O cirurgião-dentista aplicou anestesia local terminal, nessa região, com uma dose convencional de prilocaína que não surtiu efeito. A seguir, fez uso de mais quatro tubetes de prilocaína, mas o resultado permaneceu o mesmo. O insucesso da anestesia foi devido:
Provas
Questão presente nas seguintes provas
A amamentação noturna pode ser associada à elevada prevalência de cárie porque:
Provas
Questão presente nas seguintes provas
Com relação à possibilidade de Intervenção Federal, assinale a alternativa incorreta:
Provas
Questão presente nas seguintes provas
O transtorno delirante:
Provas
Questão presente nas seguintes provas
Cadernos
Caderno Container