Foram encontradas 60 questões.
Mentes livres
Atualmente, já está muito claro que nossas experiências mentais estão sempre criando estruturas cerebrais que facilitam a resposta rápida a futuras demandas semelhantes. O tema mais importante, no entanto, não é que as estruturas se ampliem sempre, é a liberdade natural da mente, que opera além das estruturas.
Um motorista não é seu carro, nem por onde circula. Ele tem a liberdade de deixar o carro e seguir por outros meios e também de repensar seus trajetos. Ainda assim, se as estradas ficarem bloqueadas ou o carro quebrar, ele terá dificuldade em andar a pé e usará o tempo arrumando o carro ou colocando a estrada em condições de uso. Só ao final de um tempo ele conseguirá ultrapassar as fixações estruturais internas e refazer suas opções.
Em verdade, a liberdade do motorista é tal que nem mesmo motorista ele é. Ele é um ser livre. A prática espiritual profunda conduz a essa liberdade, naturalmente presente. As fixações são o carma. As experiências comuns no mundo, eventos maiores e menores, vão se consolidando como trajetos e redes neurais internas e estruturas cármicas que balizam a operação da mente, estruturando recursos limitados como se fossem as únicas opções, ainda que, essencialmente, a mente siga livre.
As estruturas grosseiras como os espaços das cidades, as ruas físicas, e em um sentido mais amplo tudo o que aciona nossos sentidos físicos, surgem também como resultado das atividades mentais repetitivas, assim como a circulação da energia interna, que é o aspecto sutil. Um automobilista precisa de uma transformação interna e externa complexa para se tornar um ciclista; não é fácil. Já o tripulante do sofá tem dificuldade em incluir exercícios, novos hábitos de alimentação e mudanças na autoimagem – os desafios são idênticos.
Nossos melhores pensamentos constroem mundos melhores e também cérebros melhores. Já os pensamentos aflitivos constroem mundos piores e cérebros com estruturas que conduzem à aflição e à doença.
Tanto os aspectos grosseiros como os sutis flutuam; é visível. A única expressão incessantemente presente e disponível é a liberdade natural silenciosa dentro de nós mesmos. É dessa natureza que surge a energia que, livre de condicionamentos, cria novos caminhos neurais e novas configurações de mundo. Os mestres de sabedoria apontam-na como sempre disponível, mesmo durante experiências como a doença e a morte. É dessa região inabalável que irradiam sua sabedoria, compaixão e destemor.
Provas
Mentes livres
Atualmente, já está muito claro que nossas experiências mentais estão sempre criando estruturas cerebrais que facilitam a resposta rápida a futuras demandas semelhantes. O tema mais importante, no entanto, não é que as estruturas se ampliem sempre, é a liberdade natural da mente, que opera além das estruturas.
Um motorista não é seu carro, nem por onde circula. Ele tem a liberdade de deixar o carro e seguir por outros meios e também de repensar seus trajetos. Ainda assim, se as estradas ficarem bloqueadas ou o carro quebrar, ele terá dificuldade em andar a pé e usará o tempo arrumando o carro ou colocando a estrada em condições de uso. Só ao final de um tempo ele conseguirá ultrapassar as fixações estruturais internas e refazer suas opções.
Em verdade, a liberdade do motorista é tal que nem mesmo motorista ele é. Ele é um ser livre. A prática espiritual profunda conduz a essa liberdade, naturalmente presente. As fixações são o carma. As experiências comuns no mundo, eventos maiores e menores, vão se consolidando como trajetos e redes neurais internas e estruturas cármicas que balizam a operação da mente, estruturando recursos limitados como se fossem as únicas opções, ainda que, essencialmente, a mente siga livre.
As estruturas grosseiras como os espaços das cidades, as ruas físicas, e em um sentido mais amplo tudo o que aciona nossos sentidos físicos, surgem também como resultado das atividades mentais repetitivas, assim como a circulação da energia interna, que é o aspecto sutil. Um automobilista precisa de uma transformação interna e externa complexa para se tornar um ciclista; não é fácil. Já o tripulante do sofá tem dificuldade em incluir exercícios, novos hábitos de alimentação e mudanças na autoimagem – os desafios são idênticos.
Nossos melhores pensamentos constroem mundos melhores e também cérebros melhores. Já os pensamentos aflitivos constroem mundos piores e cérebros com estruturas que conduzem à aflição e à doença.
Tanto os aspectos grosseiros como os sutis flutuam; é visível. A única expressão incessantemente presente e disponível é a liberdade natural silenciosa dentro de nós mesmos. É dessa natureza que surge a energia que, livre de condicionamentos, cria novos caminhos neurais e novas configurações de mundo. Os mestres de sabedoria apontam-na como sempre disponível, mesmo durante experiências como a doença e a morte. É dessa região inabalável que irradiam sua sabedoria, compaixão e destemor.
Provas
- Protocolos e ServiçosAcesso Remoto e TerminalTELNET: Telecommunications Network
- Protocolos e ServiçosInternet e EmailHTTP: Hyper Text Transfer Protocol
- Protocolos e ServiçosInternet e EmailSMTP: Simple Mail Transfer Protocol
- Protocolos e ServiçosTransferência de ArquivosFTP: File Transfer Protocol
- TCP/IPUDP: User Datagram Protocol
A comunicação entre os computadores se faz através de protocolos e serviços oferecidos pelas redes de comunicação de dados. Com base nos protocolos e serviços, relacione adequadamente as colunas a seguir.
1. UDP.
2. HTTP.
3. SMTP.
4. FTP.
5. TELNET
( ) Protocolo que permite a transferência de documentos hipertexto. Por meio desse protocolo pode-se receber as páginas da Internet.
( ) Executa a transferência de arquivos entre sistemas, exigindo senha para entrada e pode “navegar” entre diretórios.
( ) Protocolo de emulação de terminal.
( ) Responsável pela entrega dos dados, porém não garante a sua entrega.
( ) Protocolo responsável pelo envio e recebimento de e-mail.
A sequência está correta em
Provas
I. As unidades ou núcleos socioambientais deverão ter caráter temporário até que se realizem o planejamento, a implementação e o monitoramento das metas anuais de sustentabilidade, para posterior avaliação pelos conselhos socioambientais permanentes. II. O órgão deverá considerar o histórico de consumo da unidade para monitoramento de dados e deverá adotá-lo como critério único no levantamento da real necessidade de consumo, evitando o desperdício de materiais. III. As unidades ou núcleos socioambientais deverão, preferencialmente, ser subordinados à alta administração dos órgãos, tendo em vista as suas atribuições estratégicas e as mudanças de paradigma que suas ações compreendem.
Nos termos da Resolução nº 201/2015 do Conselho Nacional de Justiça, está correto apenas o que se afirma em
Provas
l. O peculato é um crime próprio quanto ao sujeito ativo. II. A reparação do dano, quando precede à sentença irrecorrível, reduz em metade a pena. III. O terceiro que participa do crime, sabendo da qualidade de servidor do seu companheiro criminoso, também responde pelo crime de peculato.
Estão corretas as afirmativas
Provas
Provas
Provas
Analise os dois tipos de sistema de transmissão na figura a seguir.

Assinale a alternativa que apresenta corretamente os dois tipos, 1 e 2, respectivamente:
Provas
Provas
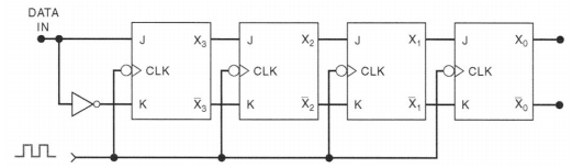
Analise a figura que ilustra um circuito combinacional composto por flip-flops.

É correto afirmar que o circuito representa um:
Provas
Caderno Container