Foram encontradas 1.072 questões.

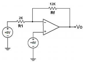
Considere o AOP da figura ideal energizado com fonte simétrica de +/–20V. O valor de Vo é representado na alternativa:
Provas
O circuito a seguir é uma aplicação com diodos de silício = 0,7V. Analise-o.

O valor da tensão Vo sobre R3 e a corrente total do circuito é representada na alternativa:
Provas
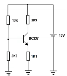
O circuito da figura a seguir representa uma polarização do TBJ. Analise-o.

O ponto quiescente do circuito é representado na alternativa:
(Considere: Vbe = 0,7V e β = 100.)
Provas
- Álgebra Booleana e Circuitos Lógicos
- Eletrônica Digital na Engenharia Eletrônica
- Engenharia de Áudio e Telecomunicações

A tabela representada pela figura anterior possui características elétricas de uma porta lógica da família TTL74LS. A margem de ruído para nível lógico alto é:
Provas
A expressão
, em sua forma simplificada, é representada em:
Provas

A tabela verdade possui expressão através dos métodos soma dos produtos e produto das somas representada na alternativa:
Provas
Analise o circuito a seguir.

Dado o circuito representado pela figura, o valor de VCE e a região de operação do circuito são, respectivamente:
(Considere: Vbe = 0,7V e β = 100.)
Provas

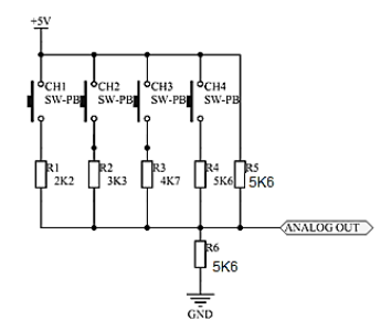
Um sistema microcontrolado possui um conversor analógico digital de 10 bits, com uma tensão de referência de 5V. O teclado representado pela figura anterior está conectado à entrada analógica do microcontrolador. Ao ser pressionada a tecla CH4, o valor convertido retornado em decimal pelo conversor será aproximadamente igual a:
Provas
A figura a seguir mostra uma estrutura para um cabeamento genérico; analise-a.

Neste modelo, o subsistema de cabeamento horizontal é aquele que:
Provas
O circuito representado pela figura a seguir é um grampeador com Zener.

Aplicando uma tensão de 40vpp em Vi conforme figura (a), a forma de onda Vo é melhor representada na alternativa:
(Considere: Z1 e Z2 ideais.)
Provas
Caderno Container