Foram encontradas 1.072 questões.
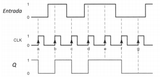
O gráfico da figura ilustra o comportamento da saída Q de um tipo flip-flop em função da entrada e sinal de clock.

Com base na figura anterior conclui-se que o tipo de flip-flop é:
Provas
Assinale a alternativa que apresenta corretamente a função deste filtro.Provas
Dado o circuito, classifique-o conforme as suas funções respectivamente.

Provas
A figura ilustra dois amplificadores operacionais em série; analise-a.

Qual o valor do ganho de tensão global, ou seja, a relação entre Vo / Vi?
Provas

O valor da tensão média sobre a carga (RL = 1KΩ) e a corrente que percorre são, respectivamente: (Considere o ângulo de disparo igual a 30° e cos 30 = 0.86.)
Provas

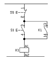
O circuito representado pela figura é uma partida direta para motores trifásicos. O código LADDER que representa este acionamento é representado em:
Provas

De acordo com o código anterior, assinale o valor da matriz apresentado no console de saída.
Provas

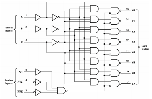
Para que a saída Y7 esteja em nível lógico baixo, os sinais A, B, C, G1, G2A e G2B devem ser, respectivamente:
Provas
Analise o circuito a seguir.

No circuito da figura, supondo que todos os amplificadores operacionais são ideais energizados com uma fonte simétrica +/–15V, a tensão de saída Vo é:
Provas
Considere o AOP da figura ideal energizado com fonte simétrica de +/–30V.

O valor de Vo e a corrente sobre R2 são, respectivamente:
Provas
Caderno Container