Foram encontradas 1.072 questões.
Provas
Provas
Provas
O amplificador operacional é um dispositivo muito versátil devido à sua imensa diversidade de aplicações além de características ideais para operação. Em relação às suas características ideais, analise as afirmativas a seguir.
I. Ganho de tensão infinito.
II. Impedância de entrada nula e de saída infinita.
III. Resposta de frequência infinita.
IV. Sensibilidade à temperatura.
Estão corretas apenas as afirmativas
Provas
Dentre as famílias de circuitos integrados digitais, ou seja, que possuem componentes como portas lógicas, registradores, flip-flops etc, destacam-se as famílias TTL e CMOS. Com base nestas famílias, analise as afirmativas a seguir.
I. TTL é uma lógica que utiliza circuitos compostos de transistores.
II. CMOS utiliza MOSFETs em seus circuitos lógicos.
III. O CI da série CD 4000 é um exemplo de circuito integrado TTL.
IV. A série 74XX é um exemplo de circuitos integrados CMOS.
Estão corretas apenas as afirmativas
Provas
Provas
Analise a simbologia da figura a seguir.

Quais símbolos representam, respectivamente, motor série de corrente contínua, gerador fotovoltaico e interruptor
seccionador?
Provas
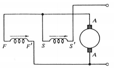
Em relação ao tipo da excitação do campo, assinale a alternativa correspondente. Provas
O esquema do diagrama é do tipo:Provas
O gráfico a seguir representa as curvas da impedância em função de ω de circuito RLC; analise-o.

Com base nas curvas e características do gráfico, analise as afirmativas.
I. Curva A: variação da impedância característica do circuito RLC.
II. Curvas B e C: variações da impedância do capacitor e do resistor, respectivamente.
III. Curva D: variação da impedância do indutor onde XL = ωL.
IV. Quando ω = ωo, XL = XC.
Estão corretas apenas as afirmativas
Provas
Caderno Container