Magna Concursos

Foram encontradas 1.072 questões.

458373 Ano: 2017
Disciplina: Engenharia Elétrica
Banca: Consulplan
Orgão: TRF-2
De acordo com o código de ética profissional do engenheiro, marque V para as afirmativas verdadeiras e F para as falsas. ( ) No exercício de sua profissão, deve harmonizar os interesses pessoais aos coletivos. ( ) Manter-se informado sobre as normas que regulamentam o exercício da profissão. ( ) É conduta vedada pelo código de ética a imposição, por parte do profissional, de ritmo de trabalho excessivo sobre os colaboradores. ( ) O cancelamento do registro profissional é uma penalidade aplicável prevista em lei. ( ) É atribuição do Conselho Federal estipular os valores de referência das multas aplicadas. A sequência está correta em
 

Provas

Questão presente nas seguintes provas
458372 Ano: 2017
Disciplina: Engenharia Elétrica
Banca: Consulplan
Orgão: TRF-2

Existem alguns métodos de partida para motores trifásicos que variam conforme as condições exigidas pela rede, assim como as características da carga e potência do motor. Em função do tipo de partida, analise as afirmativas a seguir.

I. Direta: realizada por meio de chaves de partida ou de contatores, geralmente para motores de rotor gaiola; porém uma desvantagem é a elevada queda de tensão da rede.

II. Autotransformador: reduz a corrente de partida por meio de um autotransformador e nunca pode ser usada em motores sob carga.

III. Indireta: tem a finalidade de reduzir o pico de corrente na partida do motor, evitando alguns inconvenientes como o aquecimento dos condutores da rede.

IV. Estrela-triângulo: é um tipo de partida indireta em que se usa uma chave estrela-triângulo reduzindo a corrente de 1/2 da ligação em triângulo.

Estão corretas apenas as afirmativas

 

Provas

Questão presente nas seguintes provas
458371 Ano: 2017
Disciplina: Engenharia Elétrica
Banca: Consulplan
Orgão: TRF-2
Em um projeto de iluminação para o ambiente de trabalho, a distribuição da luminância no campo de visão controla o nível de adaptação dos olhos, o qual afeta a visibilidade da tarefa. Em relação às situações que devem ser evitadas que acometem o conforto visual, assinale a afirmativa INCORRETA.
 

Provas

Questão presente nas seguintes provas
458370 Ano: 2017
Disciplina: Engenharia Elétrica
Banca: Consulplan
Orgão: TRF-2
De acordo com a NBR 5410:2004, para os pontos de tomadas em halls de serviço, salas de manutenção e salas de equipamentos, tais como casas de máquinas, salas de bombas, barriletes e locais análogos, deve ser previsto no mínimo um ponto de tomada de uso geral. Aos circuitos terminais respectivos deve ser atribuída uma potência de no mínimo:
 

Provas

Questão presente nas seguintes provas
458369 Ano: 2017
Disciplina: Engenharia Elétrica
Banca: Consulplan
Orgão: TRF-2
Conforme NBR 5410:2004, que descreve sobre linhas elétricas, “o ponto de conexão do sistema elétrico da empresa distribuidora de eletricidade com a instalação elétrica da(s) unidade(s) consumidora(s) e que delimita as responsabilidades da distribuidora, definidas pela autoridade reguladora”, é conhecida por:
 

Provas

Questão presente nas seguintes provas
458368 Ano: 2017
Disciplina: Engenharia Civil
Banca: Consulplan
Orgão: TRF-2
De acordo com os conceitos dos fatores que afetam o módulo de elasticidade do concreto, assinale a alternativa INCORRETA.
 

Provas

Questão presente nas seguintes provas
458367 Ano: 2017
Disciplina: Engenharia Civil
Banca: Consulplan
Orgão: TRF-2
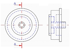
A representação em corte é um importante recurso de desenho técnico mecânico. Analise o desenho projetado.
Enunciado 458367-1
Assinale a alternativa que representa corretamente o corte AA do desenho anterior.
 

Provas

Questão presente nas seguintes provas
458366 Ano: 2017
Disciplina: Engenharia Civil
Banca: Consulplan
Orgão: TRF-2
Os requisitos de desempenho das esquadrias de alumínio são fixados, em geral, segundo normas técnicas, independentemente do tipo de material de que são compostos os caixilhos. Há também algumas normas específicas para esquadrias e aquelas relativas a acessórios, como fechos, borboletas etc., que precisam ser observadas. Com relação à especificação, os seguintes aspectos devem ser considerados, EXCETO:
 

Provas

Questão presente nas seguintes provas
458364 Ano: 2017
Disciplina: Engenharia Civil
Banca: Consulplan
Orgão: TRF-2
Entende-se como instalação sanitária do canteiro de obras o local destinado ao asseio corporal e/ou ao atendimento das necessidades fisiológicas de excreção. A instalação sanitária será constituída de lavatório, vaso sanitário, mictório e chuveiro. A respeito das instalações sanitárias do canteiro de obras, marque V para as afirmativas verdadeiras e F para as falsas. ( ) O local destinado ao vaso sanitário (gabinete sanitário) necessita ter área mínima de 0,90 m². ( ) Os mictórios precisam ficar à altura máxima de 60 cm do piso. ( ) Para o chuveiro a área mínima necessária para utilização de cada chuveiro é de 0,80 m², com altura de 2,10 m do piso. ( ) Os lavatórios precisam ter revestimento interno de material liso ou áspero, impermeável e lavável.
A sequência está correta em
 

Provas

Questão presente nas seguintes provas
458363 Ano: 2017
Disciplina: Engenharia Civil
Banca: Consulplan
Orgão: TRF-2
De acordo com a NBR 6.484/2001 (Solo – sondagens de simples reconhecimento com SPT – método de ensaio), é de fundamental importância a observação do nível do lençol freático durante a execução do ensaio conforme as afirmativas a seguir, EXCETO:
 

Provas

Questão presente nas seguintes provas