Foram encontradas 956 questões.

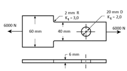
Considerando que o componente submetido a uma carga axial de 6.000 N esquematizado na figura acima seja fabricado em aço ABNT 4130 normalizado (resistência à ruptura Srt = 1030 MPa e ao escoamento Sy = 650 MPa), e considerando, ainda, os fatores de concentração de tensões indicados para a mudança de seção e para o furo, julgue o item a seguir.
A seção onde está o furo é a seção crítica para dimensionamento da peça.
Provas
Acerca dos princípios e conceitos de segurança do trabalho, julgue o item a seguir.
A pneumoconiose, doença pulmonar causada pela inalação de poeira no local de trabalho e que afeta, por exemplo, trabalhadores em minas de carvão, é classificada pelo Ministério do Trabalho e Emprego como doença do trabalho.
Provas
Considere a situação em que todas as variáveis do sistema devam ser convertidas do modo contínuo para o discreto. Nesse caso, a frequência mínima para amostragem do sinal deverá ser superior a 0,40 Hz.
Provas
No domínio da frequência, esse sistema apresenta dois polos complexos conjugados e um único zero finito.
Provas
Acerca da implementação de funções lógicas que utilizam memórias como dispositivos, julgue o item que se segue.
É possível projetar um circuito conversor de código BCD 8421 para código Gray utilizando-se EPROM.
Provas

As figuras I e II apresentadas acima mostram, respectivamente, o circuito lógico e os gráficos de sinais lógicos nas entradas A, B e C. Com base nessas figuras, julgue o item a seguir.
O sinal de saída X é igual ao sinal da entrada C.
Provas
Acerca da implementação de funções lógicas que utilizam memórias como dispositivos, julgue o item que se segue.
Dispositivos com a função de arranjos lógicos programáveis incluem os PLs (programmable gate array), os FPGAs (field programmable gate array), os amplificadores operacionais e os contadores assíncronos.
Provas
Se o sinal de entrada for do tipo função degrau, a resposta desse sistema, em regime permanente, será sempre nula.
Provas
Julgue o próximo item, acerca de faltas simétricas e assimétricas em sistemas de energia elétrica em redes CA.
Nas faltas do tipo simétrica, como as trifásicas, a componente de sequência positiva da corrente de falta é nula.
Provas
Nas subestações, o baixo desempenho dos equipamentos pode comprometer o funcionamento do sistema elétrico, causando, inclusive, blecautes de grandes proporções. A respeito de subestações e equipamentos elétricos instalados nesses locais, julgue o item a seguir.
A função principal da malha de terra em uma subestação é evitar o desequilíbrio das tensões trifásicas na subestação durante a ocorrência de curto-circuito assimétrico em equipamento da subestação.
Provas
Caderno Container