Foram encontradas 956 questões.

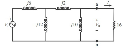
No circuito no domínio da frequência ilustrado acima, para um valor fixo de frequência, o valor eficaz da tensão da fonte Vi é igual a 120 V e a fase é zero. Os valores da resistência e das reatâncias são fornecidos em ohms e \(j = \sqrt{-1}\)
Com relação ao circuito apresentado acima, julgue o item.
A corrente I tem magnitude igual a 2,5 A.
Provas
Julgue o próximo item, relativo a máquina elétrica.
Suponha que determinado motor de indução trifásico deva ser acionado por meio de chave estrela-triângulo, conectada adequadamente a uma rede elétrica trifásica com tensão de linha de 380 V. Nesse caso, se a chave for ligada e o motor atingir funcionamento em regime permanente, então, após a comutação da chave de estrela para triângulo, a tensão em cada bobina do motor será, necessariamente, igual a 380 V.
Provas
Julgue o próximo item, relativo a máquina elétrica.
A característica de conjugado eletromagnético versus rotação mecânica, típica de um motor síncrono, tem a forma representada genericamente pelo gráfico abaixo.

Provas

Com base nas figuras acima, que mostram os diagramas esquematizados de força e de comando para acionamento de um motor de indução trifásico, julgue o item.
Provas
Com base nessas informações, julgue o item a seguir.
A densidade superficial de cargas nas placas do capacitor é superior a 50 nC/m2.
Provas
Nas subestações, o baixo desempenho dos equipamentos pode comprometer o funcionamento do sistema elétrico, causando, inclusive, blecautes de grandes proporções. A respeito de subestações e equipamentos elétricos instalados nesses locais, julgue o item a seguir.
A simples existência de relés para proteger equipamentos como as linhas de transmissão pode não ser suficiente para esse propósito. É fundamental que o esquema de relés seja corretamente ajustado, conforme o ponto de operação do sistema.
Provas
Os materiais, de acordo com sua condutividade, são classificados como condutores ou não condutores, ou, ainda, como metais ou isolantes (dielétricos). Acerca de materiais e suas propriedades, julgue o próximo item.
A condutividade dos metais geralmente aumenta significativamente com o aumento da temperatura, como é o caso do que ocorre com o chumbo e o alumínio.
Provas

A figura acima ilustra um circuito trifásico, em que as tensões Ea, Eb e Ec, equilibradas e simétricas, formam um sistema de tensão de sequência positiva, nas quais as amplitudes são iguais a 100 V e os ângulos nas fases a e b são 0º e –120º , respectivamente. As linhas tracejadas destacam o gerador e a carga — ambos trifásicos — no circuito.
Com base nessas informações, julgue o item que se segue, considerando que os valores de resistências e reatâncias são fornecidos em ohms e que \(j = \sqrt{-1}\)
A corrente I é, necessariamente, igual a zero.
Provas
Julgue o próximo item, acerca de faltas simétricas e assimétricas em sistemas de energia elétrica em redes CA.
Nas redes de transmissão em extra-alta tensão, comparadas em um mesmo período de avaliação, a quantidade de faltas do tipo trifásicas é superior às do tipo monofásicas.
Provas
Com base nessas informações, julgue o item a seguir.
Se a rigidez dielétrica do material for igual a 5 kV/m, não haverá ruptura do dielétrico.
Provas
Caderno Container