Magna Concursos

Foram encontradas 956 questões.

595231 Ano: 2013
Disciplina: Engenharia Elétrica
Banca: CESPE / CEBRASPE
Orgão: TRT-10

No circuito mostrado na figura abaixo, o valor da corrente Id é igual ao de Ia.

enunciado 595231-1

 

Provas

Questão presente nas seguintes provas
595230 Ano: 2013
Disciplina: Engenharia Elétrica
Banca: CESPE / CEBRASPE
Orgão: TRT-10

Julgue o próximo item, relativo a máquina elétrica.

No modelo equivalente de um transformador de potência real (não ideal), as perdas no enrolamento de cobre são desprezíveis, em comparação às perdas no núcleo ferromagnético.

 

Provas

Questão presente nas seguintes provas
595229 Ano: 2013
Disciplina: Engenharia Elétrica
Banca: CESPE / CEBRASPE
Orgão: TRT-10

Com relação a instalações elétricas de baixa tensão, julgue o item a seguir.

Segundo a norma relativa a instalações elétricas de baixa tensão, é possível que em um mesmo eletroduto passe um único condutor de proteção (terra), mesmo que exista mais de um circuito nesse eletroduto.

 

Provas

Questão presente nas seguintes provas
595228 Ano: 2013
Disciplina: Engenharia Elétrica
Banca: CESPE / CEBRASPE
Orgão: TRT-10

Os materiais, de acordo com sua condutividade, são classificados como condutores ou não condutores, ou, ainda, como metais ou isolantes (dielétricos). Acerca de materiais e suas propriedades, julgue o próximo item.

A condutividade de material submetido a determinada excitação independe da frequência, mas sempre depende da temperatura.

 

Provas

Questão presente nas seguintes provas
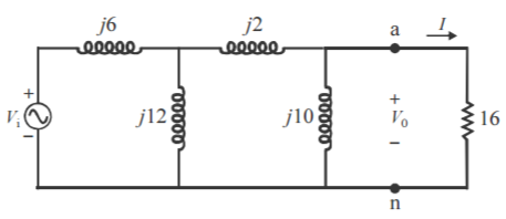
595227 Ano: 2013
Disciplina: Engenharia Elétrica
Banca: CESPE / CEBRASPE
Orgão: TRT-10

enunciado 595227-1

No circuito no domínio da frequência ilustrado acima, para um valor fixo de frequência, o valor eficaz da tensão da fonte Vi é igual a 120 V e a fase é zero. Os valores da resistência e das reatâncias são fornecidos em ohms e \(j = \sqrt{-1}\)

Com relação ao circuito apresentado acima, julgue o item.

Se forem utilizadas as base 100 V e 1 kVA para cálculo, em pu, das grandezas e parâmetros do circuito, a corrente I terá magnitude igual a 0,20 pu.

 

Provas

Questão presente nas seguintes provas
595226 Ano: 2013
Disciplina: Engenharia Elétrica
Banca: CESPE / CEBRASPE
Orgão: TRT-10

Nas subestações, o baixo desempenho dos equipamentos pode comprometer o funcionamento do sistema elétrico, causando, inclusive, blecautes de grandes proporções. A respeito de subestações e equipamentos elétricos instalados nesses locais, julgue o item a seguir.

Toda subestação de um sistema de transmissão de energia elétrica possui transformador de potência, mas os transformadores de medidas, como os transformadores de corrente e os de potencial, são desnecessários na maioria das subestações típicas.

 

Provas

Questão presente nas seguintes provas
595225 Ano: 2013
Disciplina: Eletroeletrônica
Banca: CESPE / CEBRASPE
Orgão: TRT-10

enunciado 595225-1

Com base nas figuras acima, que mostram os diagramas esquematizados de força e de comando para acionamento de um motor de indução trifásico, julgue o item.

A tensão de alimentação do circuito de comando é uma tensão entre fase e neutro.
 

Provas

Questão presente nas seguintes provas
595224 Ano: 2013
Disciplina: Engenharia Elétrica
Banca: CESPE / CEBRASPE
Orgão: TRT-10

Julgue o próximo item, relativo a máquina elétrica.

Motores de indução do tipo gaiola de esquilo possuem acessos (bornes externos) que permitem conectar resistores ao rotor, com a finalidade de controle de velocidade.

 

Provas

Questão presente nas seguintes provas
595223 Ano: 2013
Disciplina: Engenharia Elétrica
Banca: CESPE / CEBRASPE
Orgão: TRT-10

enunciado 595223-1

No circuito no domínio da frequência ilustrado acima, para um valor fixo de frequência, o valor eficaz da tensão da fonte Vi é igual a 120 V e a fase é zero. Os valores da resistência e das reatâncias são fornecidos em ohms e \(j = \sqrt{-1}\)

Com relação ao circuito apresentado acima, julgue o item.

Caso o resistor seja desconectado do circuito, a tensão V0 passará a ser igual a 50 V.

 

Provas

Questão presente nas seguintes provas
595222 Ano: 2013
Disciplina: Engenharia Elétrica
Banca: CESPE / CEBRASPE
Orgão: TRT-10

enunciado 595222-1

A figura acima ilustra um circuito trifásico, em que as tensões Ea, Eb e Ec, equilibradas e simétricas, formam um sistema de tensão de sequência positiva, nas quais as amplitudes são iguais a 100 V e os ângulos nas fases a e b são 0º e –120º , respectivamente. As linhas tracejadas destacam o gerador e a carga — ambos trifásicos — no circuito.

Com base nessas informações, julgue o item que se segue, considerando que os valores de resistências e reatâncias são fornecidos em ohms e que \(j = \sqrt{-1}\)

Embora as tensões Ea, Eb e Ec, no circuito, sejam equilibradas, as tensões trifásicas de fase na carga — tensão, na fase a, entre os pontos a e m; na fase b, entre os pontos b e m; e, na fase c, entre os pontos c e m — são desequilibradas.

 

Provas

Questão presente nas seguintes provas