Magna Concursos

Foram encontradas 709 questões.

462678 Ano: 2017
Disciplina: Engenharia Elétrica
Banca: FCC
Orgão: TRT-11
Considere os diagramas de fasores para tensão e corrente, em circuitos passivos, representados em um eixo de referência arbitrário e girando no sentido anti-horário.
enunciado 462678-1
A correta associação de cada diagrama à respectiva natureza do seu circuito é:
 

Provas

Questão presente nas seguintes provas
462677 Ano: 2017
Disciplina: Engenharia Elétrica
Banca: FCC
Orgão: TRT-11

Considere a rede RC do compensador de atraso mostrado abaixo.

enunciado 462677-1

A expressão da tensão de saída vo (s) consta em

 

Provas

Questão presente nas seguintes provas
462676 Ano: 2017
Disciplina: Engenharia Elétrica
Banca: FCC
Orgão: TRT-11

Considere as condições apresentadas no circuito abaixo.

enunciado 462676-1

A tensão Vs, em volts, que alimenta o circuito é

 

Provas

Questão presente nas seguintes provas
462675 Ano: 2017
Disciplina: Engenharia Elétrica
Banca: FCC
Orgão: TRT-11

Considere o esquema abaixo.

enunciado 462675-1

O valor do capacitor C, em microfarad, que torna a capacitância equivalente entre os terminais A e B igual 20 μF é

 

Provas

Questão presente nas seguintes provas
462674 Ano: 2017
Disciplina: Engenharia Elétrica
Banca: FCC
Orgão: TRT-11

Considere o esquema abaixo.

enunciado 462674-1

A resistência equivalente entre os terminais A e B tem o valor, em ohm, de

 

Provas

Questão presente nas seguintes provas
462673 Ano: 2017
Disciplina: Engenharia Elétrica
Banca: FCC
Orgão: TRT-11

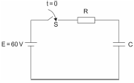
O circuito elétrico abaixo tem constante de tempo τ = 1s

enunciado 462673-1

Um segundo após o fechamento da chave S, o capacitor apresenta a tensão, em volt, aproximadamente igual a

 

Provas

Questão presente nas seguintes provas
462672 Ano: 2017
Disciplina: Engenharia Elétrica
Banca: FCC
Orgão: TRT-11
A corrente em um indutor ideal, de indutância L = 0,4 H, varia com o tempo conforme o gráfico abaixo.
enunciado 462672-1
A tensão elétrica no indutor no trecho AB, em volt, é
 

Provas

Questão presente nas seguintes provas
462671 Ano: 2017
Disciplina: Engenharia Elétrica
Banca: FCC
Orgão: TRT-11

Considere todos os elementos do circuito abaixo como ideais.

enunciado 462671-1

O valor aproximado da frequência (x), em Hertz, que permite ajustar a corrente do circuito em 300 mA é

 

Provas

Questão presente nas seguintes provas
462670 Ano: 2017
Disciplina: Engenharia Elétrica
Banca: FCC
Orgão: TRT-11

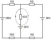
Considere o circuito abaixo.

enunciado 462670-1

Dado que uma das correntes do circuito tem o valor de 1 A, a corrente elétrica que atravessa o resistor de 10 Ω, em Ampère, é

 

Provas

Questão presente nas seguintes provas
462669 Ano: 2017
Disciplina: Engenharia Elétrica
Banca: FCC
Orgão: TRT-11
Uma lâmpada (127V-100 W) contém um filamento de tungstênio, de comprimento 31,4 cm e área da seção transversal igual a 1,26 × 10⁻⁹ m². A resistividade em Ω . m do filamento da lâmpada, quando esta se encontra em operação, é, aproximadamente,
 

Provas

Questão presente nas seguintes provas