Foram encontradas 943 questões.

O desvio padrão amostral é igual ou inferior a R$ 5 mil.
Provas

Com 93,3% de confiança, a estimativa intervalar para a média da distribuição Y é R$ 5 mil ± R$ 0,25 mil.
Provas

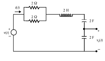
Considerando que, no circuito elétrico acima, todos os elementos passivos armazenadores de energia encontrem- se descarregados no instante t = 0 s e que v(t) seja uma fonte de tensão, julgue os itens a seguir.
Se, após algum tempo, um dos resistores no circuito se queimar e ficar em circuito-aberto, a função de transferência, relacionando a tensão em um dos capacitores e a tensão da fonte, não sofrerá alteração.
Provas

Considerando que, no circuito elétrico acima, todos os elementos passivos armazenadores de energia encontrem- se descarregados no instante t = 0 s e que v(t) seja uma fonte de tensão, julgue os itens a seguir.
Considerando v(t) = 5sent, em V, então, o valor de pico que a corrente elétrica i(t) assume, em regime permanente, é inferior a 5 A.
Provas

Considerando que, no circuito elétrico acima, todos os elementos passivos armazenadores de energia encontrem- se descarregados no instante t = 0 s e que v(t) seja uma fonte de tensão, julgue os itens a seguir.
Caso a fonte v(t) seja do tipo contínua, com amplitude igual a 10 V, então, em regime permanente, a tensão v c sobre o capacitor será igual a 5 V.
Provas

Considerando que, no circuito elétrico acima, todos os elementos passivos armazenadores de energia encontrem- se descarregados no instante t = 0 s e que v(t) seja uma fonte de tensão, julgue os itens a seguir.
Esse circuito apresenta característica de resposta transitória criticamente amortecida.
Provas
Considere a rede resistiva alimentada por tensão CC mostrada na figura seguinte.

Tendo como base as informações do circuito ilustrado acima, julgue os itens que se seguem.
Não é possível calcular um equivalente de Norton para o circuito elétrico em questão, porque ele não tem fonte independente de corrente.
Provas
Considere a rede resistiva alimentada por tensão CC mostrada na figura seguinte.

Tendo como base as informações do circuito ilustrado acima, julgue os itens que se seguem.

Provas
Considere a rede resistiva alimentada por tensão CC mostrada na figura seguinte.

Tendo como base as informações do circuito ilustrado acima, julgue os itens que se seguem.
A parte do circuito elétrico delimitada pela região interna às linhas tracejadas pode ser substituída por um circuito elétrico constituído de uma fonte ideal CC de 4 V em série com um resistor igual a 2 S.
Provas

Se a freqüência da tensão v(t) for duplicada, nenhuma alteração ocorrerá na amplitude da corrente i(t).
Provas
Caderno Container