Foram encontradas 943 questões.

A densidade superficial de cargas livres em cada placa é igual à intensidade de fluxo elétrico no material dielétrico.
Provas

A intensidade da densidade de fluxo elétrico (deslocamento elétrico) no material é inferior a 0,5 µC/m 2 .
Provas
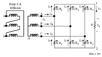
O circuito mostrado na figura abaixo representa um retificador controlado de 12 pulsos em ponte.

Provas
O circuito mostrado na figura abaixo é apropriado para inversão modulada por largura de pulso.

Provas
Materiais condutores, isolantes e magnéticos estão presentes em equipamentos elétricos, como os transformadores de força, amplamente utilizados em sistemas de energia elétrica. Com relação a esses materiais, julgue os itens que se seguem.
O óleo mineral utilizado em transformadores de força é um exemplo de material isolante.
Provas
Materiais condutores, isolantes e magnéticos estão presentes em equipamentos elétricos, como os transformadores de força, amplamente utilizados em sistemas de energia elétrica. Com relação a esses materiais, julgue os itens que se seguem.
O material utilizado para construir o núcleo ferromagnético do transformador apresenta permeabilidade muito superior à permeabilidade magnética dos fios condutores das bobinas do transformador.
Provas
A respeito do dimensionamento de condutores em circuitos de instalações elétricas prediais e industriais de baixa tensão, fixas, julgue os itens seguintes.
Em circuitos de força, como os que atendem tomada de corrente, a seção mínima para condutor de cobre isolado não deverá ser inferior a 2,5 mm 2 .
Provas
A respeito do dimensionamento de condutores em circuitos de instalações elétricas prediais e industriais de baixa tensão, fixas, julgue os itens seguintes.
Considerando que o critério capacidade de corrente e queda de tensão especifiquem condutores de seções 2,5 mm 2 e 4,0 mm 2 , respectivamente, então a escolha do condutor deverá ser feita com base no critério da queda de tensão.
Provas
A respeito do dimensionamento de condutores em circuitos de instalações elétricas prediais e industriais de baixa tensão, fixas, julgue os itens seguintes.
Para dimensionamento de condutores com base no critério da queda de tensão, é necessário conhecer o tipo de isolação do condutor.
Provas
A respeito do dimensionamento de condutores em circuitos de instalações elétricas prediais e industriais de baixa tensão, fixas, julgue os itens seguintes.
A queda de tensão em um circuito deve ser avaliada considerando-se a maior corrente de curto-circuito que o circuito pode ter.
Provas
Caderno Container