Foram encontradas 40 questões.
TEXTO III
( ) Acharge retrata de forma bem-humorada o universo feminino.
( ) Mudanças geracionais no estilo de vida da mulher são o tema da charge.
( ) Pela resposta da avó, pode-se considerar que ela considera que a vida das mulheres era melhor em sua época com relação à época atual.
( ) De acordo com a charge, a complexidade de ser mulher na atualidade é tamanha que a neta considera que as mulheres da geração de sua avó viviam em um mundo diferente.
( ) Acharge mostra que épocas diferentes impõem às mulheres as mesmas atribuições.
Assinale a sequência CORRETA:
Provas
TEXTO II

Disponível em: <https://vestibulares.estrategia.com/portal/materias/portugues/ambiguidade/>. Acesso em: 13 jul. 2023.
( ) O texto se constrói em torno de uma relação médico-paciente.
( ) O médico e o menino compartilham o mesmo entendimento do significado da palavra “paciente” nesse contexto.
( ) O menino compreende “paciente” como “aquele que tem paciência”.
( ) Em “Costumo ser...”, o termo “paciente” sofreu elipse para evitar uma repetição redundante.
( ) O humor da tira se faz a partir do duplo sentido que incide sobre a palavra “paciente”.
Marque a alternativa com a sequência CORRETA:
Provas
Simulações são feitas pelo aplicativo Remini; “Deus está triste com tanto bebê de IA” e (sic.) “cafona demais”, criticam perfis (Nayani Real)
“Outros comparam imagens geradas à personagem Renesmée, filha dos protagonistas Edward Cullen e Bella Swan no filme ‘Amanhecer - parte 2’, da saga Crepúsculo. Lançado em 2012, o longa foi alvo de críticas pela baixa qualidade dos efeitos especiais”.
Assinale a alternativa CORRETA:
Provas
Simulações são feitas pelo aplicativo Remini; “Deus está triste com tanto bebê de IA” e (sic.) “cafona demais”, criticam perfis (Nayani Real)
( ) Apalavra “geração” é formada por derivação sufixal.
( ) No período “Com características similares às suas, os bebês aparecem em seus colos, em imagens que simulam retratos de família”, os pronomes em destaque fazem uma retomada catafórica de um mesmo referente.
( ) Sigla é o processo de formação da palavra IA.
( ) Apalavra “cafona” é um neologismo.
( ) No período “alguns perfis se mostram avessos à moda”, o termo em destaque estabelece uma relação de sinonímia com o termo “contrários”.
Marque a sequência CORRETA:
Provas
Simulações são feitas pelo aplicativo Remini; “Deus está triste com tanto bebê de IA” e (sic.) “cafona demais”, criticam perfis (Nayani Real)
Provas
Simulações são feitas pelo aplicativo Remini; “Deus está triste com tanto bebê de IA” e (sic.) “cafona demais”, criticam perfis (Nayani Real)
Provas
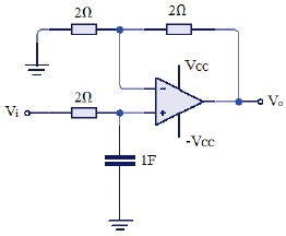
O amplificador de diferenças é amplamente utilizado em instrumentação. O circuito representado na figura abaixo contém um amplificador de diferenças.

Nesse circuito, o amplificador operacional ideal é alimentado por uma fonte simétrica com tensão VCC de 12 V. Qual é o valor da tensão de entrada, Vi, que é uma tensão contínua e constante, se a tensão de saída, Vo, for 2 V?
Provas
Uma fonte de tensão contínua e constante alimenta uma carga resistiva variável. Na carga, foram feitas duas medições. Na primeira, constatou-se que, quando a carga consumia uma corrente de 6 A, a tensão sobre ela era de 20 V. Na segunda medição, verificou-se que, quando a carga consumia uma corrente de 12 A, a tensão sobre ela era de 14 V. Considerando as duas medições feitas na carga, o valor da resistência interna da fonte é
Provas
TEXTO III
● Não tinham responsabilidades.
● Andavam por aí cheias de celulites.
● Faziam doces.
● Visitavam as amigas.
Do ponto de vista sintático, as expressões em destaque exercem, na ordem CORRETA, as seguintes funções:
Provas
TEXTO II

Disponível em: <https://vestibulares.estrategia.com/portal/materias/portugues/ambiguidade/>. Acesso em: 13 jul. 2023.
Provas
Caderno Container