Foram encontradas 45 questões.
Deseja-se representar um terreno em escala em um desenho. Se o perímetro do terreno tem 144 m e no desenho o perímetro do mesmo tem 72 cm, qual a escala utilizada no desenho?
Provas
A figura a seguir representa a arquitetura de computador proposta por Von Neumann. Nesta arquitetura, a Unidade Central de Processamento (UCP) é composta por uma unidade lógica aritmética, unidade de controle, contador de programa e registradores. Durante a execução de um programa nesta arquitetura, o componente que armazena a posição da memória onde encontra-se a próxima instrução a ser executada pela UCP chama-se:

Provas
Na instalação de uma rede local de computadores em um prédio com grau de ruído eletromagnético razoavelmente elevado, o engenheiro responsável decidiu adotar para a conexão entre os pontos da rede um meio físico que é composto por um condutor central, revertido por uma camada isolante. Esta camada isolante é então revertida por uma malha metálica que executa uma blindagem contra indução eletromagnética de ruído; externamente a esta malha, existe ainda uma segunda camada isolante. O meio físico descrito acima é um/uma:
Provas
No processo de transmissão de dados via rádio, converte-se o sinal de voz através de um microfone em um sinal elétrico, mas antes da transmissão é necessário modificar esse sinal através de uma onda eletromagnética chamada portadora, cujas propriedades são mais convenientes ao meio de transmissão do que o sinal original convertido pelo microfone. Ao final deste procedimento, a amplitude, frequência ou fase do sinal resultante varia de acordo com o sinal elétrico que contém a informação da voz a ser transmitida. O dispositivo que executa tal procedimento é denominado:
Provas
No circuito da figura a seguir, as entradas in+ e insão conectadas ao secundário de um transformador TR, cujo primário é conectado à rede elétrica de 60 Hz e 127 V e fornece uma saída entre in+ e in- de 25,4 V. Este transformador possui uma derivação central REF. Os diodos do circuito são todos de silício com VD = 0,7 V e tensão de ruptura avalancha maior que 100 V, a carga RL é de 1 kΩ e o capacitor C1 é de 100 μF. Qual o valor aproximado da tensão de ripple deste circuito retificador?

Provas
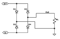
As entradas in+ e in- do circuito da figura a seguir são conectadas ao secundário de um transformador, cujo primário é conectado à rede elétrica de 60 Hz e 127 V e fornece uma saída no secundário de 12,7 V. Os diodos do circuito são todos de silício com VD = 0,7 V e tensão de ruptura avalancha maior que 100 V, e a carga RL é de 1 kΩ. Qual a frequência do sinal e tensão de pico no nó Out?

Provas
Um motor trifásico de 220 V exige da rede 20 A por fase, com um fator de potência de 85 %. Qual a potência ativa fornecida pela rede? Considere 31/2 = 1,73.
Provas
Os apartamentos de um edifício comercial estão conectados a um sistema de distribuição trifásico, formando um circuito estrela com carga total equilibrada. Neste edifício precisamos dimensionar os cabos alimentadores do prédio pelo critério da capacidade de corrente. O edifício possui 12 apartamentos, cada um com carga monofásica em 120 V igual a 6 kW somente de luz. Considerando o fator de potência igual a 1 (luz incandescente), qual a corrente que o cabo alimentador de cada fase deve suportar?
Provas
Um computador adquirido com 4k de memória, ou 212 palavras de memória, possui um processador cujo registrador de endereços de memória é de 16 bits e o barramento de dados é de 20 bits. Qual a capacidade máxima de memória adicional endereçável por este processador e qual o tamanho do dado, em bits, armazenado em cada posição da memória?
Provas
Considere um processador com uma Unidade Central de Processamento cujo contador de programas é de 32 bits e o registrador de instruções é de 74 bits. Além do código de operação, cada instrução possui dois operandos de 32 bits. Quais são, respectivamente, o tamanho da instrução e o tamanho do código de operação deste processador?
Provas
Caderno Container