Foram encontradas 100 questões.
- UniãoExecutivoDecreto 1.171/1994: Código de Ética do Servidor Público Civil do Poder Executivo FederalDas Vedações ao Servidor Público
O decreto nº 1.171 de 22 de junho de 1994, que aprova o Código de Ética Profissional do Servidor Público Civil do Poder Executivo Federal prevê expressamente que toda ausência injustificada do servidor de seu local de trabalho é fator de desmoralização do serviço público, o que quase sempre conduz à desordem nas relações humanas.
Provas
- UniãoExecutivoDecreto 1.171/1994: Código de Ética do Servidor Público Civil do Poder Executivo FederalDas Regras Deontológicas
O Diretor de determinado departamento de órgão da administração pública federal determina a um motorista, também servidor público concursado, que o leve ao aeroporto, para uma viagem de férias e o busque 15 dias depois no mesmo local. A ação praticada pode ser considerada como a de desviar servidor público para atendimento a interesse particular, clara infração ao Código de Ética Profissional do Servidor Público Civil do Poder Executivo Federal.
Provas
Para a compensação Geral através de banco de capacitores, podemos citar como vantagem o alívio significativo dos alimentadores de cada equipamento.
Provas
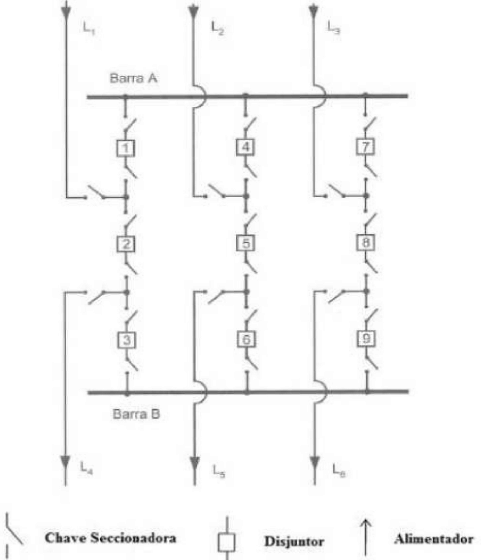
A sequência de operação para procedermos com uma situação de manutenção na Barra B é:
I Abertura dos Disjuntores 3,6 e 9
Il, Abertura das Chaves Seccionadoras 3,6 e 9
III. Abertura dos Disjuntores 2,5 e 8
IV. Realização da manutenção
Provas
O arranjo de barramento da figura anterior permite a manutenção em qualquer um dos disjuntores com o restante da subestação operando de forma continua.
Provas
Considere a figura a seguir representando arranjo de barramento de subestação de energia:

Pode-se afirmar que o arranjo em questão trata-se da configuração do tipo Barra Dupla com Disjuntor Duplo
Provas
De acordo com o diagrama unifilar proposto, para uma fata bifásica com disjuntor da fonte da concessionária aberto teriamos os esquemas a seguir representando as componentes simétricas:

Provas
Considere o seguinte unifilar simplificado representando uma conexão típica de uma subestação da fonte de uma concessionária com a carga de um consumidor através de um transformador delta -estrela.

Considerando o unifilar simplificado anterior, pode-se afirmar que os Diagramas de Componentes Simétricas equivalentes para a referida situação são dados por:

Provas
Podemos afirmar que de acordo com a fórmula descrita anteriormente temos as seguintes especificações:
AC !$ \righatarrow !$ área útil dos ambientes condicionados.
AU !$ \righatarrow !$ área útil da edificação.
AP T !$ \righatarrow !$ área útil dos ambientes de permanência transitória, desde que não condicionados.
AN C !$ \righatarrow !$ área útil dos ambientes não condicionados de permanência prolongada.
Provas
Ainda sobre o Regulamento O RTQ-C, a atribuição de uma classificação geral do edificio é dada através da seguinte pontuação total PT:

A partir da equação de Pontuação Total — PT, pode-se afirmar que o Sistema de Condicionamento de Ar exerce um peso de /0% (0,30 + 0,40) em relação a pontuação total.
Provas
Caderno Container