Foram encontradas 100 questões.
Segundo os PROCEDIMENTOS DE DISTRIBUIÇÃO DE ENERGIA ELÉTRICA NO SISTEMA ELÉTRICO NACIONAL — PRODIST, unidades consumidoras do Grupo B podem optar pelo sistema de medição com funcionalidades adicionais, capaz de fornecer as seguintes informações adicionais:
I. Valores de tensão e de corrente de cada fase;
II.Data e horário de início e fim das últimas 100 interrupções de curta e de longa duração;
III. Os últimos 12 valores calculados dos indicadores de Duração Relativa da Transgressão de Tensão Precária - DRP e de Duração Relativa da Transgressão de Tensão Crítica — DRC.
Provas
O fenômeno elétrico conhecido como Flash Over pode ser observado frequentemente no condutor de proteção que assegura a equipotencialização do SPDA.
Provas
Ainda sobre as definições de Sistemas de proteção contra descargas atmosféricas segundo a NBR5419 a eficiência de um SPDA (E) Trata-se da relação entre a frequência média anual de descargas atmosféricas interceptadas pelos captores e a frequência de descargas atmosféricas (Nd) sobre a estrutura.
Provas
No que diz respeito aos Sistemas de proteção contra descargas atmosféricas a NBR5419 define como subsistema de aterramento a parte do SPDA externo destinada a conduzir a corrente de descarga atmosférica desde o subsistema captor até o eletrodo de aterramento.
Provas
O mesmo transformador de distribuição possui a seguinte simbologia para representação em diagrama unifilar

Provas
Considere o seguinte diagrama de conexão de um transformador trifásico de distribuição

O circuito equivalente de sequência zero do transformador anterior é dado por

Provas
Na realização do ensaio de Curto-Circuito, uma vez que a tensão que alimenta o transformador é muito baixa, podemos desprezar as perdas no núcleo e a reatância de magnetização de maneira que a potência ativa aferida no ensaio através de um Wattimetro equivale as perdas no cobre do transformador.
Provas
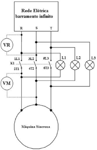
Considere o seguinte esquema de conexão entre um Gerador Sincrono e a Rede Elétrica de acordo com a figura a seguir:

O arranjo possui por objetivo permitir a sincronização da máquina Sincrona em paralelo com a rede (considerada um barramento infinito para esta situação) através do fechamento do contatctor de força K1.
Para prosseguir com o procedimento de paralelismo deve-se monitorar as tensões VM e VR de maneira VR = VM =0Va fim de detectarmos o “cruzamento pelo zero” o qual coincidirá com o instante em que lâmpada L1 estará apagada.
Provas
A fim de caracterizar os parâmetros equivalentes de um transformador monofásico podemos realizar ensaios de curto circuito e a vazio
Para realizar o ensaio de Curto- Circuito em um transformador abaixador a fim de se estudar seus parâmetros, procedemos em alimentar o lado de baixa do transformador uma vez que desta forma podermos obter a corrente nominal no lado curto- circuitado a partir de uma tensão mais baixa.
Provas
Quanto as caracteristicas do enrolamento de armadura de um Gerador C.C temos que em um enrolamento IMBRICADO as extremidades de cada bobina são ligadas aos segmentos do comutador com dois polos de intervalo. Desta forma ao invés de curto-circuitar uma única espira, a escova faz curto-circuito em um pequeno grupo de espiras ligadas em série.
Provas
Caderno Container