Foram encontradas 100 questões.
A respeito da eletrização por indução temos dois corpos denominados indutor e induzido. Com isso, o indutor pode ser condutor ou isolante.
Provas
Um diodo Zener reduz a carga armazenada no efeito diodo. Para isso tem-se a fabricação do diodo utilizando-se ao invés do material P um metal. Desta forma não haverá lacunas que possam armazenar elétrons vindos dos outros materiais durante a corrente direta, de forma que na passagem para corrente reversa tem-se então o efeito de regulação de tensão.
Provas
Considere o seguinte arranjo onde a queda de tensão do diodo é de 0,7V

O referido arranjo trata-se de um limitador de tensões negativas com limiar de 2,8V
Provas
Considere o seguinte arranjo de amplificador baseado em transistores

O ganho de tensão do arranjo é aproximadamente o produto do ganho dos transistores !$ A_{vo} \cong\,\beta_1. \beta_2 !$.
Provas
O amplificador RF possui largura usualmente de banda, BRF, relativamente larga e menor que o dobro da frequência intermediária para o arranjo Superhet. Assim podemos afirmar BRF<2fIF .
Provas
A respeito da simbologia utilizada em projetos de instalações elétricas residenciais temos a imagem a seguir representa um Quadro Geral de Luz e Força Embutido.

Provas
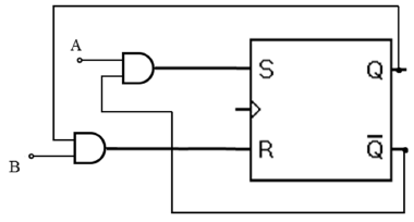
Considere o seguinte arranjo utilizando o Flip Flop SR

Podemos afirmar que a tabela verdade que relaciona A, B e o estado anterior do do arranjo com o flip flop SR equivale a tabela verdade do flip flop JK (da figura a seguir).

Provas
Suponha a seguinte função booleana de três variáveis, F(A,B,C), descrita por:
!$ F = (A + B + C) (A + B + \bar{C}) ( \bar{A} + B + C) ( \bar{A} + \bar{B} + \bar{C}) !$
Podemos afirmar que a sua tabela verdade possui o mintermo 4, m4, assumindo desta forma o valor de saída F(A,B,C) = 1 na quinta linha desta tabela verdade.
Provas
Considere o seguinte arranjo de amplificador de acordo com a figura a seguir:

O arranjo implementa um diferenciador
Provas
Uma vez que identificamos o terminal de base, se conectarmos o terminal vermelho na mesma base e obtivermos baixas medidas no multímetro, que indica a condução, para qualquer um dos outros pinos do transistor quando este está conectado ao terminal preto do multímetro, temos um transistor do tipo PNP.
Provas
Caderno Container