Foram encontradas 100 questões.
Considere o diagrama de blocos de um Receptor Super-Heteródino

Podemos afirmar que a frequência intermediária FI é maior que a frequência da portadora e menor que a frequência da envoltória, daí tem-se o nome frequência intermediária.
Provas
Considere o diagrama de blocos do oscilador 555

Através do esquema de ligação a seguir temos o oscilador configurado em seu modo Astável, onde uma vez que se tenha um pulso em S2 a saída OUT sustentará uma onda quadrada de frequência f até que S1 seja pressionado interrompendo assim a oscilação.

Provas
Os divisores de sinal ótico, ou simplesmente Splitters, é o elemento responsável por dividir o sinal ótico a fim de ramificar a rede ponto-multiponto. Desta forma quando se tem redes balanceadas o Splitter é um elemento ativo, pois necessita de uma fonte de energia externa para balancear os sinais óticos de saída divididos.
Provas
De forma generalizada as micro-ondas são ondas eletromagnéticas com comprimentos de ondas maiores que os dos raios infravermelhos, mas, menores que o comprimento de ondas de rádio, variando o comprimento de onda desde 1 m até 1,0 mm, ou seja, frequências de 1 a 300GHz.
Provas
Considere o seguinte arranjo

Podemos afirmar que o transistor NMOS encontra-se na região de saturação
Provas
O estágio de saída de um amplificador de potência pode ser classificado de acordo com a forma de onda da corrente no coletor que resulta quando se aplica um sinal de entrada. Para o estágio de saída Classe Bo rendimento máximo obtido da conversão de potência é !$ \eta_{máx} = { \large \pi \over 4} !$.
Provas
Trata-se um amplificador Darlington
Provas
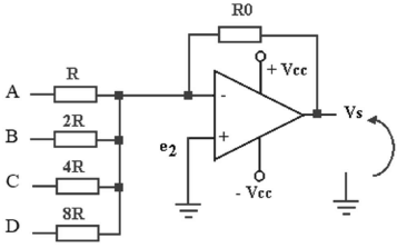
Suponha que o valor de R0 é dez vezes maior que o de R. e que para registrar nível logico 1 o bit de entrada correspondente conta com uma tensão de +5V. Temos desta forma que para conversão do número binário 8 a tensão de saída Vs do arranjo seria 50V
Provas
D trata-se do bit mais significativo da representação binária de entrada no conversor
Provas
Considere o seguinte conversor D/A implementado através de um amplificador operacional e uma rede de resistores onde o valor de tensão na saída Vs converte assim um valor da representação numérica binária associado a tensão de entrada alocadas nos terminais de A a D:

O arranjo de conversão Digital->Analógico trata-se de uma rede R-2R
Provas
Caderno Container