Foram encontradas 50 questões.

Provas
Questão presente nas seguintes provas

Provas
Questão presente nas seguintes provas

Provas
Questão presente nas seguintes provas

Provas
Questão presente nas seguintes provas

Provas
Questão presente nas seguintes provas

Provas
Questão presente nas seguintes provas
A equação de movimento de um oscilador harmônico simples é dada pela expressão !$ x(t) = A\,sen ( \omega_0 t + \pi /3) !$ onde !$ A !$ representa a amplitude do movimento, !$ \omega_0 !$ é a frequência angular e !$ \pi /3 !$ é uma fase. Para esse oscilador podemos afirmar que a velocidade em !$ t = 2 s !$ vale:
Provas
Questão presente nas seguintes provas
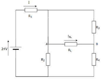
Dado o circuito da figura abaixo, encontre os valores da tensão !$ (V_{RL} = V_{AB}) !$ e da corrente !$ (I_{RL}) !$ no resistor !$ R_L !$ .

Provas
Questão presente nas seguintes provas
Seja um balanço de madeira cuja tábua possui uma massa !$ m_M = 10Kg !$ e cujo comprimento !$ L=6m !$ . O balanço se encontra em equilíbrio estático quando dois blocos de respectivas massas !$ m_1 !$ e !$ m_2 !$ se encontram sobre o mesmo e !$ m_2 = 35 Kg !$ (Veja figura abaixo). Se !$ m_2 !$ se encontra a uma distância !$ x = 1,75\,\,m !$ do centro do balanço e !$ M_1 !$ se encontra em uma das pontas do mesmo, encontre o módulo da força normal !$ F_N !$ e o valor de !$ m_1 !$. !$ (Faça\,\, g= 9,8 m/s^2) !$

Provas
Questão presente nas seguintes provas
Um bloco está sendo puxado por uma força !$ F^\mu !$ , por meio de uma rampa de comprimento !$ L !$ e altura !$ h !$, conforme figura abaixo. Não há atrito entre o bloco e a rampa. O que se pode afirmar sobre o sistema?

I. O trabalho realizado pela força peso sobre o bloco é igual a !$ (mg\,\,cos ( \theta) L) !$
II. O trabalho realizado pela força peso sobre o bloco é igual à variação da energia cinética do bloco;
III. O trabalho realizado pela força peso sobre o bloco depende apenas da altura !$ h !$ da rampa;
III. O trabalho realizado pela força peso sobre o bloco depende apenas da altura !$ h !$ da rampa;
IV. O trabalho realizado pela força peso sobre o bloco é igual a !$ (mg\,\,sen ( \theta) L) !$
Provas
Questão presente nas seguintes provas
Cadernos
Caderno Container