Foram encontradas 100 questões.
A Resolução No 456/2000 da ANEEL considera o fator de potência mínimo de referência de 0,92. O consumidor industrial tem uma potência de 80 kW com fator de potência igual a 0,80 e não deseja pagar mais multas. Qual deve ser a carga de reativos capacitivos a ser inserida na instalação industrial, kvar?
Considere:
Acos(0,80) = 36,87
Acos (0,92) = 23,07
Asen (0,80) = 53,13
Asen (0,92) = 66,93
Atg (0,80) = 38,66
Atg (0,92) = 42,61
Tg (36,87) = 0,75
Tg(23,07) = 0,43
Tg (53,13) = 1,33
Tg (66,93) = 2,35
A alternativa correta é:
Provas
Questão presente nas seguintes provas
Um alimentador deve abastecer os motores trifásicos (380 V) com as seguintes características:
| Motor | Destinação | Potência e número de pólos | Fator de serviço |
Corrente nominal
(A)
|
| 1 | Elevador social | 10 e 4 | 1,20 | 15,0 |
| 2 | Elevador de serviço | 10 e 4 | 1,20 | 15,0 |
| 3 | Bomba d’água | 5 e 2 | 1,1 | 8,0 |
| 4 | Exaustor 1 | 1 e 2 | 1,0 | 2,0 |
| 5 | Exaustor 2 | 1 e 2 | 1,0 | 2,0 |
| 6 | Bomba de recalque de esgotos | 1 e 2 | 1,0 | 2,0 |
Qual deve ser a capacidade de corrente deste alimentador em ampères?
Provas
Questão presente nas seguintes provas
À luz da NR 10, julgue os itens como Verdadeiro ou Falso:
( ) A NR 10 é aplicável a instalações elétricas alimentadas por extra baixa tensão.
( ) Na ocorrência do não cumprimento das normas constantes na NR 10, o CREA adotará as providências cabíveis.
( ) Os trabalhadores autorizados devem estar aptos a executar o resgate e prestar primeiros socorros a acidentados, especialmente por meio de reanimação cardiorrespiratória.
Assinale a alternativa correta:
Provas
Questão presente nas seguintes provas
Fazem parte do conteúdo do Curso Básico (Segurança em Instalações e Serviços com Eletricidade) os seguintes tópicos, EXCETO.
Provas
Questão presente nas seguintes provas
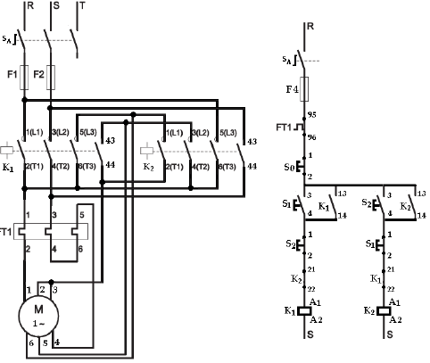
Nas figuras abaixo são mostrados diagramas de partida direta para motores monofásicos a contator com reversão do sentido de rotação.

As letras Z, W, Y e X representam os locais de instalação das botoeiras S1 e S2 que acionam os contatores k1 e k2. Para se ter o perfeito funcionamento da instalação, qual das seqüências seguinte está correta?
Provas
Questão presente nas seguintes provas
Sobre a NR 10 é correto afirmar que:
Provas
Questão presente nas seguintes provas
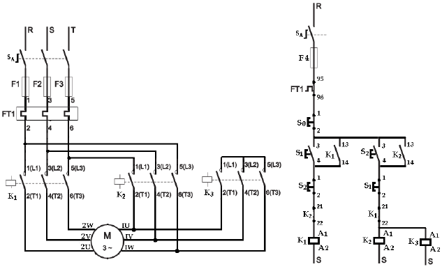
Nas figuras abaixo são mostrados diagramas de partida direta para motores trifásicos de dupla velocidade a contator.

As letras Z, W, Y e X representam os locais de instalação dos contatores k1 e k2. Para o perfeito funcionamento da instalação, qual das seqüências seguinte está correta?
Provas
Questão presente nas seguintes provas
No diagrama abaixo é mostrado um sistema com proteção de retaguarda. Supondo que na barra 5, o disjuntor G abriu, mas o disjuntor F não abriu e que as sensibilidades dos relés de A, D e H estão ajustadas em valores menores que B, C e E, respectivamente.

Provas
Questão presente nas seguintes provas
Com relação a reatâncias de máquinas síncronas:
Xd” – Reatância subtransitória, Xd' – Reatância transitória, Xd – Reatância transitória,
geralmente, pode-se afirmar que:
Provas
Questão presente nas seguintes provas
Assinale a seqüência de palavras cuja acentuação gráfica está
correta:
Provas
Questão presente nas seguintes provas
Cadernos
Caderno Container