Foram encontradas 60 questões.
Em um grupo de 160 pessoas,
• nenhuma das pessoas são leitoras de ambos os jornais B e C;
• 10 pessoas não são leitoras de nenhum dos jornais A, B e C;
• 50 pessoas são leitoras do jornal A, mas não são leitoras do jornal B;
• 20 pessoas são leitoras do jornal B.
• 10 pessoas não são leitoras de nenhum dos jornais A, B e C;
• 50 pessoas são leitoras do jornal A, mas não são leitoras do jornal B;
• 20 pessoas são leitoras do jornal B.
O número de pessoas do grupo que são leitoras do jornal C, mas não são leitoras do jornal A, é igual a:
Provas
Questão presente nas seguintes provas
Há 10 anos, a idade de Pedro era igual ao triplo da idade de Marcos. Daqui a 25 anos, a idade de Pedro será igual a !$ 4/3 !$ da idade de Marcos. Hoje, a soma das idades de Pedro e Marcos, em anos, é igual a:
Provas
Questão presente nas seguintes provas
Em 39 partidas jogadas, um time de futebol perdeu 4 jogos a menos do que empatou e empatou 10 jogos a menos do que venceu. O número de partidas que o time empatou é igual a:
Provas
Questão presente nas seguintes provas
Duas grandezas X e Y são inversamente proporcionais. Se X sofre um decréscimo de 60%, então Y sofre um acréscimo de:
Provas
Questão presente nas seguintes provas

A figura a seguir refere-se à conexão de um fotodiodo D1 a um circuito digital. Assuma que R2 é igual a R3. Assim, é CORRETO dizer.
Provas
Questão presente nas seguintes provas

Para o circuito da Figura ao lado, é CORRETO afirmar:
Provas
Questão presente nas seguintes provas

O circuito abaixo é conhecido como circuito de proteção Crowbar. D1 é um SCR (Silicon Controlled Retifier), F1 é um fusível e D2 um diodo Zener. O circuito a ser protegido deve ser conectado entre os pontos A e B. Assim, é CORRETO dizer que:
Provas
Questão presente nas seguintes provas

O circuito ao lado representa o diagrama simplificado de um canal de um amplificador estéreo (canais X e Y idênticos). A fonte de corrente polariza o circuito de excitação da etapa push-pull. O dono do amplificador relatou que o som é muito bom em quase toda a faixa de atuação do potenciômetro de intensidade (o potenciômetro de volume não está mostrado na figura). Entretanto, quando o volume está bem baixo, o dono reclama de uma distorção do sinal de áudio somente na caixa acústica conectada ao canal X (o canal Y funciona corretamente). Portanto, entre as alternativas abaixo, marque aquela que corresponde a uma hipótese CORRETA sobre o que está acontecendo.
Provas
Questão presente nas seguintes provas

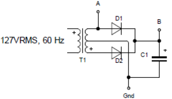
No circuito retificador, com filtro capacitivo, conforme figura abaixo, um estudante de eletrônica mediu a tensão com um multímetro, selecionado para escala VAC, 12VRMS entre os pontos A e GND. Depois, com o mesmo multímetro, agora selecionado para a escala VDC, mediu-se +15,9VDC entre os pontos B e GND. Sabendo-se que o multímetro estava perfeitamente calibrado e aferido, foi usado corretamente em ambas as medições, e ainda que os diodos empregados apresentam uma queda de tensão de, aproximadamente, 1V cada, é CORRETO dizer que:
Dado: O secundário do trafo é de 12+12VRMS
Provas
Questão presente nas seguintes provas
|
A questão abaixo assumem que o sistema operacional é o Windows 7 Home Edition; o pacote Microsoft Office é o Microsoft Office 2007 e o pacote Open Office usado é o Libre Office 3.5.4. Todos os softwares são de versões oficiais, em Português do Brasil, devidamente licenciados e com todas as atualizações publicadas até junho de 2012.
As configurações do software são as existentes após a instalação. A configuração usada é para destros. Quando se mencionar clicar, deve-se entender clicar com o botão esquerdo do mouse. Quando for o caso de se clicar com o botão direito, isso é será mencionado explicitamente. Em ambos os casos, o resultado esperado é o que ocorre na configuração padrão (para destros).
|
Tem-se uma planilha Calc ou Excel com o conteúdo abaixo:
Deseja-se calcular o total na célula C4 usando-se apenas uma fórmula. Considere as operações abaixo:

I. Entrar com fórmula =SOMARPRODUTO(A2:A3;B2:B3)
II. Entrar com a fórmula =SOMA(A2:A3*B2:B3) e encerrar pressionando Control-Shift-Enter
III. Entrar com a formula {=SOMA(A2:A3*B2:B3) }
IV. Entrar com a fórmula =SOMA(PRODUTO(A2:A3;B2:B3))
V. Entrar com a fórmula {=SOMA(PRODUTO(A2:A3;B2:B3))}
II. Entrar com a fórmula =SOMA(A2:A3*B2:B3) e encerrar pressionando Control-Shift-Enter
III. Entrar com a formula {=SOMA(A2:A3*B2:B3) }
IV. Entrar com a fórmula =SOMA(PRODUTO(A2:A3;B2:B3))
V. Entrar com a fórmula {=SOMA(PRODUTO(A2:A3;B2:B3))}
Qual delas fornece o resultado CORRETO?
Provas
Questão presente nas seguintes provas
Cadernos
Caderno Container