Foram encontradas 60 questões.
O circuito a seguir refere-se a uma fonte de tensão regulada e simétrica de ±5VCC. Suponha um trafo, cujo secundário seja de 7,5+7,5VRMS, e a queda de tensão em cada diodo retificador seja de 1,0 V. Suponha também que os capacitores eletrolíticos (polarizados) têm tensão de isolação de 25V e os demais possuem tensão de isolação de 100V. Com base nessa descrição, é INCORRETO dizer:

Provas
Questão presente nas seguintes provas

Suponha que, no circuito acima, o multímetro DMM1 (Digital Multimeter) seja capaz de medir trueRMS numa ampla faixa de frequências. Assuma que o multímetro está perfeitamente calibrado, aferido e foi usado corretamente na escala VAC. Assim, a frequência, em rad/seg, da fonte senoidal !$ V 1 = V1 = 14 x sen ( 2x \pi x f) !$, onde f= frequência, que permite uma leitura de 10V RMS no multímetro, é:
(Dados: o resistor vale 50, o capacitor vale 100μF, o indutor vale 160mH,
!$ (2)^{ ^1/_2} \approx 1,4) !$
Provas
Questão presente nas seguintes provas
No que tange a provimento de cargo público federal, assinale a alternativa que NÃO é correta:
Provas
Questão presente nas seguintes provas
Um técnico em eletrônica estava averiguando um circuito de um contador digital síncrono, TTL compatível, baseado em flip-flops tipo T (toggle) e excitado por um sinal retangular de 1kHz na sua entrada de clock. Para isso, o técnico usou um osciloscópio digital duplo canal, com trigger na borda de subida dado pelo canal A, canal este sempre usado pelo técnico durante o experimento (o técnico não utilizou o segundo canal). O técnico selecionou o flip-flop correspondente ao bit menos significativo do contador e, com a ponta de prova do canal A, ora posta na saída Q de um flip-flop, ora posta na saída Q “negado” do mesmo flip-flop, o técnico observou sempre a mesma forma de onda como mostrado na figura abaixo. Portanto, de acordo com as alternativas expostas, é CORRETO concluir que:

Provas
Questão presente nas seguintes provas
Um estagiário de um laboratório de eletrônica foi incumbido de realizar a manutenção de um circuito eletrônico linear. O estagiário suspeitou que um transistor bipolar, NPN, estivesse em curto, pois mediu uma tensão contínua de 0 V contínuos entre os terminais coletor e emissor com um multímetro perfeitamente calibrado e aferido. Para ter certeza do estado do transistor, o estagiário mudou a configuração de medida do multímetro para “teste de continuidade” e resolveu testar o transistor com o circuito energizado. Acerca do procedimento adotado, pede-se selecionar a alternativa CORRETA.
Provas
Questão presente nas seguintes provas
Leia o anúncio a seguir e responda à questão.

(Disponível em: http://www.criativa.com.br
/arquivos/clientes/visualizacao/outdoor-dia-mundial-da-agua- 2011. Acesso em 07 de jun de 2012)
Ao lançar o anúncio em vias públicas, a empresa de publicidade valeu-se da frase “Evite o desperdício”, com o intuito de:
Provas
Questão presente nas seguintes provas
A piada é um “texto que parece falar de uma coisa, mas fala de outra, ou melhor, fala das duas, colocando ora uma ora outra em primeiro plano” (POSSENTI, 2002, p. 48). A piada a seguir caracteriza-se como uma crítica ao ex-presidente Collor, mas que pode se estender a boa parte dos políticos:
“Assim que assumiu, encomendou a seu Ministro das Relações Exteriores uma pesquisa para saber o valor de uma sepultura em Jerusalém, pois gostaria de ser enterrado lá, quando morresse. Quinze dias depois, o ministro lhe informou o resultado da pesquisa: A sepultura custa 10 milhões de dólares, presidente. E ele, indignado, respondeu: O quê? Por três dias?” (POSSENTI, 2002, p. 50).
O efeito de humor pretendido está:
Provas
Questão presente nas seguintes provas
Para o circuito abaixo, baseado no circuito integrado 555, tecnologia bipolar, assuma que a chave SW1 é sem retenção, normalmente aberta (tipo push bottom) e que D1 e D2 são ambos diodos emissores de luz (LED). Assim, é CORRETO afirmar:

Provas
Questão presente nas seguintes provas
No que diz respeito à medição de potência, ativa e reativa, de uma carga trifásica, é INCORRETO afirmar:
Provas
Questão presente nas seguintes provas

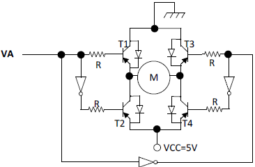
O circuito acima mostra o acionamento de um pequeno motor de corrente contínua (5V@ 40mA). Suponha R = 1k, e ainda que todos os transistores tenham =50, que VA seja uma entrada binária, que M seja um motor de corrente contínua e as portas inversoras sejam de tecnologia TTL. Com base nessa descrição, é INCORRETO afirmar que:
Provas
Questão presente nas seguintes provas
Cadernos
Caderno Container