Foram encontradas 60 questões.

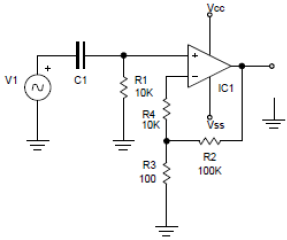
Para o circuito acima, sabendo-se que o amplificador operacional é ideal, é CORRETO dizer que:
(Dados: !$ R1 = 10 \Omega, R2 = 100 K \Omega, R3 =100 \Omega, R4 = 10 K \Omega !$)
Provas
Questão presente nas seguintes provas
No que diz respeito ao elemento de proteção DR (Diferencial Residual), é INCORRETO afirmar:
Provas
Questão presente nas seguintes provas
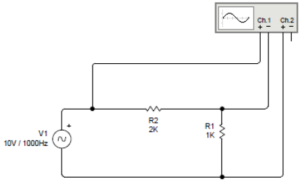
Para o circuito abaixo, suponha que o osciloscópio, perfeitamente calibrado e aferido, esteja no modo XY. Assim, uma vez que V1=10×sen(2××1.000,0), qual será o aspecto da figura obtida na tela? (Atenção: a senoide desenhada na tela do osciloscópio é meramente ilustrativa).

Provas
Questão presente nas seguintes provas
|
A questão abaixo assumem que o sistema operacional é o Windows 7 Home Edition; o pacote Microsoft Office é o Microsoft Office 2007 e o pacote Open Office usado é o Libre Office 3.5.4. Todos os softwares são de versões oficiais, em Português do Brasil, devidamente licenciados e com todas as atualizações publicadas até junho de 2012.
As configurações do software são as existentes após a instalação. A configuração usada é para destros. Quando se mencionar clicar, deve-se entender clicar com o botão esquerdo do mouse. Quando for o caso de se clicar com o botão direito, isso é será mencionado explicitamente. Em ambos os casos, o resultado esperado é o que ocorre na configuração padrão (para destros).
|
No Excel, deseja-se que uma coluna da planilha somente possa assumir um dos valores

Para isto, deve-se:
Provas
Questão presente nas seguintes provas

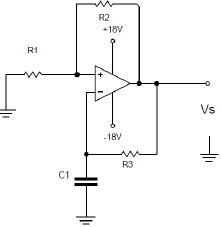
Acerca do circuito abaixo, alimentado com fonte simétrica de ±18V, é INCORRETO dizer que:
Provas
Questão presente nas seguintes provas
Leia o anúncio a seguir e responda à questão.

(Disponível em: http://www.criativa.com.br
/arquivos/clientes/visualizacao/outdoor-dia-mundial-da-agua- 2011. Acesso em 07 de jun de 2012)
“A água é um bem natural que, a cada dia, está se tornando mais escasso em nosso planeta. Várias são as campanhas de conscientização para o uso responsável desse precioso líquido essencial à vida. Entretanto, ainda é grande o desperdício”. Disponível em: http://aqueimaroupa.com.br/2011/03/27/aguapra- vazar-a-vida/. Acesso em 12 de jun de 2012.
No anúncio, a relação estabelecida entre “Nada pode substituir a água” e “Evite desperdício” é de:
Provas
Questão presente nas seguintes provas
As curvas I×V abaixo são exemplos que caracterizam os seguintes dispositivos, respectivamente:

Provas
Questão presente nas seguintes provas
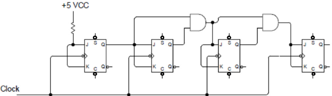
Em relação ao circuito digital abaixo, suponha uma tecnologia TTL e ainda que as entradas “S=set” e “C=clear” de cada flip-flop só sejam ativas no nível lógico “0”. Portanto, é CORRETO dizer:

Provas
Questão presente nas seguintes provas
|
A questão abaixo assumem que o sistema operacional é o Windows 7 Home Edition; o pacote Microsoft Office é o Microsoft Office 2007 e o pacote Open Office usado é o Libre Office 3.5.4. Todos os softwares são de versões oficiais, em Português do Brasil, devidamente licenciados e com todas as atualizações publicadas até junho de 2012.
As configurações do software são as existentes após a instalação. A configuração usada é para destros. Quando se mencionar clicar, deve-se entender clicar com o botão esquerdo do mouse. Quando for o caso de se clicar com o botão direito, isso é será mencionado explicitamente. Em ambos os casos, o resultado esperado é o que ocorre na configuração padrão (para destros).
|
Você enviou um documento Word para um colega revisar, mas ele modificou esse documento sem habilitar o registro das alterações. Para visualizar as alterações feitas é necessário, então:
Provas
Questão presente nas seguintes provas

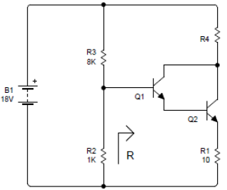
No circuito ao lado, os dois transistores possuem o mesmo valor de !$ \beta !$ e !$ VBE, \beta = 99 !$ e !$ VBE = 0,75V !$ respectivamente, !$ R3 = 8K \Omega !$, !$ R2 = 1 K \Omega !$, !$ R1 = 10 \Omega !$. Pede-se determinar: a impedância vista na base de Q1, sinalizada por R, e o valor de R4 que permite a máxima excursão simétrica no coletor de Q2, respectivamente:
Provas
Questão presente nas seguintes provas
Cadernos
Caderno Container