Foram encontradas 45 questões.
Como funciona a Estação Espacial Internacional
Com cabines para dormir, banheiros e espaço para fazer exercícios, a Estação Espacial Internacional lembra um hotel. O hotel mais veloz do mundo: viaja pelo espaço a 27 mil km/h. Além disso, se fosse um hotel, estaria constantemente em baixa temporada: recebeu apenas 98 visitantes em 12 anos de atividade. E conta com turistas que estão longe do lazer das férias. Eles passam o tempo todo pesquisando nos laboratórios científicos dentro da estação e trabalhando duro para instalar as pesadas peças que trouxeram da Terra. A construção desse complexo de 420 toneladas começou em 1998, depois de mais de uma década de estudos. Como seria impossível montá-lo na Terra e enviálo ao espaço, a solução foi fazer peças que pudessem ser lançadas por foguetes, uma por uma. A ISS (International Space Station) foi construída como um quebra-cabeça, com investimentos de EUA, Japão, Rússia e alguns países da Europa - mas com ajuda de astronautas do mundo inteiro. Inclusive o brasileiro Marcos Pontes, engenheiro de sistemas que participou de testes das peças e depois da construção. Depois de 40 voos para montagem, a estação ainda não está concluída. E, em dezembro deste ano, a ISS ganhará um novo cômodo: um laboratório equipado com um braço robótico.
Fonte: http://super.abril.com.br/universo/como-funciona-estacao-espacial-internacional-743106.shtml, acesso em 15 fev. 2015.
Assinale a passagem transcrita do texto em que há ocorrência de linguagem informal.
Provas
Questão presente nas seguintes provas
A figura abaixo mostra o diagrama unifilar de uma instalação elétrica comercial.

Acerca desse diagrama é INCORRETO afirmar que
Provas
Questão presente nas seguintes provas
Em relação aos inversores de frequência, também chamados de conversores de frequência, é INCORRETO afirmar que
Provas
Questão presente nas seguintes provas
O diagrama abaixo apresenta um exemplo ilustrativo do processo de Geração, Transmissão e Distribuição ( GTD ) de energia elétrica.

Em relação aos processos de GTD, é INCORRETO afirmar que
Provas
Questão presente nas seguintes provas
a partir dos dados da placa do motor monofásico mostrado na fi gura abaixo, é INCORRETO afirmar que

Provas
Questão presente nas seguintes provas
Em relação aos circuitos trifásicos em Estrela e em Triângulo, é INCORRETO afirmar que
Provas
Questão presente nas seguintes provas
Para programar os Controladores Lógicos Programáveis - CLP, existem cinco linguagens padronizadas através da norma IEC 61131-3, sendo duas textuais e três gráficas. A linguagem de programação derivada diretamente da lógica dos relés e pioneira na história dos CLPs é
Provas
Questão presente nas seguintes provas
Readaptação é
Provas
Questão presente nas seguintes provas
Escala Celsius
Para que possamos medir temperaturas, será necessário graduar o termômetro, isto é, marcar nele as divisões e atribuir números a essas divisões. Quando procedemos dessa maneira, estamos construindo uma escala termométrica.
Na construção de uma determinada escala termométrica, são adotadas convenções arbitrárias. Por isso, várias escalas termométricas diferentes foram surgindo, com o decorrer do tempo, em vários países. Essa variedade de escalas termométricas, naturalmente, acarretava uma série de inconvenientes ao trabalho científico. Para superar essas dificuldades, os cientistas sugeriram a adoção de uma escala única, baseada em convenções internacionais – a escala Celsius (anteriormente denominada escala centígrada), atualmente adotada em quase todos os países do mundo.
LUZ, Antônio Máximo Ribeiro da.; ÁLVARES, Beatriz Alvarenga. Curso de Física, volume 2. 6. ed. São
Paulo: Scipione, 2006.
Paulo: Scipione, 2006.
A leitura deste texto pressupõe o conhecimento da seguinte definição:
Provas
Questão presente nas seguintes provas
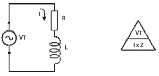
A carga ”Z” constituída por um resistor “R” em série com um indutor “L” é ligada a uma fonte de tensão “vt” e frequência “f” constantes. Ao instalar um capacitor “C” em paralelo com essa carga”Z”, é INCORRETO afirmar que

Provas
Questão presente nas seguintes provas
Cadernos
Caderno Container