Foram encontradas 45 questões.
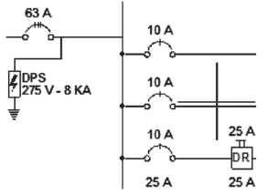
Observe o seguinte diagrama.

A partir desse diagrama, é INCORRETO afirmar que
Provas
Questão presente nas seguintes provas
A Lebre e a Tartaruga
Era uma vez... uma lebre e uma tartaruga. A lebre vivia caçoando da lerdeza da tartaruga. Certa vez, a tartaruga já muito cansada por ser alvo de gozações, desafiou a lebre para uma corrida. A lebre, muito segura de si, aceitou prontamente. Não perdendo tempo, a tartaruga pôs-se a caminhar, com seus passinhos lentos, porém, firmes. Logo a lebre ultrapassou a adversária, e vendo que ganharia fácil, parou e resolveu cochilar. Quando acordou, não viu a tartaruga e começou a correr. Já na reta final, viu finalmente a sua adversária cruzando a linha de chegada toda sorridente.
(http://www.historias-infantis.com/contos/historias/fabulas/).
A lebre resolveu cochilar porque
Provas
Questão presente nas seguintes provas
A economia colonial no Século XVIII
O “renascimento da agricultura”
Ao longo do século XVIII, a metrópole concentrou suas atenções na mineração, embora continuasse igualmente atenta para evitar que a população abandonasse a agricultura. Em termos de valor, o que se conseguiu com a exportação do açúcar jamais foi ultrapassado pela exportação do ouro.
Com a decadência da mineração que ocorreu na segunda metade do século XVIII, as atenções voltaram-se novamente para a agricultura. Esse fenômeno foi chamado pelo historiador Caio Prado Jr. de “renascimento da agricultura”. Em grande parte, o impulso veio da própria mineração, uma vez que esta contribuiu poderosamente para a formação de um mercado interno, cuja importância tendeu a crescer com o tempo. Porém, é importante levar em consideração também as transformações que ocorreram no plano internacional – em especial, o incremento demográfico na Europa do século XVIII e a Revolução Industrial na Inglaterra. (...)
KOSHIBA, Luiz; PEREIRA, Denise Manzi Frayze. História do Brasil no contexto da história ocidental. 8.ed. São Paulo: Atual, 2003. (adaptado).
Nas frases a seguir, as palavras destacadas retomam ideia já expressa no texto, EXCETO em:
Provas
Questão presente nas seguintes provas
Como Referência o Diagrama de Potência e ao Diagrama de Comando abaixo. No circuito de comando, os botões “SB2” e “SB3” servem para acionar o motor no sentido horário e antihorário, através dos contatores “KM1” e “KM2”. O botão “SB1” serve para desligar o motor, qualquer que seja o sentido de rotação. A lâmpada “HL3” sinaliza a ocorrência de sobrecarga no circuito de potência, através do contato “FR1” do relé de sobrecarga.

Em relação ao Diagrama de Potência, é INCORRETO afirmar que
Provas
Questão presente nas seguintes provas
As chaves de partida Soft Start (Partida Suave) são equipamentos eletrônicos, microprocessados, destinados basicamente ao controle da partida de motores elétricos de indução, tipo gaiola de esquilo, alimentados em Corrente Alternada. Em relação aos Soft Starts, é INCORRETO afirmar que
Provas
Questão presente nas seguintes provas
Todas as assertivas abaixo estão corretas, EXCETO:
Provas
Questão presente nas seguintes provas
O recente “apagão” ocorrido no Brasil no mês de janeiro, que afetou 11 estados e o Distrito Federal, foi explicado pelas autoridades como resultado de um corte de cargas determinado pelo ONS, quando se observou tendência de queda da frequência do sistema elétrico, após ter ocorrido um pico de demanda. A queda da frequência sinaliza que
Provas
Questão presente nas seguintes provas
A figura abaixo mostra a placa de um motor de indução trifásico. Analisando-a, é CORRETO afirmar: que

Provas
Questão presente nas seguintes provas
De acordo com a NBR5410/2004, é CORRETO afirmar que, em uma instalação monofásica, o condutor neutro
Provas
Questão presente nas seguintes provas
A figura abaixo mostra o Diagrama em Ladder e os diagramas de ligação das entradas e saídas da partida Estrela-Triangulo realizada através de um Controlador Lógico Programável – CLP.

Em relação ao diagrama Ladder, é INCORRETO afirmar que
Provas
Questão presente nas seguintes provas
Cadernos
Caderno Container