Foram encontradas 45 questões.
O circuito abaixo mostra a topologia de um conversor CC/CC chaveado do tipo Buck (abaixador de tensão).
marque a opção CORRETA em que a função do diodo D é:
marque a opção CORRETA em que a função do diodo D é:
Provas
Questão presente nas seguintes provas
As tensões de ruptura entre base e coletor, com emissor aberto, de um transistor bipolar, e de um diodo retificador são identificadas, respectivamente, pelas siglas:
Provas
Questão presente nas seguintes provas
Analise a tabela-verdade e marque a opção em que a função lógica da saída S2 é mostrada CORRETAMENTE.
Provas
Questão presente nas seguintes provas
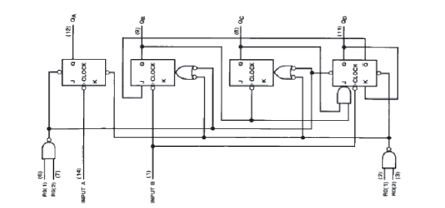
A figura abaixo mostra o diagrama lógico do 74LS90, circuito integrado comercial de tecnologia TTL amplamente utilizado como contador de década ou divisor de frequência.

Pela análise do circuito, é correto afirmar, EXCETO:
Provas
Questão presente nas seguintes provas
Considere que um retificador monofásico em ponte com carga resistiva drenando 500 mA seja ligado à rede de 220V/60Hz. admita que os diodos em condução possam ser modelados por chaves ideais.
Se a ponte retificadora for construída com os populares diodos da série 1N4001/1N4007, cujos dados parciais de catálogo são mostrados, a alternativa CORRETA que mostra três diodos da série aptos a formar a ponte é:
Se a ponte retificadora for construída com os populares diodos da série 1N4001/1N4007, cujos dados parciais de catálogo são mostrados, a alternativa CORRETA que mostra três diodos da série aptos a formar a ponte é:
Provas
Questão presente nas seguintes provas
Com os diodos escolhidos e o circuito da questão 21, a carga poderia ser alterada para absorver uma corrente média de até:
Provas
Questão presente nas seguintes provas
Um amplificador apresenta um ganho de potência de 30 dB. se uma fonte aplica 10mW em sua entrada, a potência CORRETA de saída é:
Provas
Questão presente nas seguintes provas
No processo de digitalização de um sinal de áudio, é usual a existência de um bloco de entrada com o objetivo de limitar o espectro de frequências amostradas. a função CORRETA desse circuito é:
Provas
Questão presente nas seguintes provas
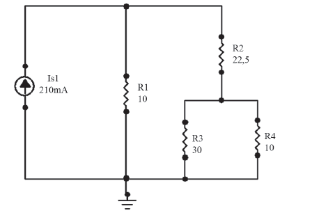
Analise o circuito, cujos valores dos resistores estão dados em ohm.

Marque a opção CORRETA em que o potencial do nó entre R2, R3 e R4 é aproximadamente igual a:
Provas
Questão presente nas seguintes provas
Considere quatro circuitos retificadores com cargas resistivas com as topologias listadas.
marque a alternativa CORRETA que mostra o retificador que produz o menor fator de ondulação:
marque a alternativa CORRETA que mostra o retificador que produz o menor fator de ondulação:
Provas
Questão presente nas seguintes provas
Cadernos
Caderno Container