Foram encontradas 50 questões.


Provas
Questão presente nas seguintes provas


Provas
Questão presente nas seguintes provas


Provas
Questão presente nas seguintes provas
Na atualidade, as redes de dados e voz são construídas de acordo com a norma técnica NBR-14565 e o
cabeamento balanceado tipo UTP categoria 6 tem largura de banda de frequência especificada até
Provas
Questão presente nas seguintes provas
Considere o circuito abaixo, alimentado por uma fonte vi (t), em que R= 10 kΩ e C =0,1μF e a tensão de saída
é vo (t). A função de transferência, no domínio da frequência de V0/Vi, é


Provas
Questão presente nas seguintes provas
- Amp Op
- Diodo na Engenharia Eletrônica
- Eletrônica Analógica na Engenharia Eletrônica
- Eletrônica de Potência na Engenharia Eletrônica
- Filtros
- Tiristor
- Transistores
O dispositivo representado abaixo é chamado de


Provas
Questão presente nas seguintes provas
O transistor é um componente muito usado na construção de circuitos amplificadores de sinais. Para a curva
de um transistor, mostrada abaixo, o ganho CC do transistor para uma corrente de base de 50μA, na região
ativa, é


Provas
Questão presente nas seguintes provas
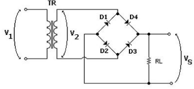
Uma fonte de tensão alternada senoidal de valor eficaz V1 = 60π √2v alimenta o circuito abaixo.
Considerando-se a fonte, o transformador e diodos como ideais e a relação de transformação N1/N2 = 4 e
sabendo-se que o valor da resistência de carga RL é igual a 2 Ω, podemos afirmar que o valor médio de VS e
a potência média dissipada na resistência são, respectivamente,


Provas
Questão presente nas seguintes provas
Para a tensão de entrada Vin = 0,5V, R1 = 1 kΩ e R2 = 100 kΩ, o valor da tensão de saída Vout no circuito
mostrado abaixo é


Provas
Questão presente nas seguintes provas
A representação de um sinal no domínio do tempo está presente nos equacionamentos dos sistemas de
engenharia elétrica. Entretanto, as formulações tornam-se mais simples para o esclarecimento de alguns
problemas se trabalharmos no domínio da frequência. A transformada de Fourier é uma ferramenta valiosa
nesses casos. A expressão f (t) = e – at u(t) , onde a >0 , u(t) = 1 para t ≥ 0 e u(t) = 0 para t < 0 tem como
transformadora de Fourier:
Provas
Questão presente nas seguintes provas
Cadernos
Caderno Container