Foram encontradas 1.914 questões.
A aptidão física acaba por ser um fator gerador de influência na qualidade de vida de um indivíduo, apresentando vários fatores que a representam. Sendo assim, qual das alternativas a seguir representa fatores da aptidão física relacionada à saúde?
Provas
Questão presente nas seguintes provas
O uso de um sistema de comunicação aumentativa ou alternativa é indicado para indivíduos com:
Provas
Questão presente nas seguintes provas
Com relação à coleta e à avaliação da urina de 24 horas, avalie as afirmativas abaixo.
1) Toda urina coletada no período de 24 horas deve ser mantida no mesmo recipiente de coleta, de maneira acumulativa.
2) Para esta coleta de urina recomenda-se jejum prévio de 12 horas.
3) A primeira urina do dia deve ser desprezada, iniciando a contagem do tempo e coletas a partir deste momento.
4) Através deste exame laboratorial, é possível definir a taxa de filtração glomerular, pesquisar a presença de proteínas na urina e identificar as concentrações de vários sais minerais.
Estão corretas:
Provas
Questão presente nas seguintes provas
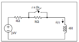
Considerando que a chave no circuito elétrico da Figura feche em t = 0s e permaneça fechada, e que, antes da chave fechar, o circuito havia atingido a condição de regime permanente, assinale o valor da taxa de variação de corrente i(t) no momento imediatamente após a chave fechar.

Provas
Questão presente nas seguintes provas
Baseado no perfil sorológico de um paciente, descrito abaixo, pode-se afirmar que o paciente apresenta:

Provas
Questão presente nas seguintes provas
O que a 'nova Terra' tem de especial?
Na última quarta (24), uma notícia deixou de orelhas em pé tanto os amantes da ficção científica quanto os da ciência da vida real: astrônomos do European Southern Observatory, um dos maiores observatórios do mundo, anunciaram a descoberta de um planeta que pode ter muitas das condições necessárias ao surgimento e à evolução da vida. Batizado de Próxima b, ele orbita uma anã vermelha chamada Proxima Centauri – e já foi carinhosamente apelidado de Nova Terra. Entenda por que e veja o que ele tem de bacana.
1. Ele está na distância perfeita de sua estrela.
O Próxima b está a 7,5 milhões de km de sua estrela-mãe, a Proxima Centauri. Isso é bem perto: é 5% da distância da Terra ao Sol. Mercúrio mesmo fica bem mais longe: a 57 milhões de km. Toda essa proximidade pode parecer ruim, mas está tranquilo, está favorável, para o planeta recémdescoberto: sua estrela é bem mais fria e muito menor do que o Sol – tem menos de 15% do diâmetro dele (pouco maior que Júpiter). Isso compensa a proximidade. Isso significa que, no Próxima b, pode haver água líquida, o ingrediente básico para a vida.
2. A estrela dele vai viver muito mais do que o Sol.
A Proxima Centauri é uma anã vermelha que pertence à constelação do Centauro, e que provavelmente tem a mesma idade que o Sol. Mas as análises dos astrônomos mostram que a Proxima vai continuar brilhando – e "alimentando" Próxima b – por alguns bilhões de anos depois de o nosso sol morrer, o que vai acontecer daqui a 7 bilhões de anos. Ou seja: contando que o planeta seja mesmo habitável e que, um dia, seja alcançável pelas nossas naves, poderemos nos mudar para lá, para passar mais alguns bilhões com um sol para chamar de nosso.
3. O céu no planeta, provavelmente, é vermelho.
Se você chegasse em Próxima b, em vez do familiar céu azul aqui da Terra, você veria uma imensidão vermelha, como um pôr do sol eterno. Isso porque a luz da estrela é avermelhada.
4. Ele está MUITO perto da gente.
Daqui até o Próximo b, é um pulinho (pelo menos, em termos astronômicos): só 4,2 anos-luz (37 trilhões de km). Pode parecer bastante, mas os outros planetas semelhantes à Terra que nós já encontramos ficam bem mais longe: o Kapteyn b, na constelação de Pictor, está a quase 13 anos-luz de distância; o Wolf 1061 c, na constelação do Serpentário, fica a 14 anos-luz; e o GJ 667 c, na constelação de Escorpião, a 22 anos-luz. De fato, a Proxima Centauri é a estrela que está mais perto do sistema solar – daí o nome da estrela, e o do planeta, que ganhou o nome da estrela adicionado da letra "b" – o "a" seria a própria anã vermelha.
5. Ele é uma Terra com esteroides
A massa do Próxima b é só 30% maior quea nossa. A princípio, isso não faz sentido. Os modelos científicos mais avançados de formação de corpos celestes mostram que as estrelas pequenas, como a Proxima Centauri, só conseguem comportar planetas minúsculos: bem menores que o nosso. Os astrônomos ainda não sabem o que possibilitou o crescimento do Próxima b (...).
6. Pode existir vida por lá.
O planeta está na chamada zona habitável da órbita da estrela – perto o bastante para que a água presente ali não congele, e longe o suficiente para que não evapore. Ou seja: ele pode ter água líquida, o ingrediente essencial para a vida. Essencial, mas não exclusivo: também é preciso haver um campo magnético que proteja o planeta da radiação que vem da estrela – que, no caso do Próxima b, é GRANDE: ele recebe 400 vezes mais raios X do que a Terra.
7. Ele não tem dia e noite
Sabe a Lua, que está sempre com a mesma face voltada para a Terra? Então: com o Próxima b é a mesma coisa. A configuração da gravidade do planeta e da estrela, somada à proximidade dos dois, travou um "de frente" para o outro – não há rotação, só translação. Isso significa que Próxima b não tem dia e noite, mas também indica que o lado iluminado deve ter uma temperatura relativamente amena – que pode variar entre 0°C a 30°C –, enquanto o outro, sempre no escuro, pode chegar a um frio de -60°C. Mas isso até que é ok, se a gente considerar que a temperatura mais fria registrada na Terra foi de -89,2°C, no Polo Sul, e a mais quente, 54°C. (...)
(Helô D'Angelo. Disponível em: http://super.abril.com.br/ciencia/oque- a-nova-terra-tem-de-especial Acesso em: 30 ago. 2016. Adaptado).
O autor organizou o seu texto em tópicos destacados.
O conjunto desses tópicos tem por foco principal:
Provas
Questão presente nas seguintes provas
A Lei nº 11.794, de 8 de outubro de 2008, conhecida como Lei Arouca, estabelece os procedimentos para uso de animais em pesquisas científicas. Nesse sentido, assinale a alternativa correta.
Provas
Questão presente nas seguintes provas
Segundo a Norma Brasileira sobre execução de impermeabilização na construção civil, assinale a opção correta.
Provas
Questão presente nas seguintes provas
Para que serve executar a balança de preto (black balance) na câmera ?
Provas
Questão presente nas seguintes provas
Todos que trabalham com microscopia eletrônica devem estar cientes das condições básicas de funcionamento e das diretrizes para manter a segurança dos colegas de trabalho, dos equipamentos e deles próprios. Mesmo que cada laboratório desenvolva os seus próprios conjuntos específicos de regras para uma operação segura, certos princípios e práticas de segurança básica devem ser consideradas em um laboratório de pesquisa. São procedimentos básicos de segurança no laboratório de pesquisa, exceto:
Provas
Questão presente nas seguintes provas
Cadernos
Caderno Container