Foram encontradas 80 questões.
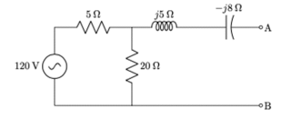
Considere o circuito a seguir, com uma fonte de tensão senoidal de módulo 120 V.

O módulo da tensão de Thévenin e a impedância de Thévenin, vistos dos terminais A e B, são:
Provas
Questão presente nas seguintes provas
A figura a seguir mostra um sinal de tensão v(t), periódico
no tempo, formando um trem de pulsos de tensão.
Quando o sinal de tensão é aplicado a um resistor de 2 Ω, a potência média dissipada no resistor é
Quando o sinal de tensão é aplicado a um resistor de 2 Ω, a potência média dissipada no resistor é
Provas
Questão presente nas seguintes provas
A respeito de conversores e inversores de frequência,
analise as afirmativas a seguir.
1) Os conversores podem ser utilizados para converter energia de recursos naturais e renováveis, como o sol, o vento ou as marés, para injetá-la na rede elétrica ou para uso local.
2) Os conversores de frequência também são conhecidos por outros nomes, como conversores de velocidade ajustável, conversores de frequência variável, conversores de frequência de velocidade variável, inversores de frequência, inversores e conversores de potência.
3) Com a utilização de um inversor de frequência, o motor pode trabalhar com frequências diferentes da fornecida pela rede, o que possibilita o motor trabalhar em diferentes velocidades, sem a necessidade do uso de polias e redutores.
4) Os inversores de frequência têm custo inicial relativamente baixo e, por serem constituídos de componentes elétricos simples, são de fácil manutenção.
Estão corretas, apenas:
1) Os conversores podem ser utilizados para converter energia de recursos naturais e renováveis, como o sol, o vento ou as marés, para injetá-la na rede elétrica ou para uso local.
2) Os conversores de frequência também são conhecidos por outros nomes, como conversores de velocidade ajustável, conversores de frequência variável, conversores de frequência de velocidade variável, inversores de frequência, inversores e conversores de potência.
3) Com a utilização de um inversor de frequência, o motor pode trabalhar com frequências diferentes da fornecida pela rede, o que possibilita o motor trabalhar em diferentes velocidades, sem a necessidade do uso de polias e redutores.
4) Os inversores de frequência têm custo inicial relativamente baixo e, por serem constituídos de componentes elétricos simples, são de fácil manutenção.
Estão corretas, apenas:
Provas
Questão presente nas seguintes provas
Um sinal possui potência de 2 W e passará por um estágio
de amplificação com ganho de 10 dB. A potência desse
sinal após a amplificação é
Provas
Questão presente nas seguintes provas
Nos estudos de fluxo de potência em sistemas elétricos de
potência, as barras do sistema são classificadas em três
tipos principais: barra de balanço, barras de carga e barras
de geração. Nesse contexto, assinale a alternativa correta.
Provas
Questão presente nas seguintes provas
Na ocorrência de curtos-circuitos, as redes elétricas devem
isolar rapidamente o ponto em defeito, reduzindo os efeitos
negativos das faltas na maior parte do sistema. Durante a
manobra de abertura de um defeito, as fases de interrupção
da corrente de curto geram solicitações dinâmicas, térmicas
e dielétricas ao equipamento manobrado. Entre as opções
abaixo, qual o equipamento capaz de suportar as
solicitações envolvidas em uma abertura de um circuito em
carga, interrompendo a corrente de curto?
Provas
Questão presente nas seguintes provas
Sobre as disposições gerais estabelecidas no Decreto n.º
7.724/2012, assinale a alternativa correta.
Provas
Questão presente nas seguintes provas
A Lei n.º 12.527/2011 dispõe que é dever de órgãos e
entidades públicas promoverem a divulgação de
informações de interesse coletivo ou geral por eles
produzidas ou custodiadas, sendo obrigatória a divulgação
em sites oficiais na internet. Com relação aos requisitos que
as páginas oficiais na internet devem atender, assinale a
alternativa correta.
Provas
Questão presente nas seguintes provas
A Lei n.º 12.527/2011 regula o acesso a informações
previsto na Constituição Federal e compreende o direito de
obter
Provas
Questão presente nas seguintes provas
Luana, servidora pública federal, saiu de sua residência e,
a caminho do trabalho, foi atropelada por um carro quando
sofreu diversas fraturas. Luana foi socorrida e precisou
passar por algumas cirurgias. Analisando o caso narrado e
com base na Lei n.º 8.112/1990, assinale a alternativa
correta.
Provas
Questão presente nas seguintes provas
Cadernos
Caderno Container