Foram encontradas 604 questões.
Das afirmativas abaixo, quanto aos levantamentos topográficos:
I) A altimetria, ou nivelamento, tem por finalidade determinar a distância horizontal ou diferença de nível entre diversos pontos.
II) A determinação das diferenças de nível entre dois pontos é possível através dos métodos de nivelamento geométrico e nivelamento trigonométrico.
III) O nivelamento geométrico tem precisão menor quando comparado ao nivelamento trigonométrico, em contrapartida, sua execução tem um rendimento maior.
IV) Nas operações de nivelamento geométrico, são empregados níveis e miras, enquanto no nivelamento trigonométrico é utilizado o teodolito.
estão corretas
Provas
Questão presente nas seguintes provas
Cabe ao setor de apoio operacional constituir brigada de incêndio, que terá a incumbência de:
I) indenizar, em dinheiro, se houver incêndio, o valor do material queimado.
II) solicitar, sempre que necessário, a colaboração do corpo de bombeiros local, para que proceda à vistoria das instalações de detecção e combate a incêndios nos imóveis.
III) verificar as condições de funcionamento dos equipamentos de segurança, mantendo-os em perfeitas condições de uso, e, quando necessária, sua manutenção, recorrer à assistência de firmas especializadas.
IV) manter sempre visíveis as instalações, evitando a ocupação total ou parcial do saguão, corredores, escadas e outras áreas comuns que dêem acesso a hidrantes, extintores, casa de força e de maquinas dos elevadores.
Das assertivas acima, estão corretas
Provas
Questão presente nas seguintes provas
Das afirmativas abaixo, sobre montagem em articulador na confecção de prótese dentária: Para a montagem do modelo do arco superior:
I) Experimenta-se o modelo no registro sobre o arco facial.
II) Coloca-se uma pelota de gesso comum, na base do modelo e da placa de montagem.
III) Monta-se o articulador, colocando as fossas sobre as esferas condilares.
IV) Fecha-se a parte superior do articulador sobre o gesso ainda mole.
II) Coloca-se uma pelota de gesso comum, na base do modelo e da placa de montagem.
III) Monta-se o articulador, colocando as fossas sobre as esferas condilares.
IV) Fecha-se a parte superior do articulador sobre o gesso ainda mole.
Está(ão) correta(s)
Provas
Questão presente nas seguintes provas
Um circuito retificador monofásico de onda completa, em ponte de diodos, é alimentado por uma tensão de 110 Vef. Desprezando a queda de tensãonos diodos, a tensão média sobre uma carga resistiva será
Provas
Questão presente nas seguintes provas
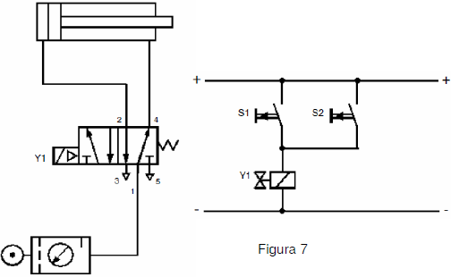
No circuito da Figura 7, em relação à haste do cilindro, se os botões pulsadores S1 e S2 forem acionados em sequência,

Provas
Questão presente nas seguintes provas
O hidróxido de sódio é uma base classificada como
Provas
Questão presente nas seguintes provas
O termo “ofidismo” é definido como
Provas
Questão presente nas seguintes provas
Assinale a alternativa que explica a definição de Arqueologia Histórica:
Provas
Questão presente nas seguintes provas
Em relação ao diagnóstico do transtorno autista:
I) atraso ou ausência total de desenvolvimento da linguagem falada.
II) preocupação persistente com partes de objetos.
III) fracasso em desenvolver relacionamentos com seus pares apropriados ao nível de desenvolvimento.
II) preocupação persistente com partes de objetos.
III) fracasso em desenvolver relacionamentos com seus pares apropriados ao nível de desenvolvimento.
Das afirmações acima está(ão) correta(s)
Provas
Questão presente nas seguintes provas
Sobre as afirmações:
I) A conexão DVI pode transmitir tanto sinais analógicos quanto digitais.
II) A conexão VGA pode transmitir tanto sinais analógicos quanto digitais.
III) A conexão HDMI pode transmitir tanto sinais analógicos quanto digitais.
IV) A conexão DVI pode transmitir apenas sinais digitais.
II) A conexão VGA pode transmitir tanto sinais analógicos quanto digitais.
III) A conexão HDMI pode transmitir tanto sinais analógicos quanto digitais.
IV) A conexão DVI pode transmitir apenas sinais digitais.
Está(ão) correta(s)
Provas
Questão presente nas seguintes provas
Cadernos
Caderno Container