Foram encontradas 50 questões.
De acordo com a lei 8.112/90, cargo público é
Provas
Questão presente nas seguintes provas
Buscando a excelência
Quando falo em excelência, não me refiro a ser o melhor de todos, ideia que me parece arrogante e tola. Nada pior do que um arrogante bobo, o tipo que chega a uma reunião, seja festa, seja trabalho, e já começa achando todos os demais idiotas. Nada mais patético do que aquele que se pensa ou se deseja sempre o primeirão da classe, da turma, do trabalho, do bairro, do mundo, quem sabe? Talento e discrição fazem uma combinação ótima.Então, excelência para mim significa tentar ser bom no que se faz, e no que se é. Um ser humano decente, solidário, afetuoso, respeitoso, digno, esperançoso sem ser tolo, idealista sem ser alienado, produtivo sem ser viciado em trabalho. E, no trabalho, dar o melhor de si sem sacrificar a vida, a família, a alegria, de que andamos tão carentes, embora os trios elétricos desfilem e as baladas varem a madrugada.
Estamos carentes de excelência. A mediocridade reina, assustadora, implacável e persistente. Autoridades, altos cargos, líderes, em boa parte desinformados, desinteressados, incultos, lamentáveis. Alunos que saem do ensino médio semianalfabetos e assim entram nas universidades, que aos poucos — refiro-me às públicas — vão se tornando reduto de pobreza intelectual.
As infelizes cotas, contra as quais tenho escrito e às quais me oponho desde sempre, servem magnificamente para alcançarmos este objetivo: a mediocrização também do ensino superior. Alunos que não conseguem raciocinar porque não lhes foi ensinado, numa educação de brincadeirinha.
E, porque não sabem ler nem escrever direito e com naturalidade, não conseguem expor em letra ou fala seu pensamento truncado e pobre. Professores que, mal pagos, mal estimulados, são mal preparados, desanimados e exaustos ou desinteressados. Atenção: há para tudo isso grandes e animadoras exceções, mas são exceções, tanto escolas quanto alunos e mestres. O quadro geral é entristecedor.
E as cotas roubam a dignidade daqueles que deveriam ter acesso ao ensino superior por mérito, porque o governo lhes tivesse dado uma ótima escola pública e bolsas excelentes: não porque, sendo incapazes e despreparados, precisassem desse empurrão. Meu conceito serve para cotas raciais também: não é pela raça ou cor, sobretudo autodeclarada, que um jovem deve conseguir diploma superior, mas por seu esforço e capacidade, porque teve ótimos 1º e 2° graus em escola pública e ou bolsas que o ampararam.
Além do mais, as bolsas por raça ou cor são altamente discriminatórias: ou teriam de ser dadas a filhos de imigrantes japoneses, alemães, italianos, que todos sofreram grandemente chegando aqui, e muitos continuam precisando de esforços inauditos para mandar um filho à universidade.
Em suma, parece que trabalhamos para facilitar as coisas aos jovens, em lugar de educá-los com e para o trabalho, zelo, esforço, busca de mérito, uso de sua própria capacidade e talento, já entre as crianças. O ensino nas últimas décadas aprimorou-se em fazer os pequenos aprender brincando.
LUFT, Lya. Buscando a excelência. Revista Veja .Nº Edição:
2288. Ano 45, nº 39. 26 de setembro de 2012. p.24.
Pode-se afirmar da leitura do texto que a autora
Provas
Questão presente nas seguintes provas
De acordo com o art. 5° da lei 8.112/90, são requisitos básicos para a investidura no cargo público, EXCETO:
Provas
Questão presente nas seguintes provas
Uma instalação elétrica tem o quadro de cargas, simplificado, mostrado na tabela seguinte. Para este quadro, o número mínimo de circuitos terminais que devem ser usados, em concordância com a NBR 5410, é:

Provas
Questão presente nas seguintes provas
No circuito mostrado na Figura 6, o voltímetro ‘V’ é considerado um galvanômetro ideal em série, com uma resistência interna de 120 !$ K\Omega !$. Sabe-se que !$ R1 \, = \, 60 \, K\Omega, \, R2 \, = 40 \, K\Omega \, e \, E \, = \, 120V. !$
Figura 6

Assinale a opção que corresponde ao valor CORRETO indicado por este voltímetro.
Provas
Questão presente nas seguintes provas
Buscando a excelência
Quando falo em excelência, não me refiro a ser o melhor de todos, ideia que me parece arrogante e tola. Nada pior do que um arrogante bobo, o tipo que chega a uma reunião, seja festa, seja trabalho, e já começa achando todos os demais idiotas. Nada mais patético do que aquele que se pensa ou se deseja sempre o primeirão da classe, da turma, do trabalho, do bairro, do mundo, quem sabe? Talento e discrição fazem uma combinação ótima.Então, excelência para mim significa tentar ser bom no que se faz, e no que se é. Um ser humano decente, solidário, afetuoso, respeitoso, digno, esperançoso sem ser tolo, idealista sem ser alienado, produtivo sem ser viciado em trabalho. E, no trabalho, dar o melhor de si sem sacrificar a vida, a família, a alegria, de que andamos tão carentes, embora os trios elétricos desfilem e as baladas varem a madrugada.
Estamos carentes de excelência. A mediocridade reina, assustadora, implacável e persistente. Autoridades, altos cargos, líderes, em boa parte desinformados, desinteressados, incultos, lamentáveis. Alunos que saem do ensino médio semianalfabetos e assim entram nas universidades, que aos poucos — refiro-me às públicas — vão se tornando reduto de pobreza intelectual.
As infelizes cotas, contra as quais tenho escrito e às quais me oponho desde sempre, servem magnificamente para alcançarmos este objetivo: a mediocrização também do ensino superior. Alunos que não conseguem raciocinar porque não lhes foi ensinado, numa educação de brincadeirinha.
E, porque não sabem ler nem escrever direito e com naturalidade, não conseguem expor em letra ou fala seu pensamento truncado e pobre. Professores que, mal pagos, mal estimulados, são mal preparados, desanimados e exaustos ou desinteressados. Atenção: há para tudo isso grandes e animadoras exceções, mas são exceções, tanto escolas quanto alunos e mestres. O quadro geral é entristecedor.
E as cotas roubam a dignidade daqueles que deveriam ter acesso ao ensino superior por mérito, porque o governo lhes tivesse dado uma ótima escola pública e bolsas excelentes: não porque, sendo incapazes e despreparados, precisassem desse empurrão. Meu conceito serve para cotas raciais também: não é pela raça ou cor, sobretudo autodeclarada, que um jovem deve conseguir diploma superior, mas por seu esforço e capacidade, porque teve ótimos 1º e 2° graus em escola pública e ou bolsas que o ampararam.
Além do mais, as bolsas por raça ou cor são altamente discriminatórias: ou teriam de ser dadas a filhos de imigrantes japoneses, alemães, italianos, que todos sofreram grandemente chegando aqui, e muitos continuam precisando de esforços inauditos para mandar um filho à universidade.
Em suma, parece que trabalhamos para facilitar as coisas aos jovens, em lugar de educá-los com e para o trabalho, zelo, esforço, busca de mérito, uso de sua própria capacidade e talento, já entre as crianças. O ensino nas últimas décadas aprimorou-se em fazer os pequenos aprender brincando.
LUFT, Lya. Buscando a excelência. Revista Veja .Nº Edição:
2288. Ano 45, nº 39. 26 de setembro de 2012. p.24.
No trecho “Alunos que não conseguem raciocinar porque não lhes foi ensinado, numa educação de brincadeirinha”, a conjunção “porque” só NÃO pode ser substituída, levando-se em conta somente as alterações de pontuação necessárias, por:
Provas
Questão presente nas seguintes provas
Na Figura 5, é apresentado um circuito elétrico simplificado, onde há três dispositivos de medição, A, B e C. A forma como eles estão conectados permite identificar se eles são: voltímetro, wattímetro ou amperímetro.
Assinale a opção CORRETA, identificando o tipo de medidor A, B e C, respectivamente.

Provas
Questão presente nas seguintes provas
Numa instalação elétrica existem 10 motores monofásicos de 2 cv, cada um, que são divididos em dois grupos: (A) com quatro motores, e (B) com seis motores. O grupo (A) fica ligado durante 5 horas por dia, e o grupo (B) por quatro horas por dia. Sabe-se que os dois grupos operam durante seis dias por semana. O consumo de energia, durante 30 dias de funcionamento da instalação completa (considere 1cv = 750 w), é:
Provas
Questão presente nas seguintes provas
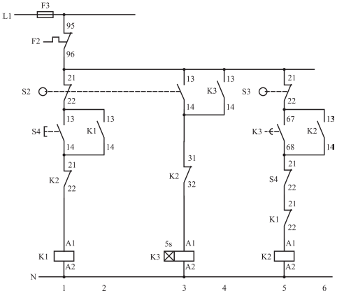
O esquema de comando mostrado na Figura 7 é utilizado para acionar um motor trifásico de indução empregado na abertura e fechamento de um portão. Nele, S2 e S3 são chaves de fim de curso que indicam portão aberto completamente e fechado completamente, respectivamente. Analise as proposições seguintes sobre o esquema descrito.
Figura 7

I. K1 e K2 são utilizados para comandar a abertura e fechamento do portão, respectivamente.
II. O fechamento do portão acontecerá 5 segundos após a botoeira S4 ter sido pressionada.
III. Este esquema permite que o portão fique em uma posição intermediária entre aberto completamente e fechado completamente
IV. Uma vez iniciado a abertura o portão poderá ser fechado a qualquer instante, bastando para isso um segundo pulso na botoeira S4.
Assinale a opção CORRETA.
Provas
Questão presente nas seguintes provas
Buscando a excelência
Quando falo em excelência, não me refiro a ser o melhor de todos, ideia que me parece arrogante e tola. Nada pior do que um arrogante bobo, o tipo que chega a uma reunião, seja festa, seja trabalho, e já começa achando todos os demais idiotas. Nada mais patético do que aquele que se pensa ou se deseja sempre o primeirão da classe, da turma, do trabalho, do bairro, do mundo, quem sabe? Talento e discrição fazem uma combinação ótima.Então, excelência para mim significa tentar ser bom no que se faz, e no que se é. Um ser humano decente, solidário, afetuoso, respeitoso, digno, esperançoso sem ser tolo, idealista sem ser alienado, produtivo sem ser viciado em trabalho. E, no trabalho, dar o melhor de si sem sacrificar a vida, a família, a alegria, de que andamos tão carentes, embora os trios elétricos desfilem e as baladas varem a madrugada.
Estamos carentes de excelência. A mediocridade reina, assustadora, implacável e persistente. Autoridades, altos cargos, líderes, em boa parte desinformados, desinteressados, incultos, lamentáveis. Alunos que saem do ensino médio semianalfabetos e assim entram nas universidades, que aos poucos — refiro-me às públicas — vão se tornando reduto de pobreza intelectual.
As infelizes cotas, contra as quais tenho escrito e às quais me oponho desde sempre, servem magnificamente para alcançarmos este objetivo: a mediocrização também do ensino superior. Alunos que não conseguem raciocinar porque não lhes foi ensinado, numa educação de brincadeirinha.
E, porque não sabem ler nem escrever direito e com naturalidade, não conseguem expor em letra ou fala seu pensamento truncado e pobre. Professores que, mal pagos, mal estimulados, são mal preparados, desanimados e exaustos ou desinteressados. Atenção: há para tudo isso grandes e animadoras exceções, mas são exceções, tanto escolas quanto alunos e mestres. O quadro geral é entristecedor.
E as cotas roubam a dignidade daqueles que deveriam ter acesso ao ensino superior por mérito, porque o governo lhes tivesse dado uma ótima escola pública e bolsas excelentes: não porque, sendo incapazes e despreparados, precisassem desse empurrão. Meu conceito serve para cotas raciais também: não é pela raça ou cor, sobretudo autodeclarada, que um jovem deve conseguir diploma superior, mas por seu esforço e capacidade, porque teve ótimos 1º e 2° graus em escola pública e ou bolsas que o ampararam.
Além do mais, as bolsas por raça ou cor são altamente discriminatórias: ou teriam de ser dadas a filhos de imigrantes japoneses, alemães, italianos, que todos sofreram grandemente chegando aqui, e muitos continuam precisando de esforços inauditos para mandar um filho à universidade.
Em suma, parece que trabalhamos para facilitar as coisas aos jovens, em lugar de educá-los com e para o trabalho, zelo, esforço, busca de mérito, uso de sua própria capacidade e talento, já entre as crianças. O ensino nas últimas décadas aprimorou-se em fazer os pequenos aprender brincando.
LUFT, Lya. Buscando a excelência. Revista Veja .Nº Edição:
2288. Ano 45, nº 39. 26 de setembro de 2012. p.24.
Quanto ao assunto principal do texto, pode-se afirmar que
Provas
Questão presente nas seguintes provas
Cadernos
Caderno Container